LEMON Manuals: Even more car manuals for everyone: 1960-2025
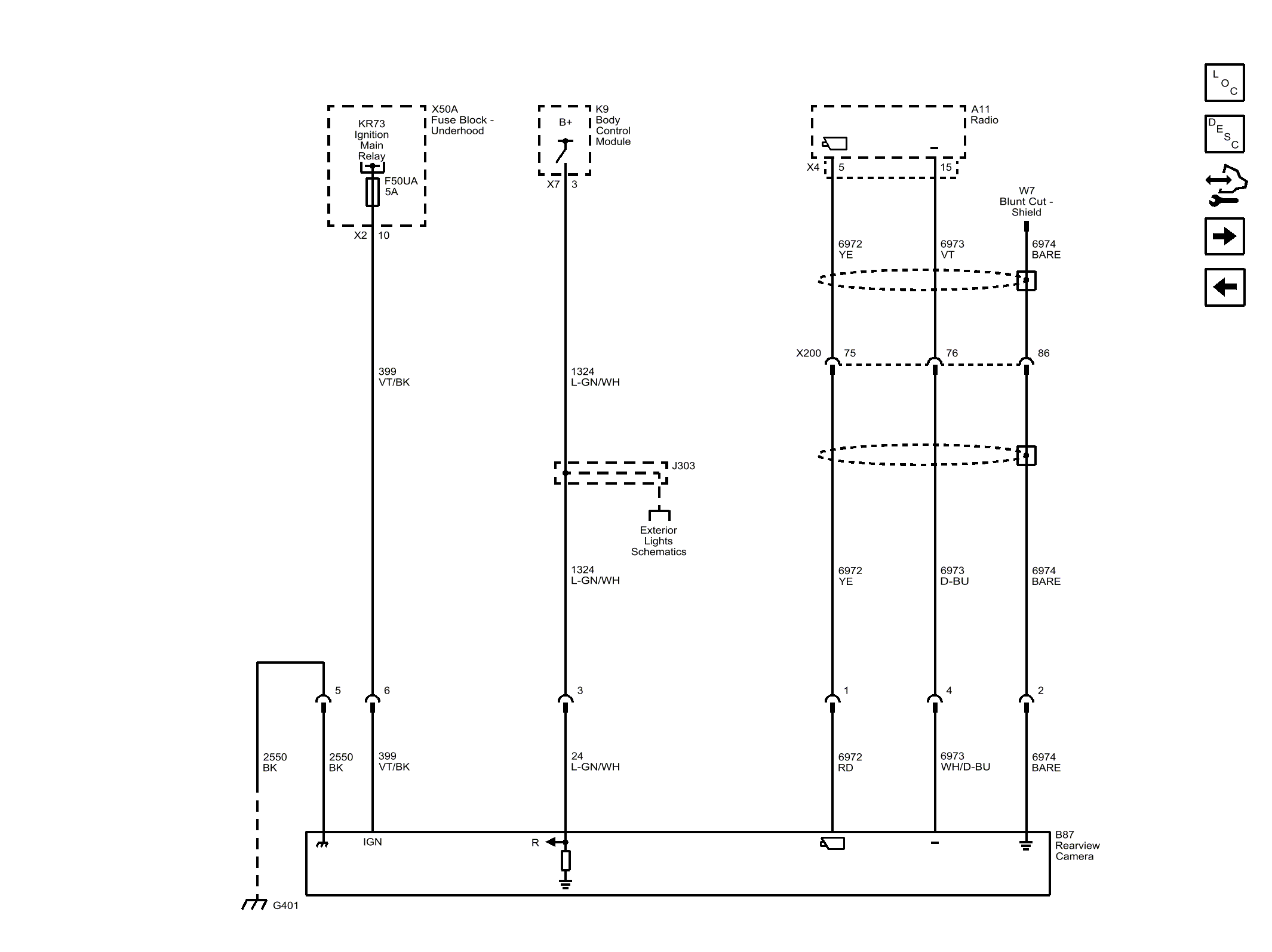
Home >> Buick >> 2017 >> Verano Base, Gas >> Repair and Diagnosis >> Accessories & Equipment >> Drivers Assistance Systems - ADAS >> Object Detection System And Pedestrian Protection System >> Schematic Wiring Diagrams >> Object Detection Wiring Schematics >> Rear Vision Camera (UVC)
April 5, 2026: LEMON Manuals is launched! Read the announcement.

Rear Vision Camera (UVC)

Fig 1: Rear Vision Camera (UVC)
GM4502846Courtesy of GENERAL MOTORS COMPANY