LEMON Manuals: Even more car manuals for everyone: 1960-2025
Home >> Buick >> 2018 >> Enclave Essence, AWD >> Repair and Diagnosis >> External Pages >> Different car >> Section 81 (Object Detection System And Pedestrian Protection System) >> Schematic Wiring Diagrams >> Object Detection Wiring Schematics >> Rear Vision Camera (UVC)
April 5, 2026: LEMON Manuals is launched! Read the announcement.

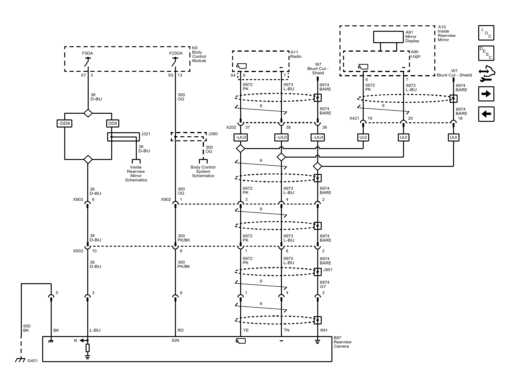
Rear Vision Camera (UVC)

WARNING: This page is about a different car, the 2017 GMC Acadia Limited, 2017 Chevrolet Traverse, and 2017 Buick Enclave. However, it is still accessible from the selected car via links, so may be relevant.
Fig 1: Rear Vision Camera (UVC)
GM4406428Courtesy of GENERAL MOTORS COMPANY