LEMON Manuals: Even more car manuals for everyone: 1960-2025
Home >> Buick >> 2019 >> Encore Preferred, AWD >> Repair and Diagnosis >> External Pages >> Different car >> Section 62 (Image Display Camera System) >> Schematic Wiring Diagrams >> Image Display Camera Wiring Schematics (Buick) >> Video Processing Control Module (Buick)
April 5, 2026: LEMON Manuals is launched! Read the announcement.

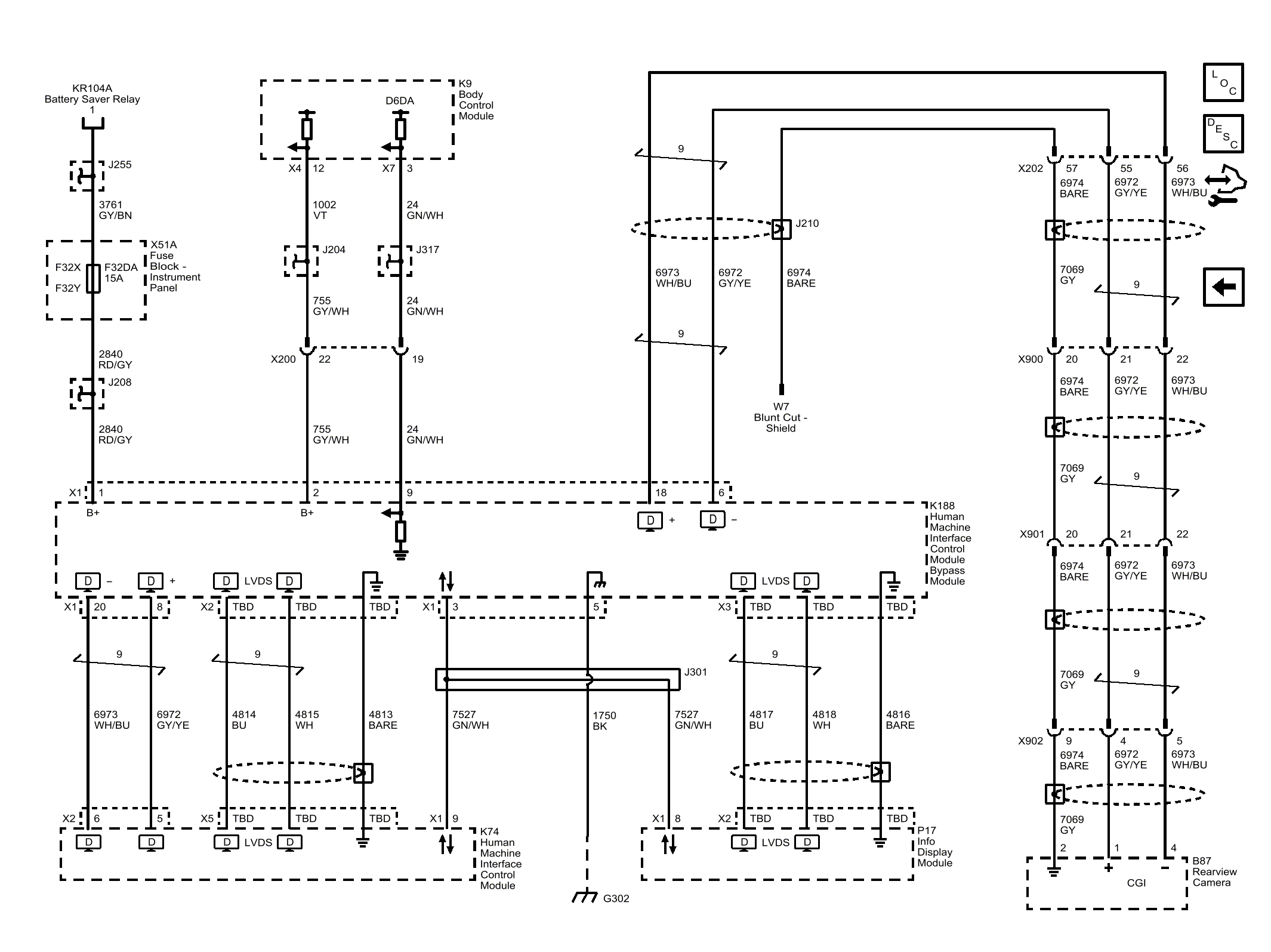
Video Processing Control Module (Buick)

WARNING: This page is about a different car, the 2018 Chevrolet Trax and 2018 Buick Encore. However, it is still accessible from the selected car via links, so may be relevant.
GM4725533