LEMON Manuals: Even more car manuals for everyone: 1960-2025
Home >> Buick >> 2019 >> Envision Base >> Repair and Diagnosis >> Accessories & Equipment >> Entertainment Systems >> Cellular, Entertainment, And Navigation System >> Schematic and Wiring Diagrams >> OnStar/Telematics Wiring Schematics >> Telematics Communication Interface Control Module
April 5, 2026: LEMON Manuals is launched! Read the announcement.

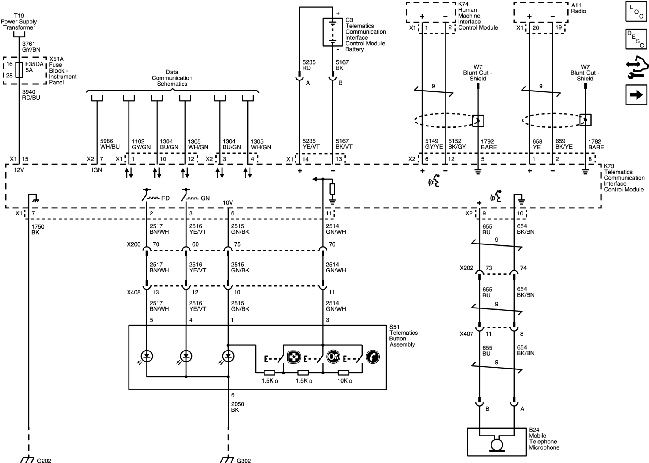
Telematics Communication Interface Control Module

GM4850720Courtesy of GENERAL MOTORS COMPANY