LEMON Manuals: Even more car manuals for everyone: 1960-2025
Home >> Buick >> 2020 >> Encore Preferred, AWD >> Repair and Diagnosis (Single Page) >> Accessories & Equipment >> Entertainment Systems >> Cellular, Entertainment, And Navigation System >> Schematic Wiring Diagrams >> Radio/Navigation System Wiring Schematics (Buick) >> Power, Ground, Serial Data, Info Display, Human Machine Interface Module Bypass Module, and Human Machine Interface Module (Buick)
April 5, 2026: LEMON Manuals is launched! Read the announcement.

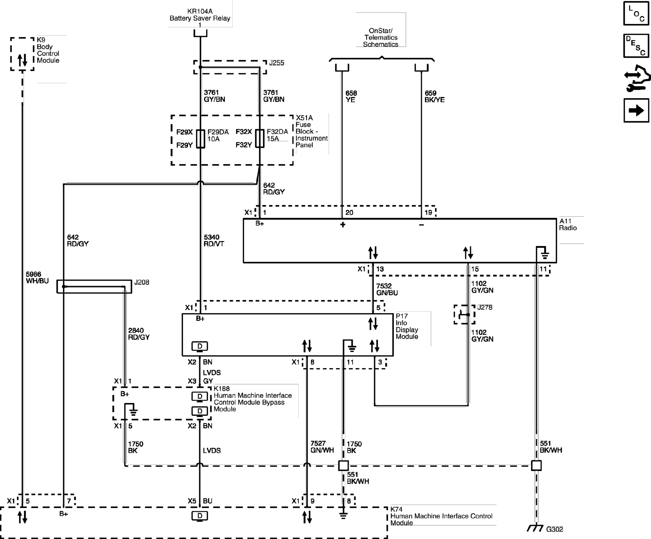
Power, Ground, Serial Data, Info Display, Human Machine Interface Module Bypass Module, and Human Machine Interface Module (Buick)

GM5282403Courtesy of GENERAL MOTORS COMPANY