LEMON Manuals: Even more car manuals for everyone: 1960-2025
Home >> Buick >> 2022 >> Enclave Essence, AWD >> Repair and Diagnosis >> External Pages >> Different car >> Section 32 (Remote Functions System) >> Schematic Wiring Diagrams >> Remote Function Wiring Schematics >> Keyless Entry - Passive and Keyless Start
April 5, 2026: LEMON Manuals is launched! Read the announcement.

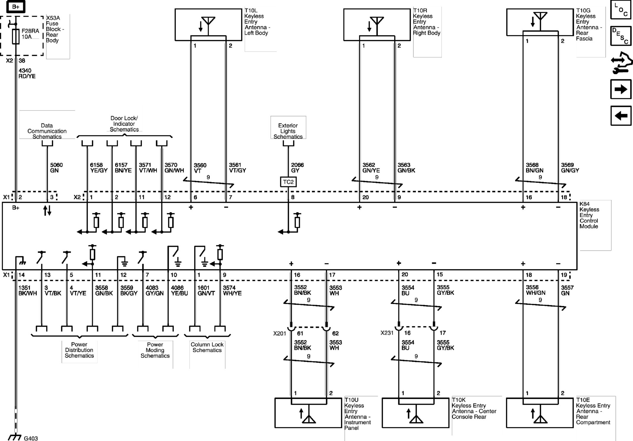
Keyless Entry - Passive and Keyless Start

WARNING: This page is about a different car, the 2020 Buick Enclave. However, it is still accessible from the selected car via links, so may be relevant.
GM5210255Courtesy of GENERAL MOTORS COMPANY