LEMON Manuals: Even more car manuals for everyone: 1960-2025
Home >> Buick >> 2022 >> Enclave Essence, AWD >> Repair and Diagnosis >> Steering >> Steering Control Systems >> Steering Wheel And Column >> Schematic Wiring Diagrams >> Steering Wheel Secondary/Configurable Control Schematics >> Steering Wheel Controls
April 5, 2026: LEMON Manuals is launched! Read the announcement.

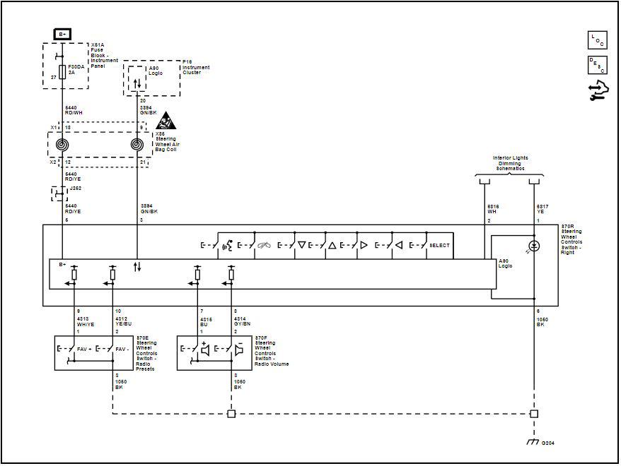
Steering Wheel Controls

GM5776749Courtesy of GENERAL MOTORS COMPANY