LEMON Manuals: Even more car manuals for everyone: 1960-2025
Home >> Cadillac >> 1982 >> Seville V6-252 4.1L >> Repair and Diagnosis >> Diagrams >> Connector Views >> Engine Control Module
April 5, 2026: LEMON Manuals is launched! Read the announcement.

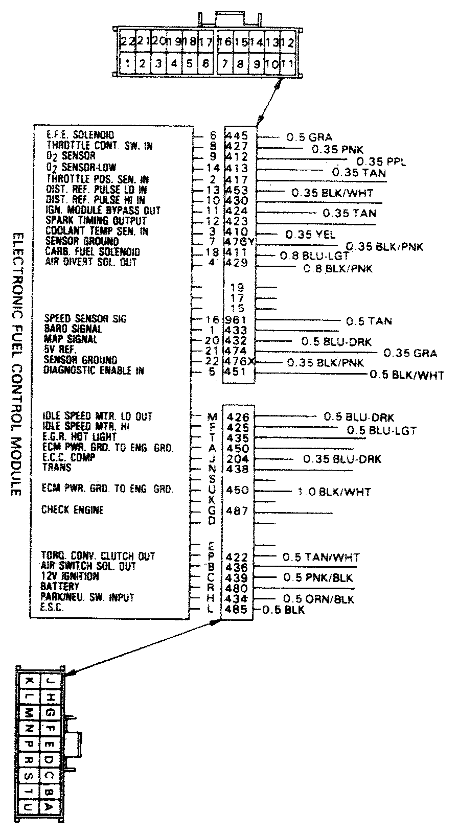
Engine Control Module