LEMON Manuals: Even more car manuals for everyone: 1960-2025
Home >> Cadillac >> 1987 >> Allante V8-252 4.1L >> Repair and Diagnosis >> Diagrams >> Connector Views >> Interior Lighting Module >> Typical OSM Pinout
April 5, 2026: LEMON Manuals is launched! Read the announcement.

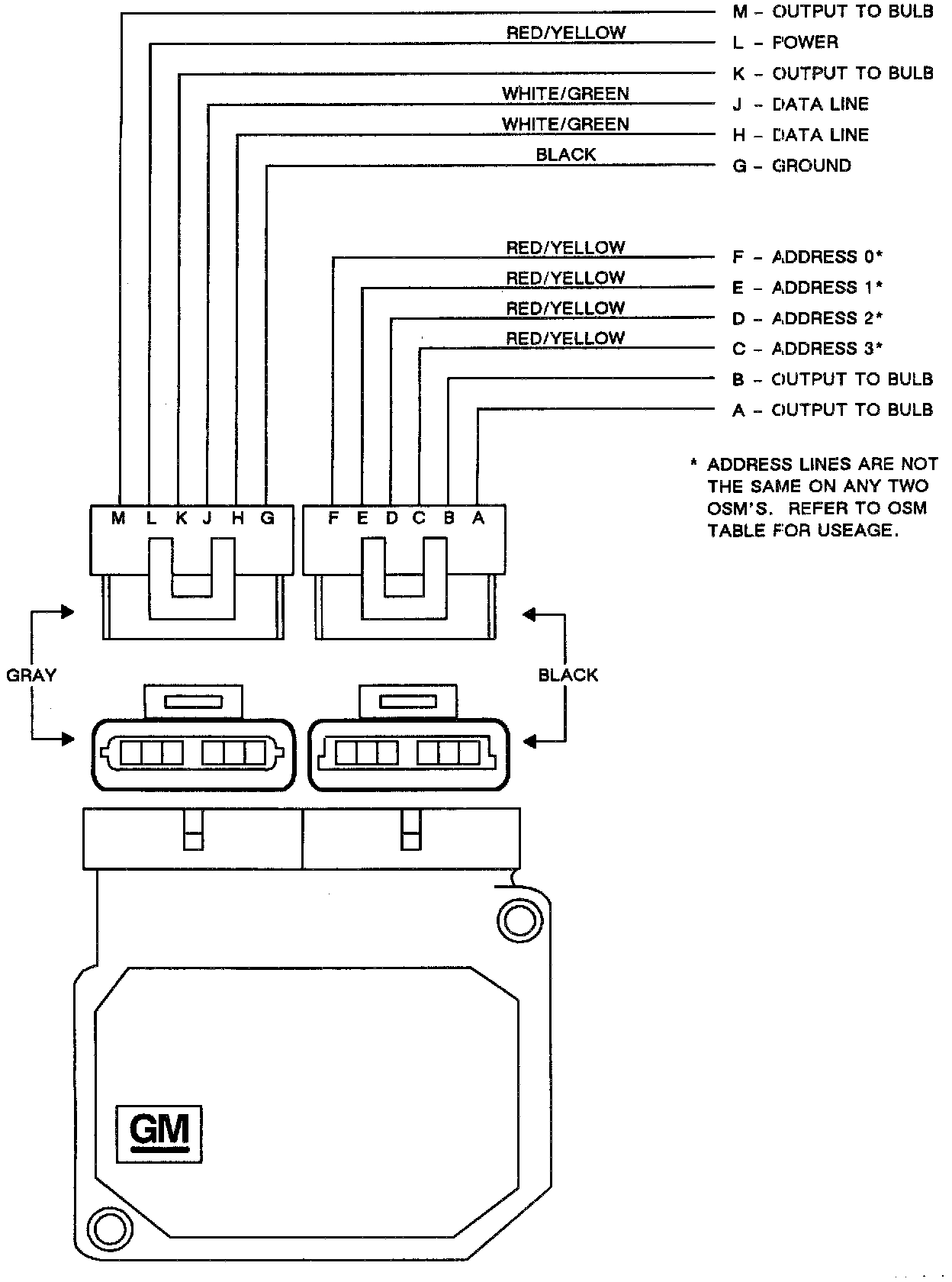
Typical OSM Pinout

Figure 8D3-2 Typical OSM Pinout: