LEMON Manuals: Even more car manuals for everyone: 1960-2025
Home >> Cadillac >> 1993 >> Seville Base >> Repair and Diagnosis >> Engine Performance >> System >> Engine Controls - Tests W/Codes - Pcm >> Pcm Code Charts >> Pcm Code P090 - TCC Brake Switch Input Problem >> Action
April 5, 2026: LEMON Manuals is launched! Read the announcement.

Pcm Code P090 - TCC Brake Switch Input Problem: Action

PCM will set Code P090 and turn on SERVICE VEHICLE SOON message. PCM disables cruise control.

NOTE: Test numbers refer to numbers on diagnostic chart.
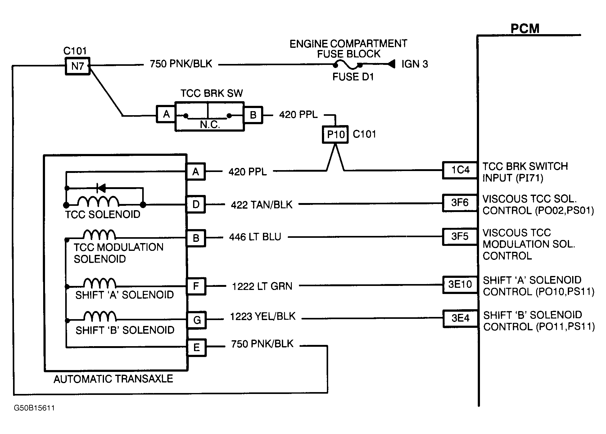
  1. Tests TCC brake switch input to PCM data parameter PI71. If input is working correctly, display will change from HI to LO to HI. If display remains on HI, check circuit No. 420 and TCC brake switch for short to voltage. If display remains on LO, check circuit No. 420 for an open or short to ground.
  2. Checks for voltage present at TCC brake switch connector terminal "A".
  3. Checks resistance between TCC brake switch terminal "A" and ground.
  4. Checks resistance between TCC brake switch terminal "B" and ground.
  5. Checks if TCC brake switch needs to be adjusted or replaced, or if PCM is faulty.
Fig 1: PCM Code P090 Schematic - TCC Brake Switch Input Problem
G93A40311Courtesy of GENERAL MOTORS CORP.
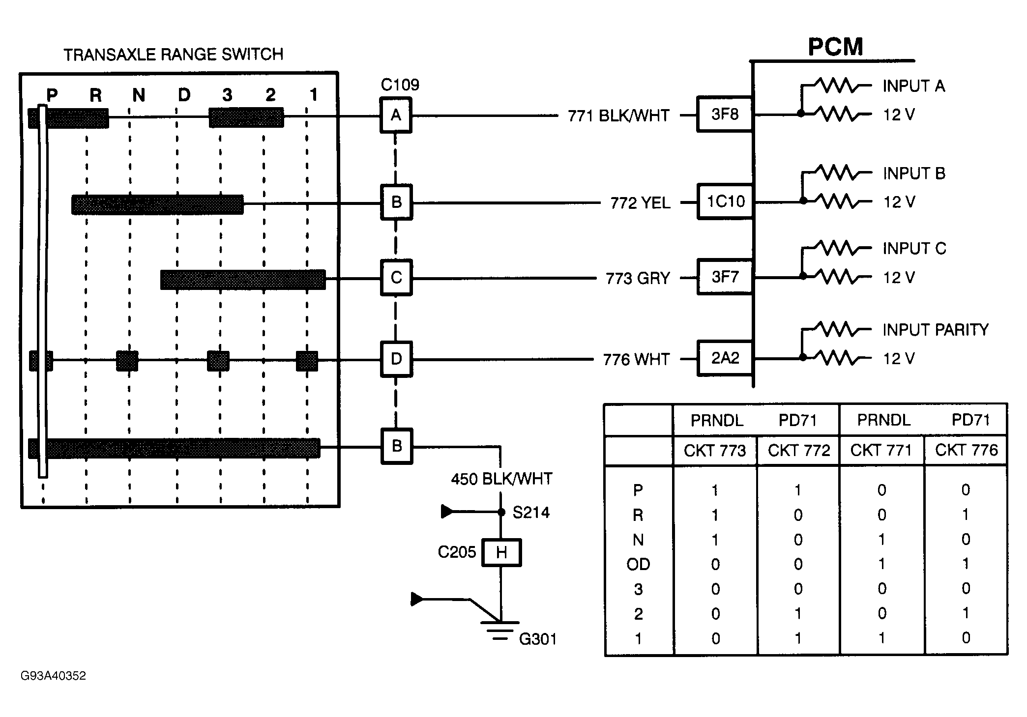
Fig 2: PCM Code P090 Flow Chart - TCC Brake Switch Input Problem
G93A40352Courtesy of GENERAL MOTORS CORP.