LEMON Manuals: Even more car manuals for everyone: 1960-2025
Home >> Cadillac >> 2003 >> Escalade EXT >> Repair and Diagnosis >> Electrical >> Body Electrical >> OEM Connector End Views >> Connector End Views >> Front End Discriminating Sensor Connector End View
April 5, 2026: LEMON Manuals is launched! Read the announcement.

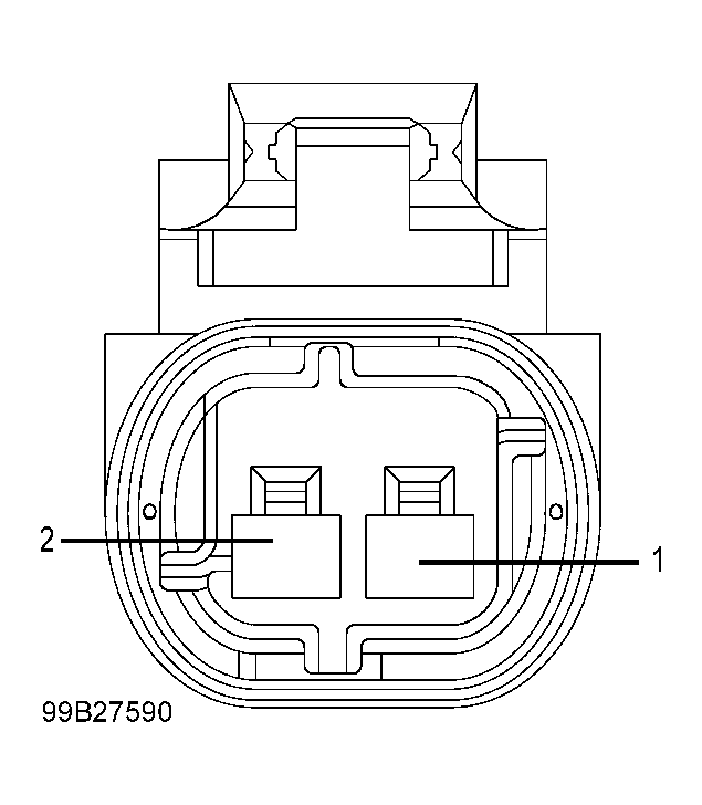
Front End Discriminating Sensor Connector End View

Fig 1: Front End Discriminating Sensor Connector End View
G99B27590Courtesy of GENERAL MOTORS CORP.