LEMON Manuals: Even more car manuals for everyone: 1960-2025
Home >> Cadillac >> 2003 >> Seville SLS >> Repair and Diagnosis >> Accessories & Equipment >> Communication Devices >> Body Control System >> Schematic and Routing Diagrams >> Body Control System Schematics >> Body Control System Schematics (Dim Ignition Inputs)
April 5, 2026: LEMON Manuals is launched! Read the announcement.

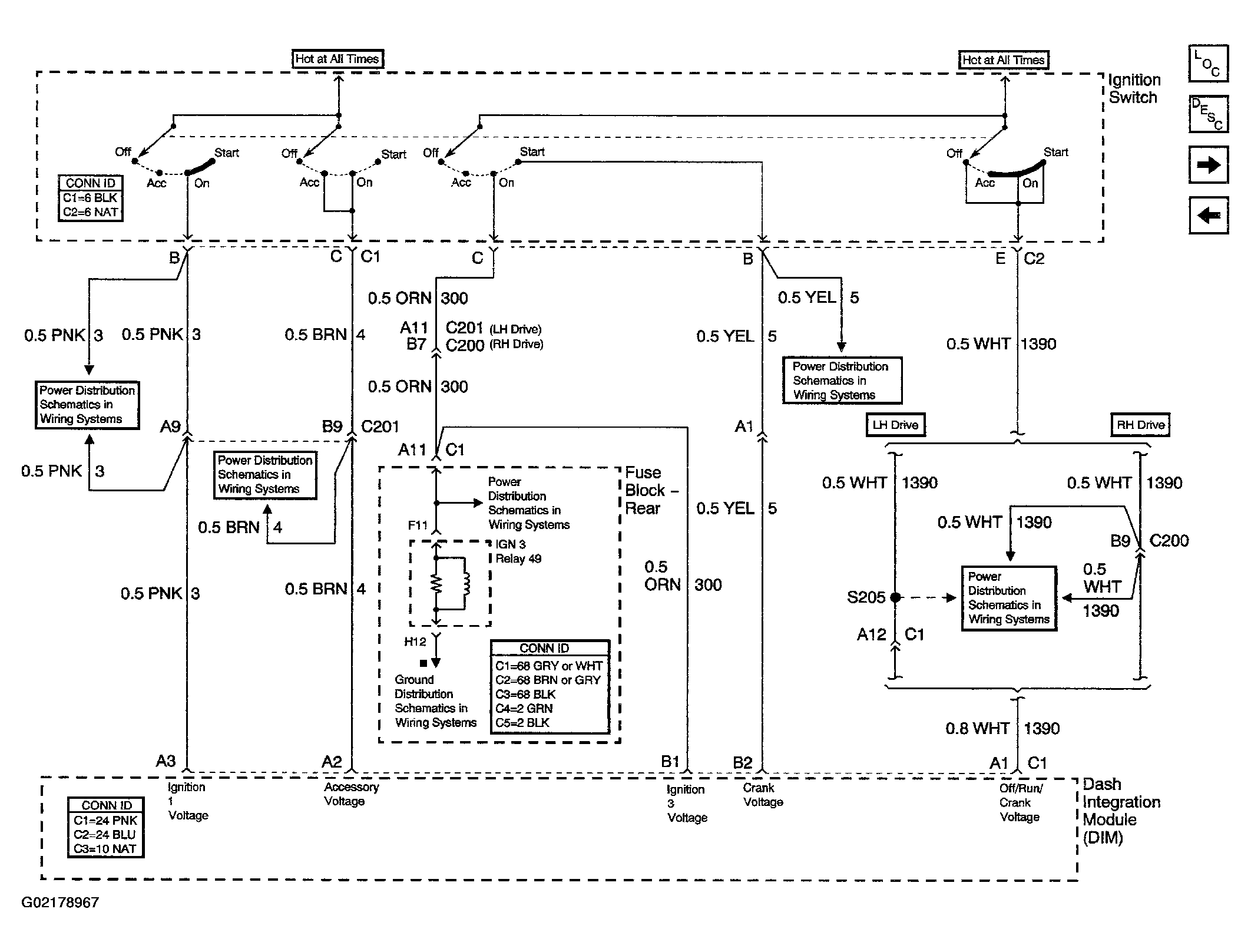
Body Control System Schematics (Dim Ignition Inputs)

Fig 1: Body Control System Schematics (Dim Ignition Inputs)
G02178967Courtesy of GENERAL MOTORS CORP.