LEMON Manuals: Even more car manuals for everyone: 1960-2025
Home >> Cadillac >> 2003 >> Seville SLS >> Repair and Diagnosis >> Engine Performance >> System >> Engine Controls - Self-Diagnostics >> Self-Diagnostic System >> Powertrain Control Module Location
April 5, 2026: LEMON Manuals is launched! Read the announcement.

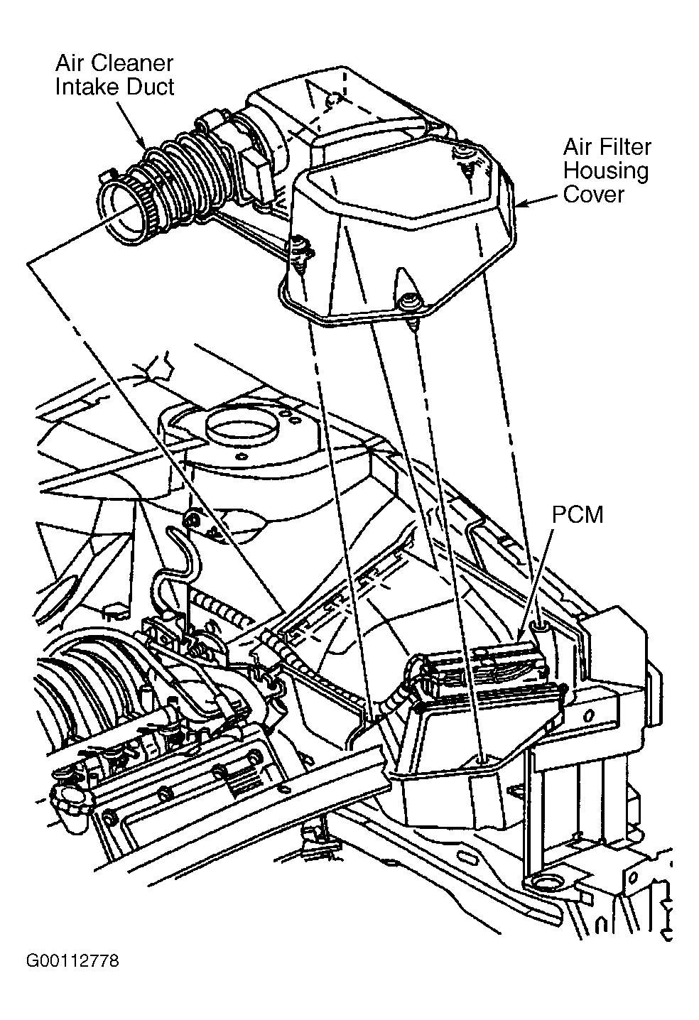
Powertrain Control Module Location

Powertrain Control Module (PCM) is located in front left side of the engine compartment, below the air cleaner. See Fig 1.

Fig 1: Locating PCM
G00112778Courtesy of GENERAL MOTORS CORP.