LEMON Manuals: Even more car manuals for everyone: 1960-2025
Home >> Cadillac >> 2006 >> CTS V >> Repair and Diagnosis >> External Pages >> Different car >> Section 455 (Object Detection System) >> Schematic and Routing Diagrams >> Object Detection Schematics
April 5, 2026: LEMON Manuals is launched! Read the announcement.

Object Detection Schematics

WARNING: This page is about a different car, the 2007 Cadillac XLR. However, it is still accessible from the selected car via links, so may be relevant.
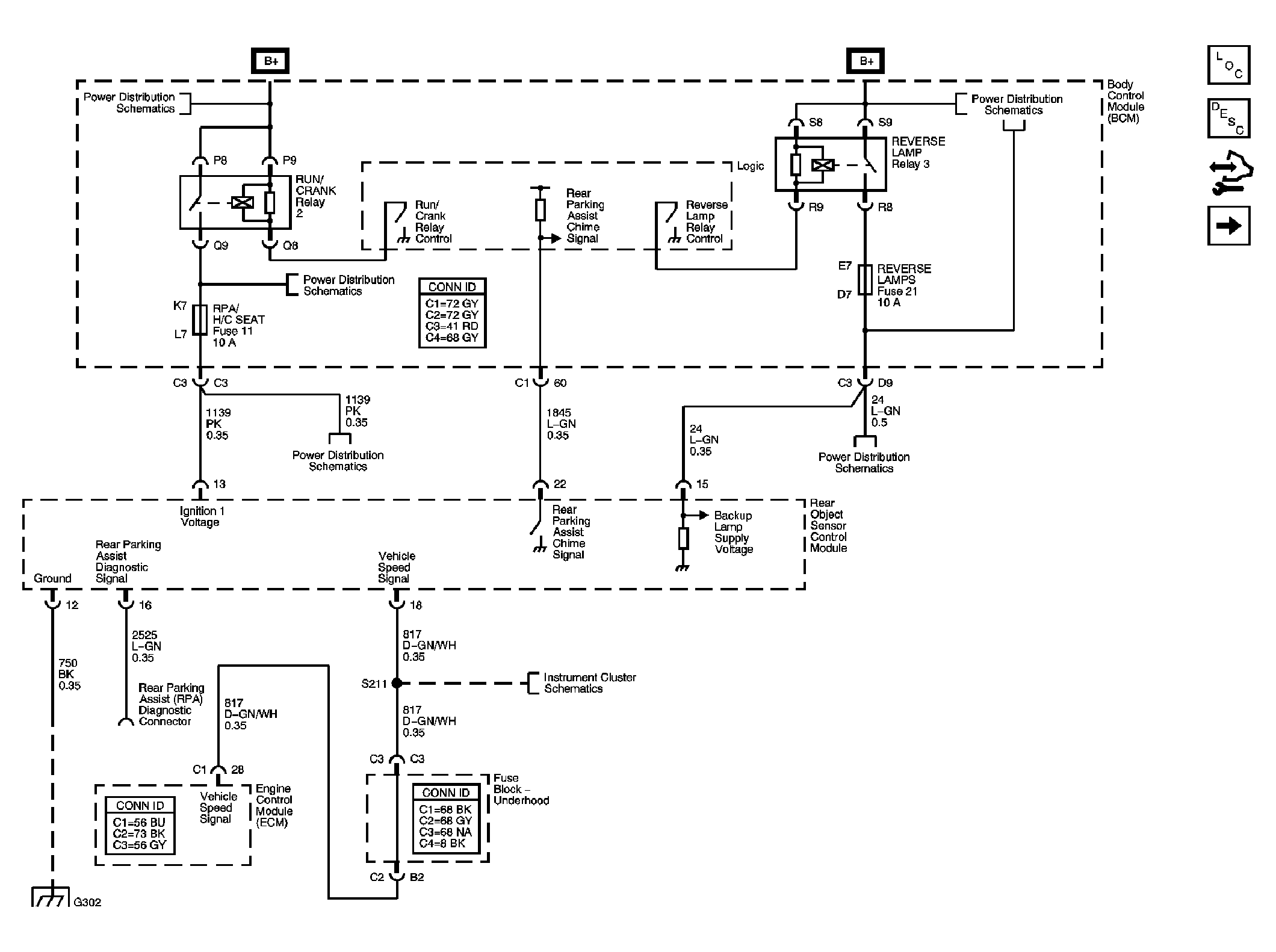
Fig 1: Power, Ground, DLC & Non-Sensor Signals Schematic
GM1757332Courtesy of GENERAL MOTORS CORP.
Fig 2: Display & Sensors Schematic
GM1757334Courtesy of GENERAL MOTORS CORP.