LEMON Manuals: Even more car manuals for everyone: 1960-2025
Home >> Cadillac >> 2007 >> Escalade EXT >> Repair and Diagnosis >> Accessories & Equipment >> Memory Modules >> Secondary And Configurable Customer Controls >> Schematic and Routing Diagrams >> Steering Wheel Secondary/Configurable Control Schematics
April 5, 2026: LEMON Manuals is launched! Read the announcement.

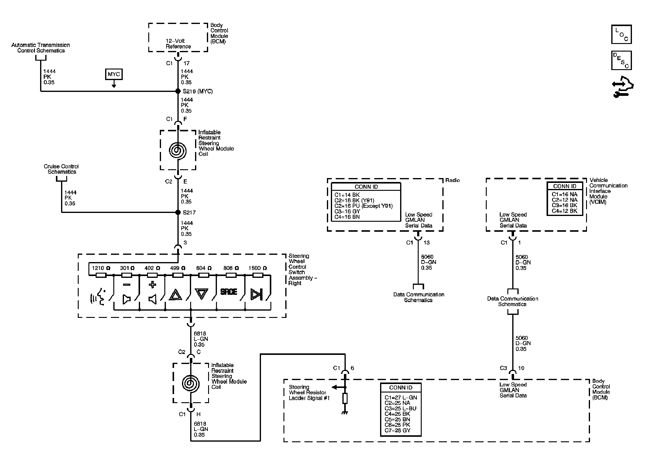
Steering Wheel Secondary/Configurable Control Schematics

Fig 1: Steering Wheel Controls
GM1701733Courtesy of GENERAL MOTORS CORP.