LEMON Manuals: Even more car manuals for everyone: 1960-2025
Home >> Cadillac >> 2007 >> Escalade EXT >> Repair and Diagnosis >> External Pages >> Different car >> Section 32 (Engine Controls - Basic Diagnostic Procedures) >> Ignition Systems >> Distributor Ignition System >> Notes
April 5, 2026: LEMON Manuals is launched! Read the announcement.

Distributor Ignition System: Notes

WARNING: This page is about a different car, the 2003 GMC Savana and 2003 Chevrolet Chevy Express. However, it is still accessible from the selected car via links, so may be relevant.
Fig 1: Locating Crankshaft Position Sensor
G00169528Courtesy of GENERAL MOTORS CORP.
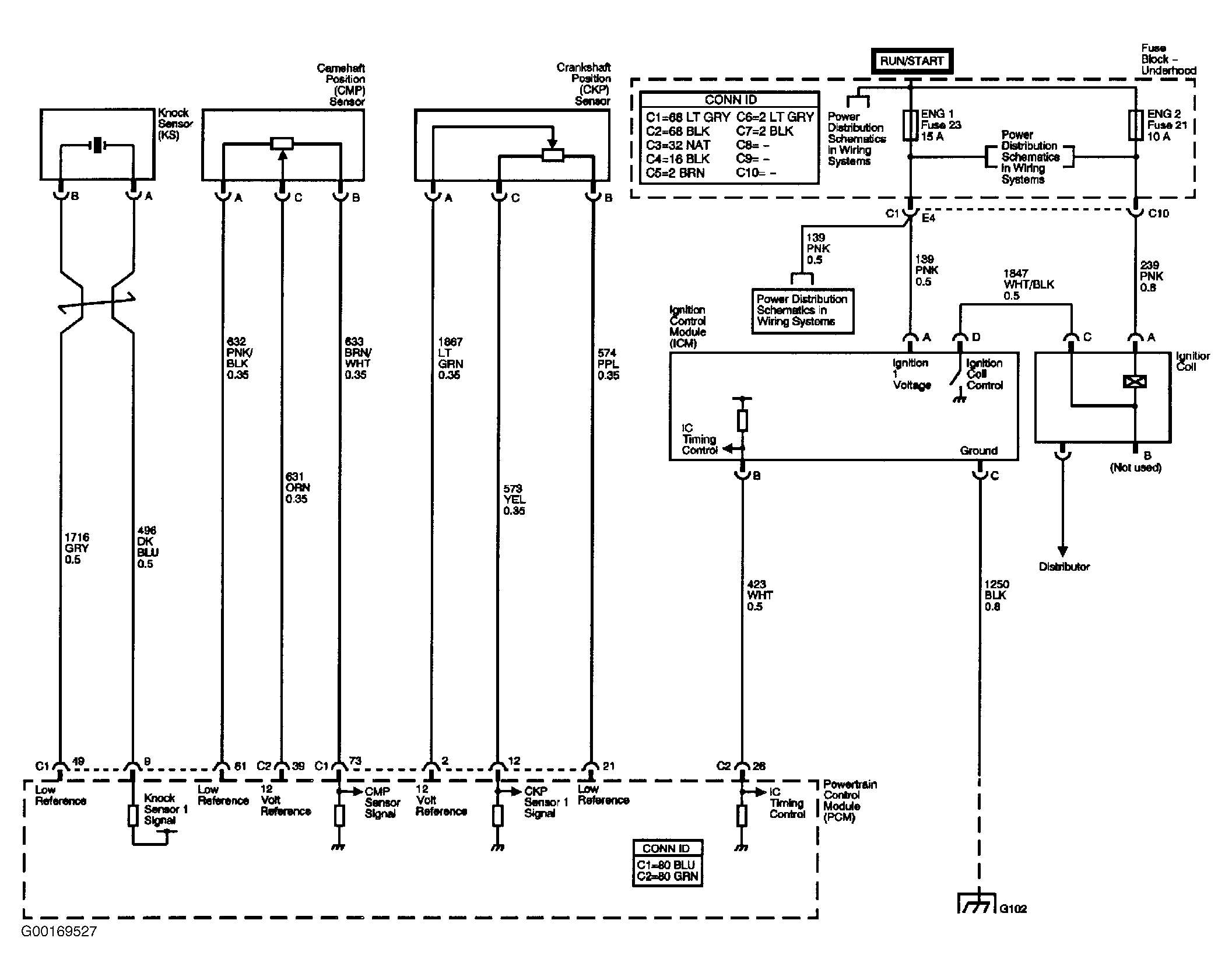
Fig 2: Ignition Control System Electrical Schematic
G00169527Courtesy of GENERAL MOTORS CORP.