LEMON Manuals: Even more car manuals for everyone: 1960-2025
Home >> Cadillac >> 2009 >> CTS V, Automatic >> Repair and Diagnosis >> Accessories & Equipment >> Collision/Avoidance >> Object Detection System >> Schematic and Routing Diagrams >> Object Detection Schematics
April 5, 2026: LEMON Manuals is launched! Read the announcement.

Object Detection Schematics

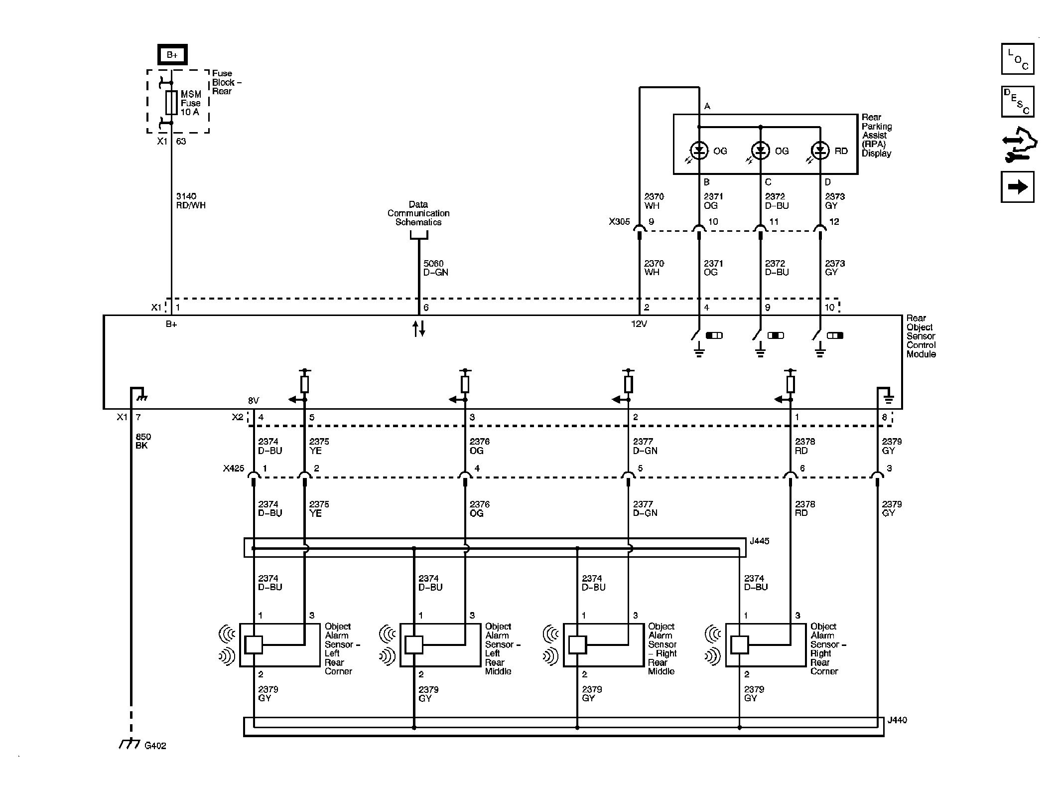
Fig 1: UD7
GM2077291Courtesy of GENERAL MOTORS CORP.
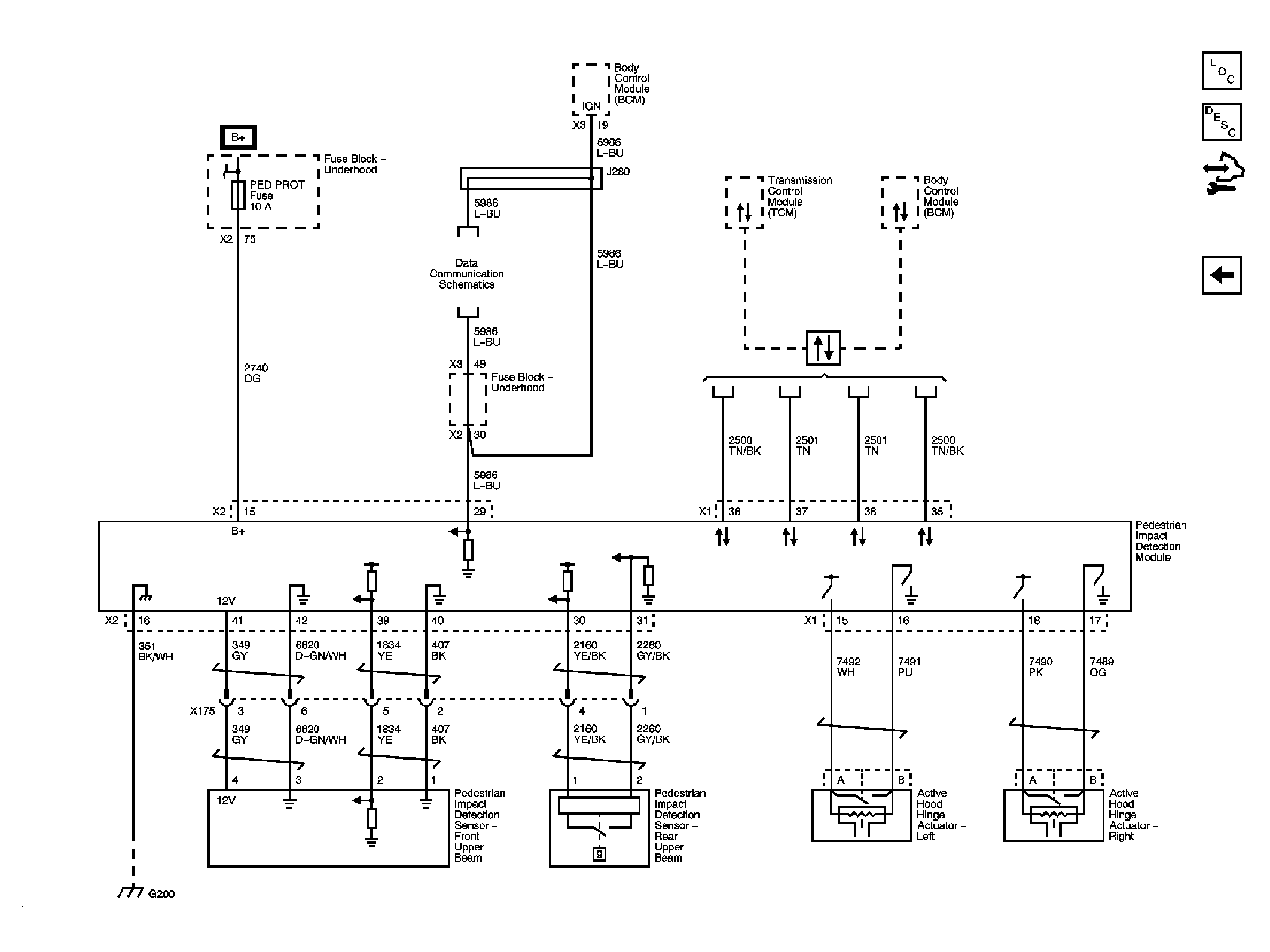
Fig 2: Pedestrian Impact Detection System -B37
GM2077292Courtesy of GENERAL MOTORS CORP.