LEMON Manuals: Even more car manuals for everyone: 1960-2025
Home >> Cadillac >> 2009 >> Escalade EXT >> Repair and Diagnosis >> Accessories & Equipment >> Entertainment Systems >> Cellular System, Entertainment System & Navigation System >> Schematic and Routing Diagrams >> Radio/Navigation System Schematics
April 5, 2026: LEMON Manuals is launched! Read the announcement.

Radio/Navigation System Schematics

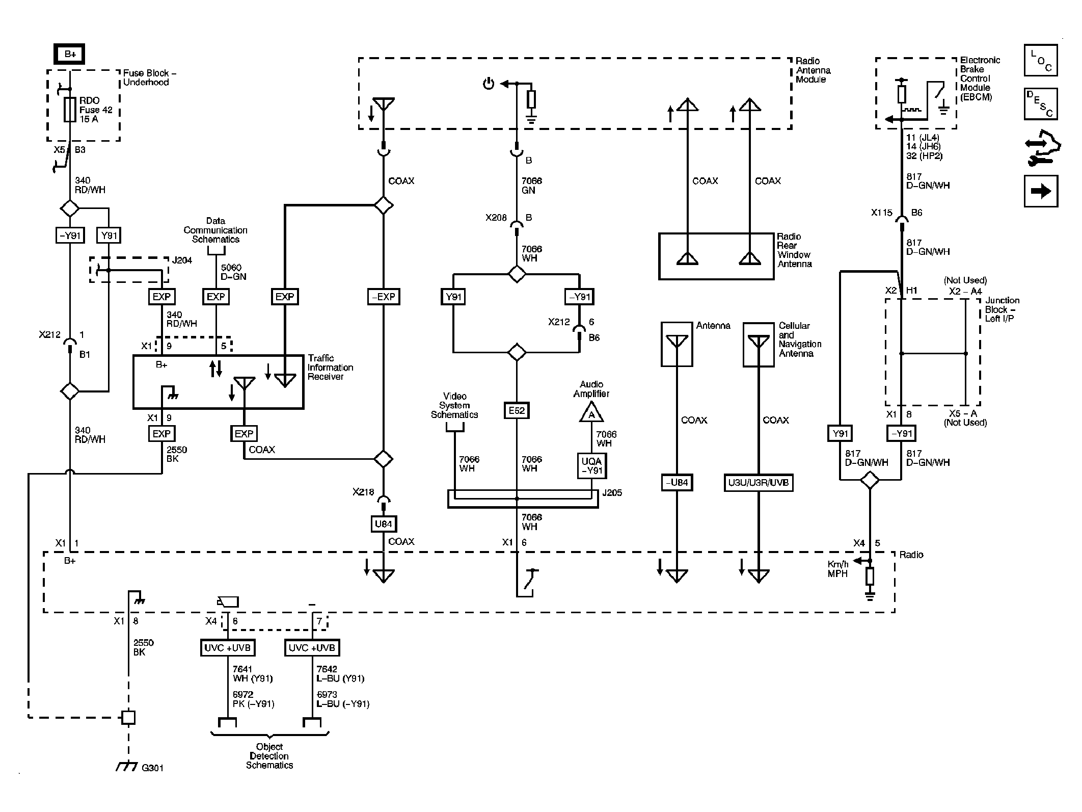
Fig 1: Radio Power, Ground, Serial Data, and Antenna Signals
GM2075292Courtesy of GENERAL MOTORS CORP.
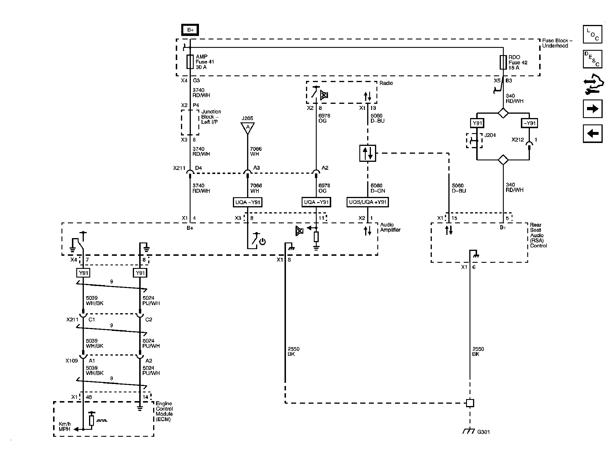
Fig 2: Amplifier (UQA or UQS) and Rear Seat Audio (UK6) Power, Ground, and Serial Data
GM2075296Courtesy of GENERAL MOTORS CORP.
Fig 3: Amplifier Inputs - UQA/UQS
GM2075298Courtesy of GENERAL MOTORS CORP.
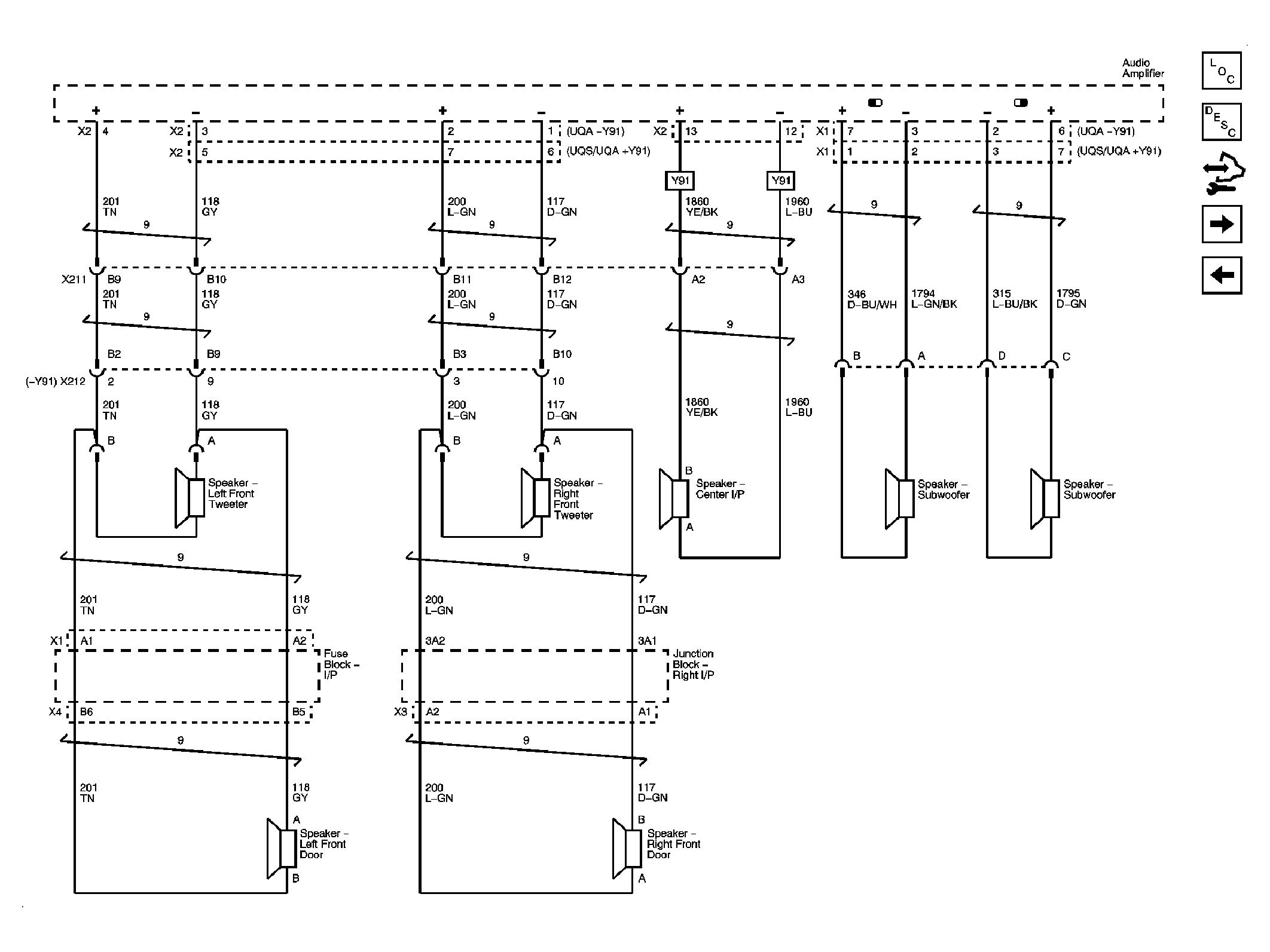
Fig 4: Front Speakers - UQ3
GM2075300Courtesy of GENERAL MOTORS CORP.
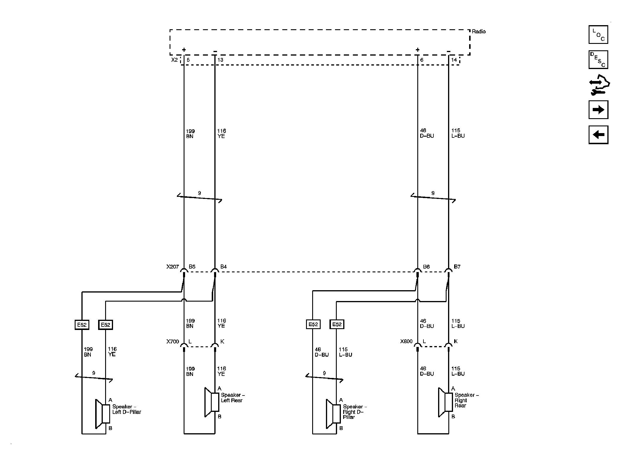
Fig 5: Rear Speakers UQ3 Except UK6
GM2075302Courtesy of GENERAL MOTORS CORP.
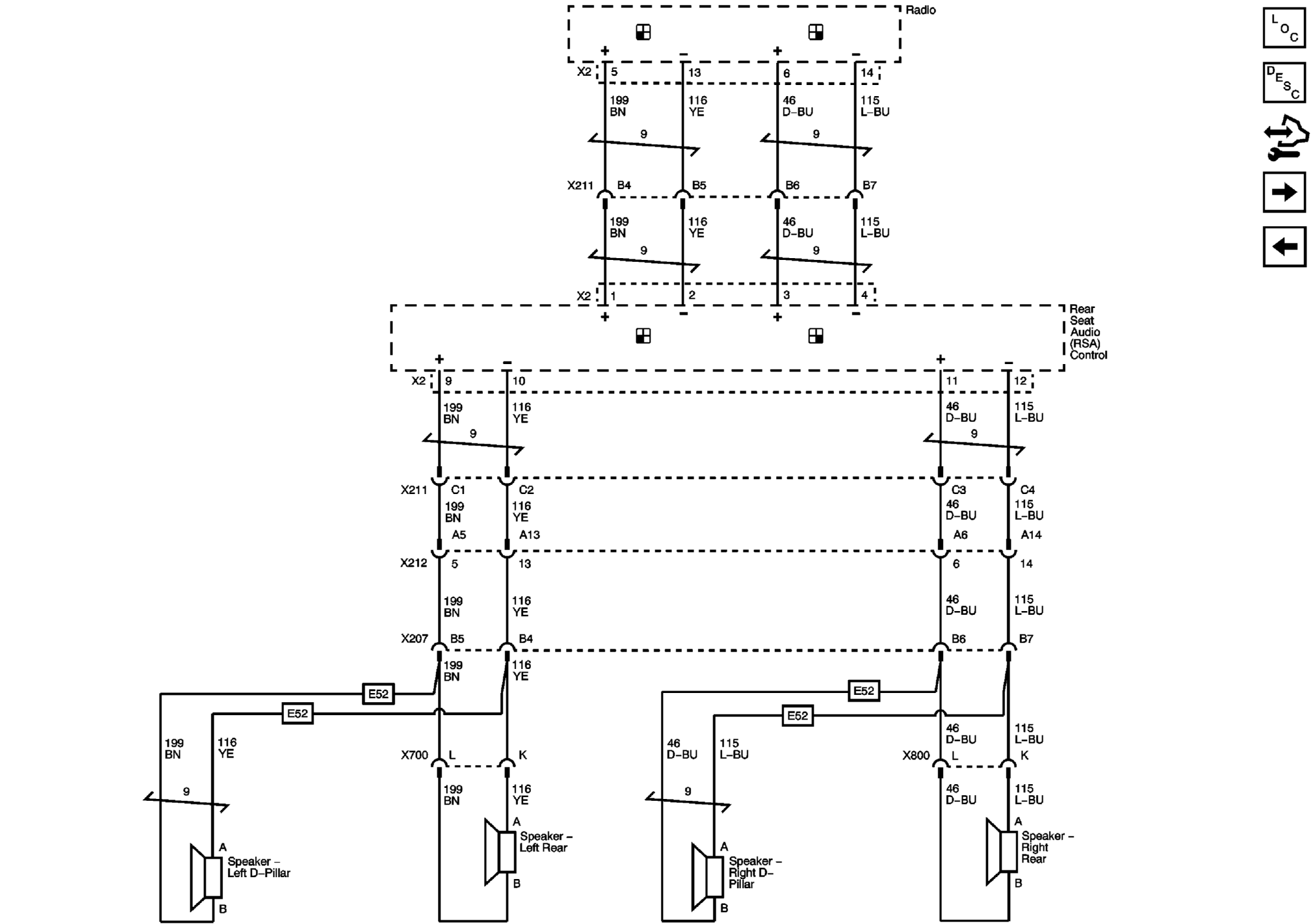
Fig 6: Rear Speakers - UQ3 with UK6
GM2075305Courtesy of GENERAL MOTORS CORP.
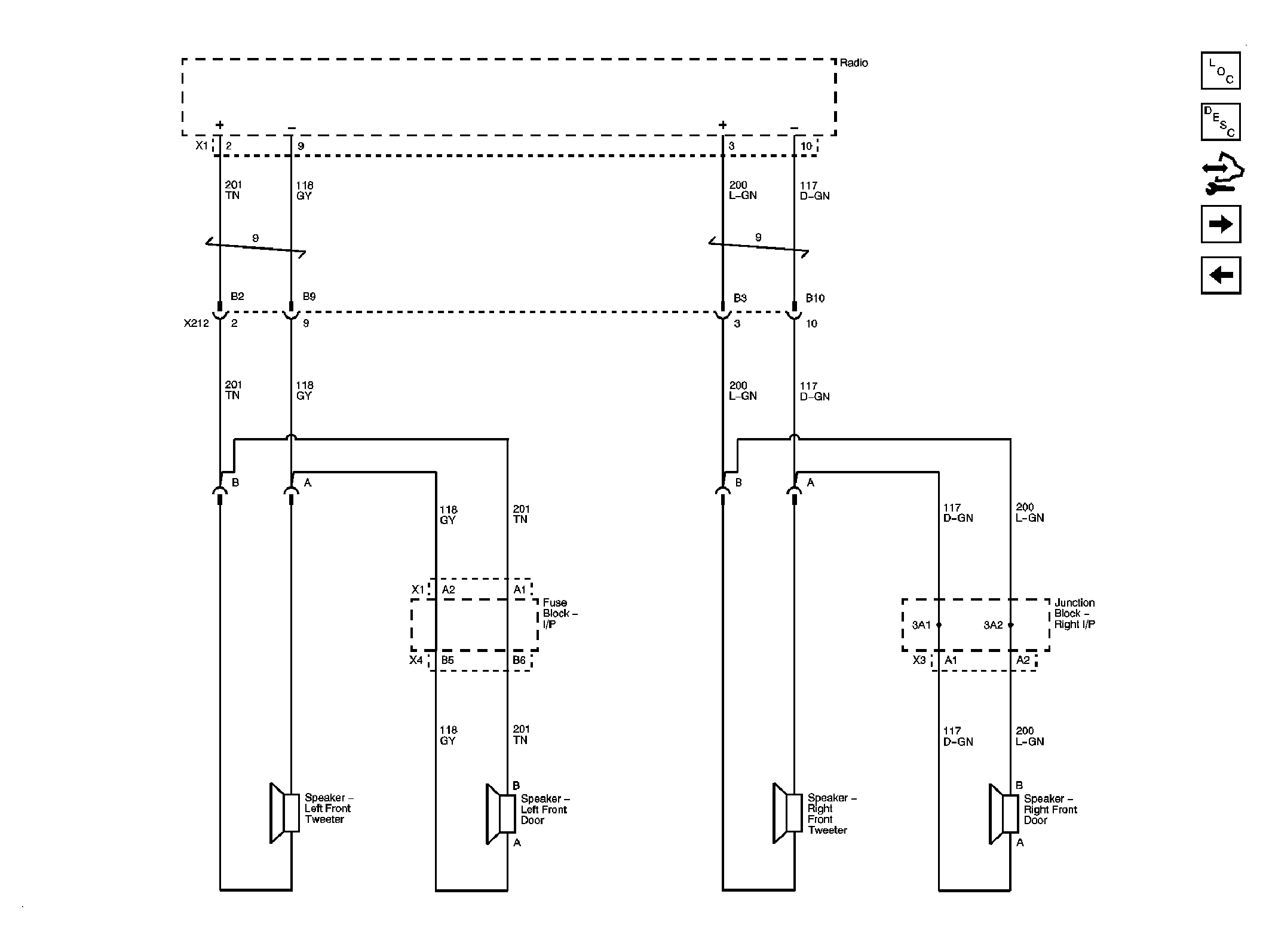
Fig 7: Front Speakers - UQA/UQS
GM2075307Courtesy of GENERAL MOTORS CORP.
Fig 8: Rear Speakers - UQA
GM2075309Courtesy of GENERAL MOTORS CORP.
Fig 9: Rear Speakers - UQS
GM2075311Courtesy of GENERAL MOTORS CORP.
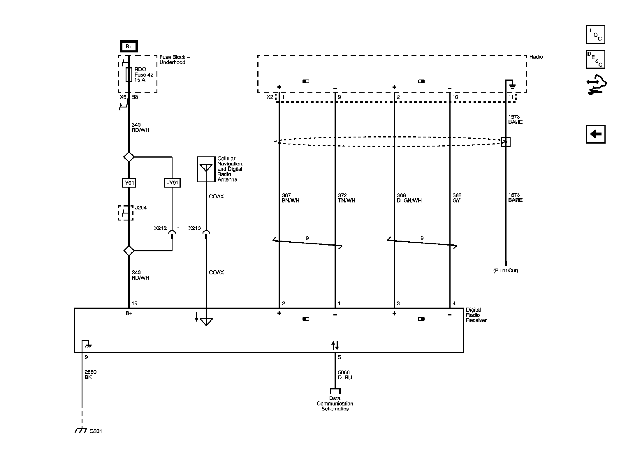
Fig 10: Digital Radio Receiver - U2K
GM2075314Courtesy of GENERAL MOTORS CORP.