LEMON Manuals: Even more car manuals for everyone: 1960-2025
Home >> Cadillac >> 2009 >> Escalade EXT >> Repair and Diagnosis >> External Pages >> Different car >> Section 244 (Cellular Systems, Entertainment Systems & Navigation Systems) >> Schematic and Routing Diagrams >> Video System Schematics
April 5, 2026: LEMON Manuals is launched! Read the announcement.

Video System Schematics

WARNING: This page does not describe the selected car, but rather 8 other vehicles, including the 2010 GMC Yukon XL, 2010 GMC Yukon, 2010 Chevrolet Tahoe, 2010 Chevrolet Suburban, and 2010 Chevrolet Avalanche. However, it is still accessible from the selected car via links, so may be relevant.
Fig 1: Display Power and Ground
GM2241604Courtesy of GENERAL MOTORS CORP.
Fig 2: Video Signals
GM2241606Courtesy of GENERAL MOTORS CORP.
Fig 3: Video Splitter Power, Ground and Video Input (X88 or Z88, with DNU)
GM2241619Courtesy of GENERAL MOTORS CORP.
Fig 4: Video Signals (X88 or Z88, with DNU)
GM2241620Courtesy of GENERAL MOTORS CORP.
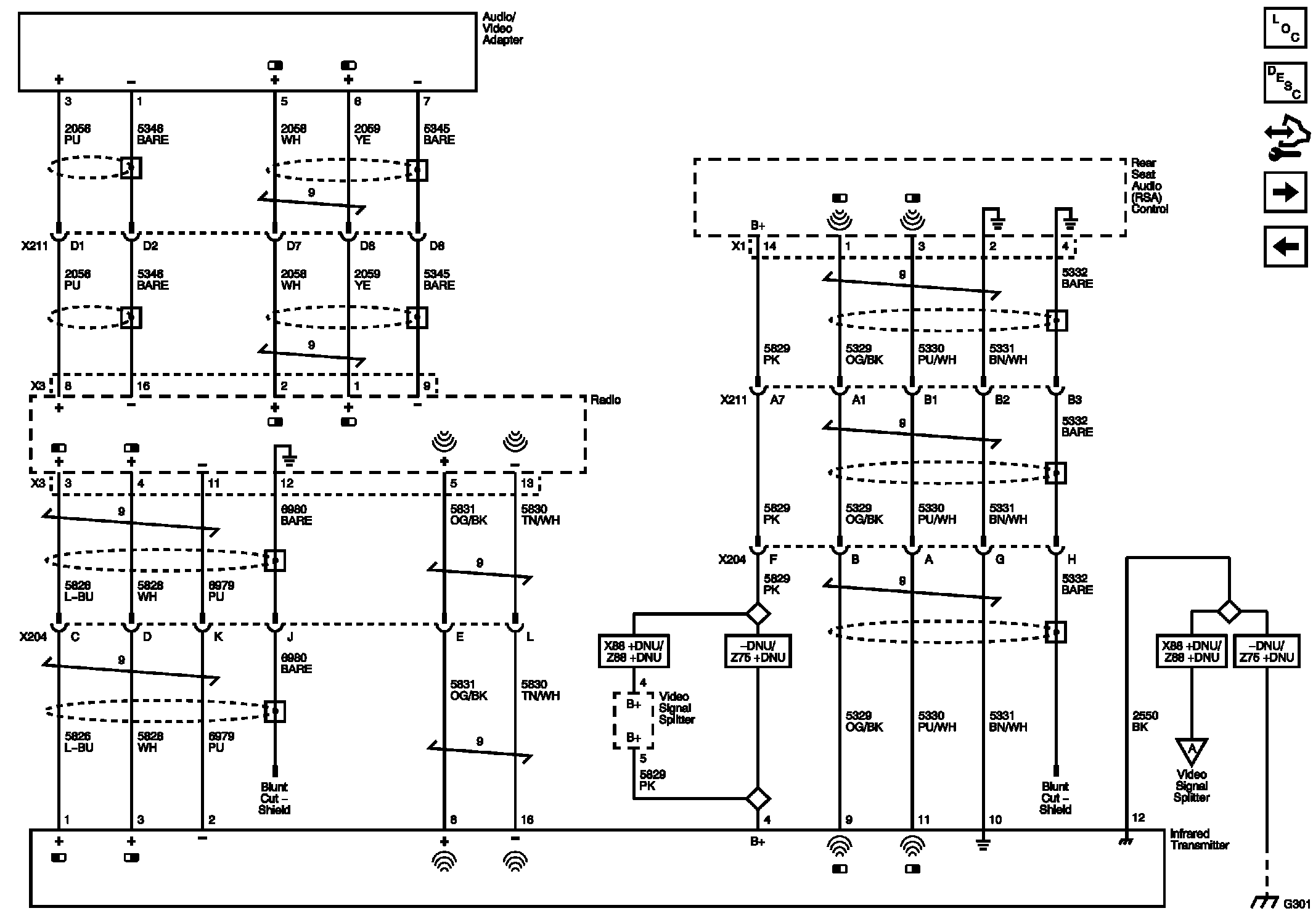
Fig 5: Audio Signals
GM2241607Courtesy of GENERAL MOTORS CORP.
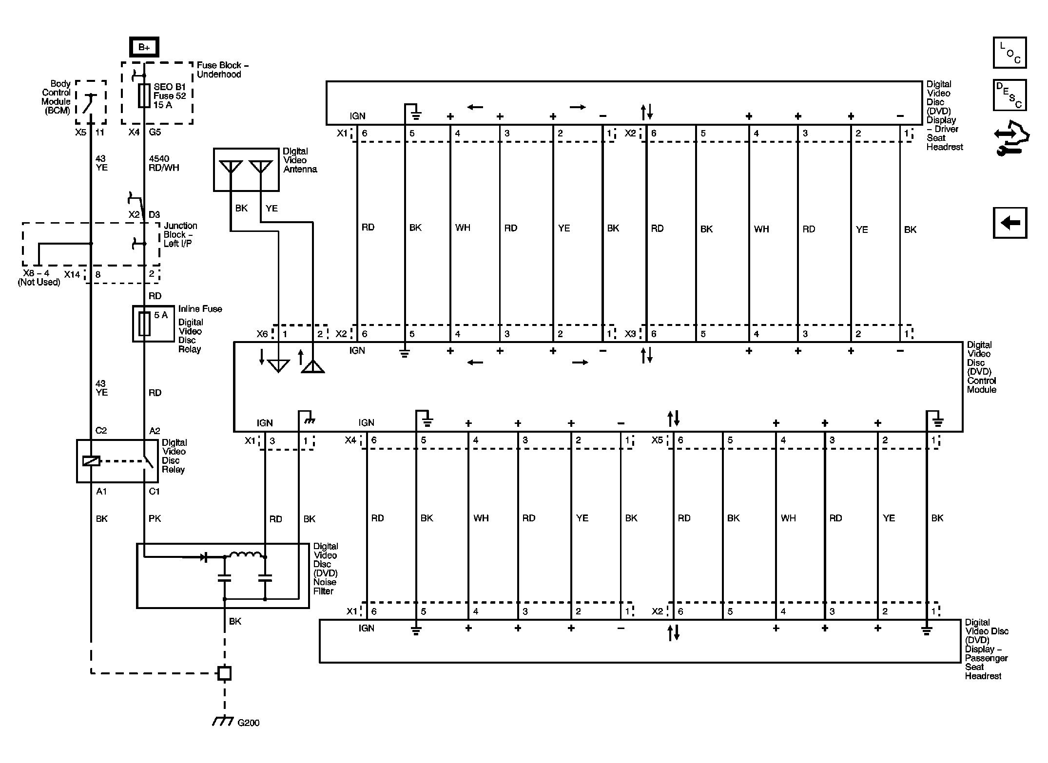
Fig 6: Dual DVD Headrest System (SPO Accessory - Headrest DVD)
GM2241608Courtesy of GENERAL MOTORS CORP.
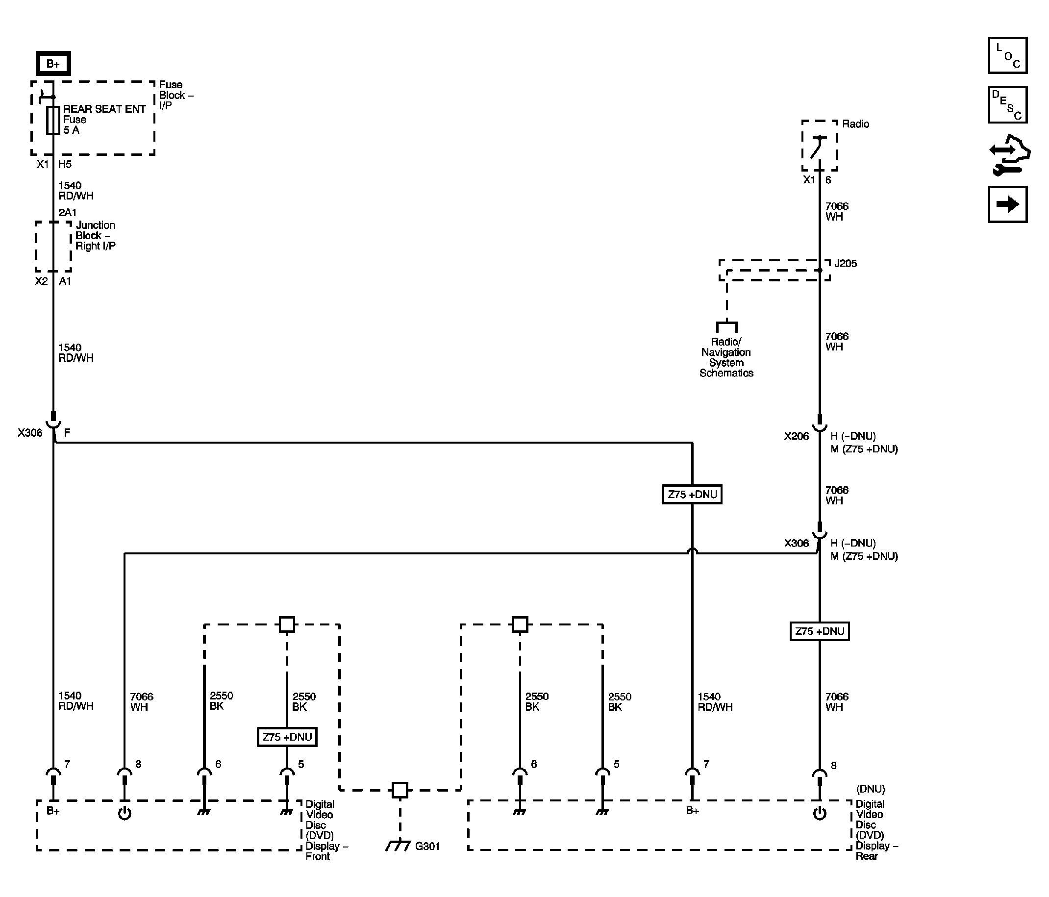
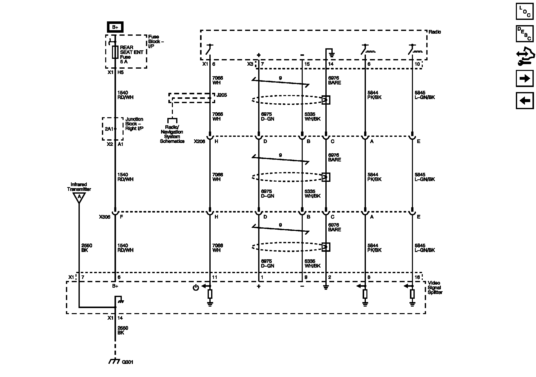
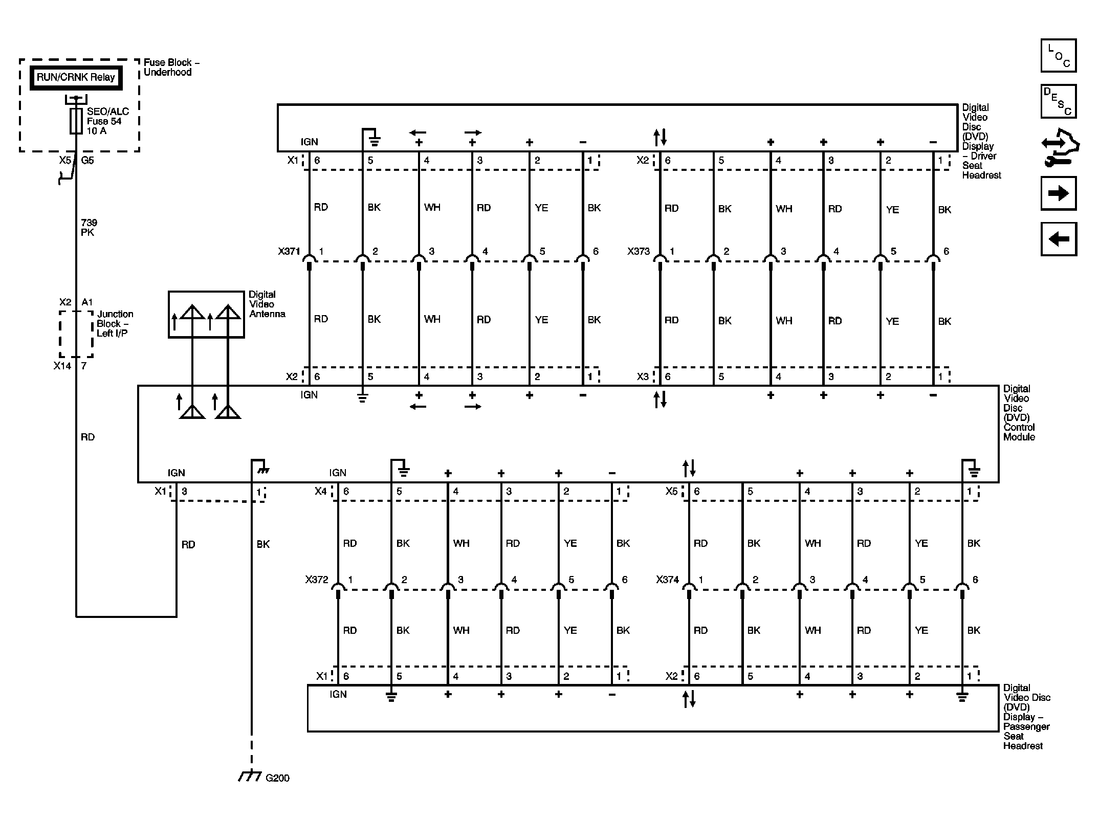
Fig 7: Dual DVD Headrest System (AYE)
GM2241622Courtesy of GENERAL MOTORS CORP.