LEMON Manuals: Even more car manuals for everyone: 1960-2025
Home >> Cadillac >> 2009 >> SRX 3.6 7, AWD >> Repair and Diagnosis >> Engine Performance >> System >> Data Communication System >> Schematic and Routing Diagrams >> Body Control System Schematics
April 5, 2026: LEMON Manuals is launched! Read the announcement.

Body Control System Schematics

Fig 1: BCM Power, Ground, and Serial Data Schematic
GM2063391Courtesy of GENERAL MOTORS CORP.
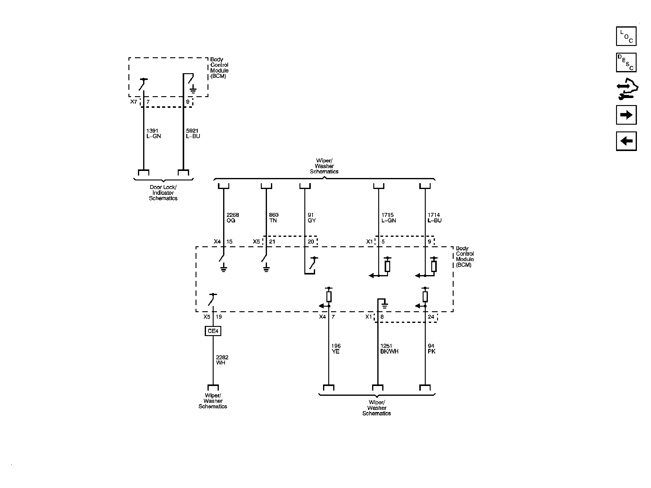
Fig 2: BCM Inputs and Outputs Schematic 1 of 4
GM2063393Courtesy of GENERAL MOTORS CORP.
Fig 3: BCM Inputs and Outputs Schematic 2 of 4
GM2063395Courtesy of GENERAL MOTORS CORP.
Fig 4: BCM Inputs and Outputs Schematic 3 of 4
GM2063397Courtesy of GENERAL MOTORS CORP.
Fig 5: BCM Inputs and Outputs Schematic 4 of 4
GM2063399Courtesy of GENERAL MOTORS CORP.
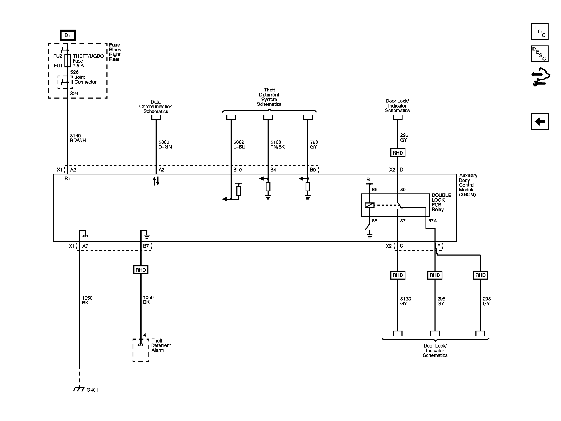
Fig 6: Rear Body Control Module References (EXP with UTA/UTC) Schematic
GM2063403Courtesy of GENERAL MOTORS CORP.