LEMON Manuals: Even more car manuals for everyone: 1960-2025
Home >> Cadillac >> 2010 >> CTS Luxury >> Repair and Diagnosis >> Accessories & Equipment >> Drivers Assistance Systems - ADAS >> Object Detection System >> Schematic and Routing Diagrams >> Object Detection Schematics
April 5, 2026: LEMON Manuals is launched! Read the announcement.

Object Detection Schematics

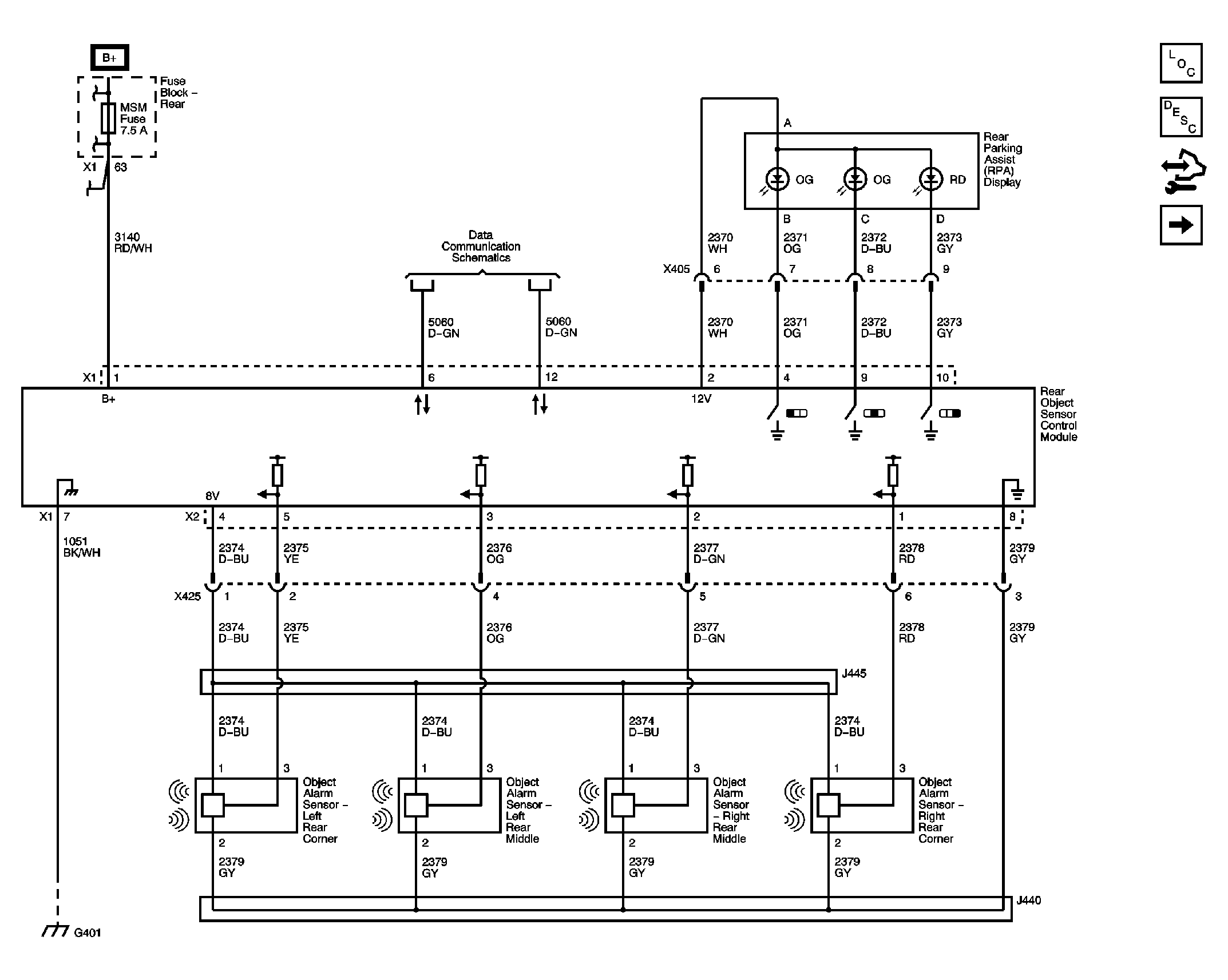
Fig 1: Rear Park Assist (UD7)
GM2219749Courtesy of GENERAL MOTORS CORP.
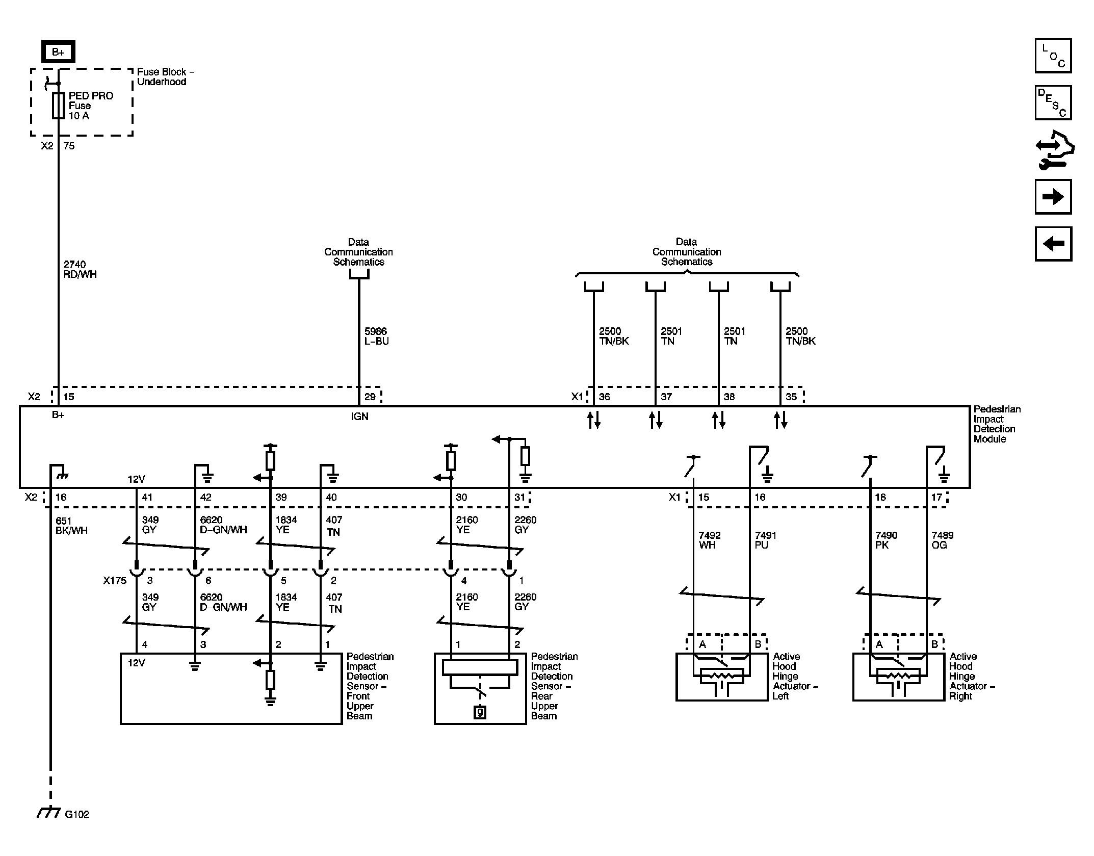
Fig 2: Pedestrian Impact Detection System (B3T)
GM2219751Courtesy of GENERAL MOTORS CORP.
Fig 3: Rearview Camera (UVC)
GM2220388Courtesy of GENERAL MOTORS CORP.