LEMON Manuals: Even more car manuals for everyone: 1960-2025
Home >> Cadillac >> 2010 >> Escalade EXT >> Repair and Diagnosis >> External Pages >> Different car >> Section 8 (Cellular System, Entertainment System, And Navigation System) >> Schematic and Routing Diagrams >> Radio/Navigation System Schematics
April 5, 2026: LEMON Manuals is launched! Read the announcement.

Radio/Navigation System Schematics

WARNING: This page does not describe the selected car, but rather 8 other vehicles, including the 2007 GMC Yukon XL, 2007 GMC Yukon, 2007 Chevrolet Tahoe, 2007 Chevrolet Suburban, and 2007 Chevrolet Avalanche. However, it is still accessible from the selected car via links, so may be relevant.
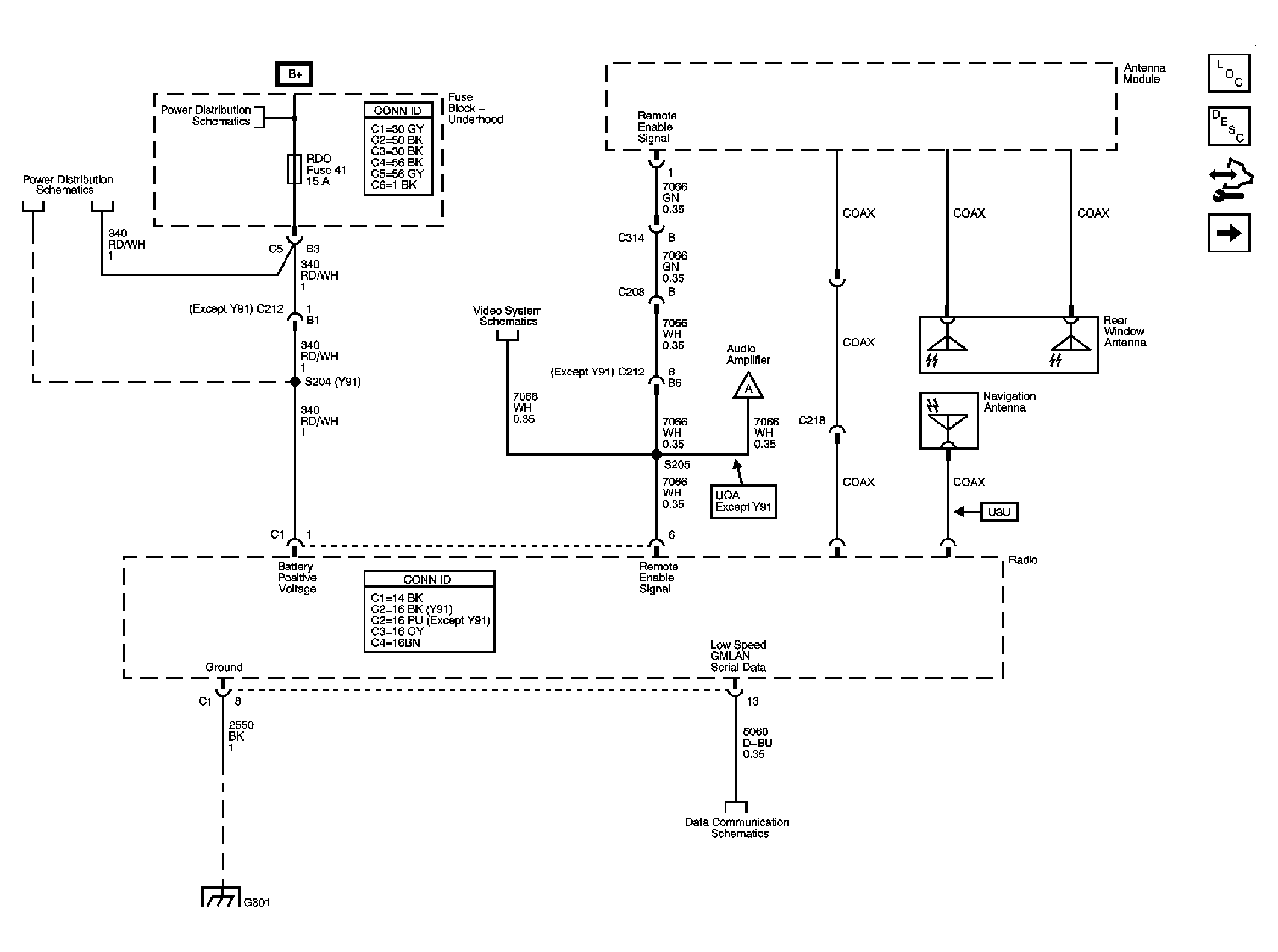
Fig 1: Radio Power, Ground, Serial Data, & Antenna Signals Schematic
GM1705904Courtesy of GENERAL MOTORS CORP.
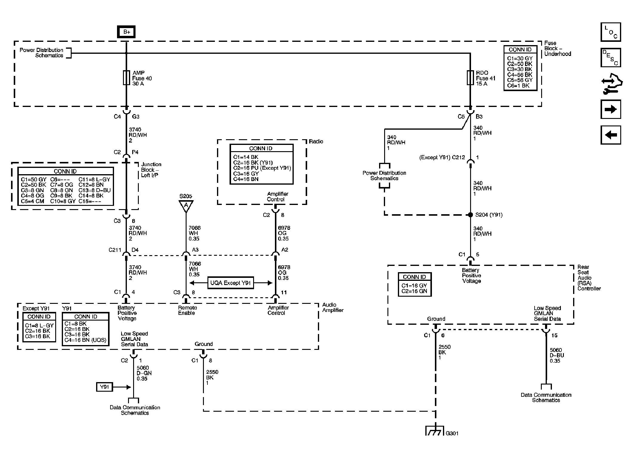
Fig 2: Amplifier (UQA/UQS) & Rear Seat Audio (UK6) Power, Ground, & Serial Data Schematic
GM1705910Courtesy of GENERAL MOTORS CORP.
Fig 3: Amplifier Inputs - UQA/UQS Schematic
GM1705925Courtesy of GENERAL MOTORS CORP.
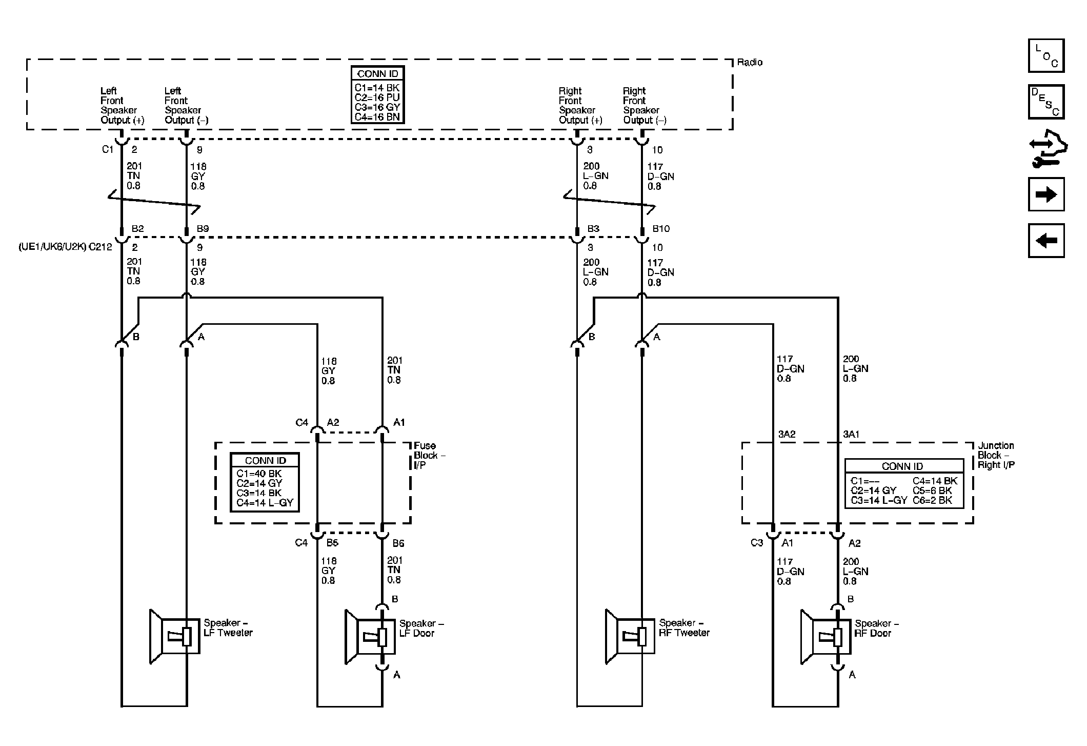
Fig 4: Front Speakers - UQ3 Schematic
GM1705926Courtesy of GENERAL MOTORS CORP.
Fig 5: Rear Speakers - UQ3 Except UK6 Schematic
GM1705930Courtesy of GENERAL MOTORS CORP.
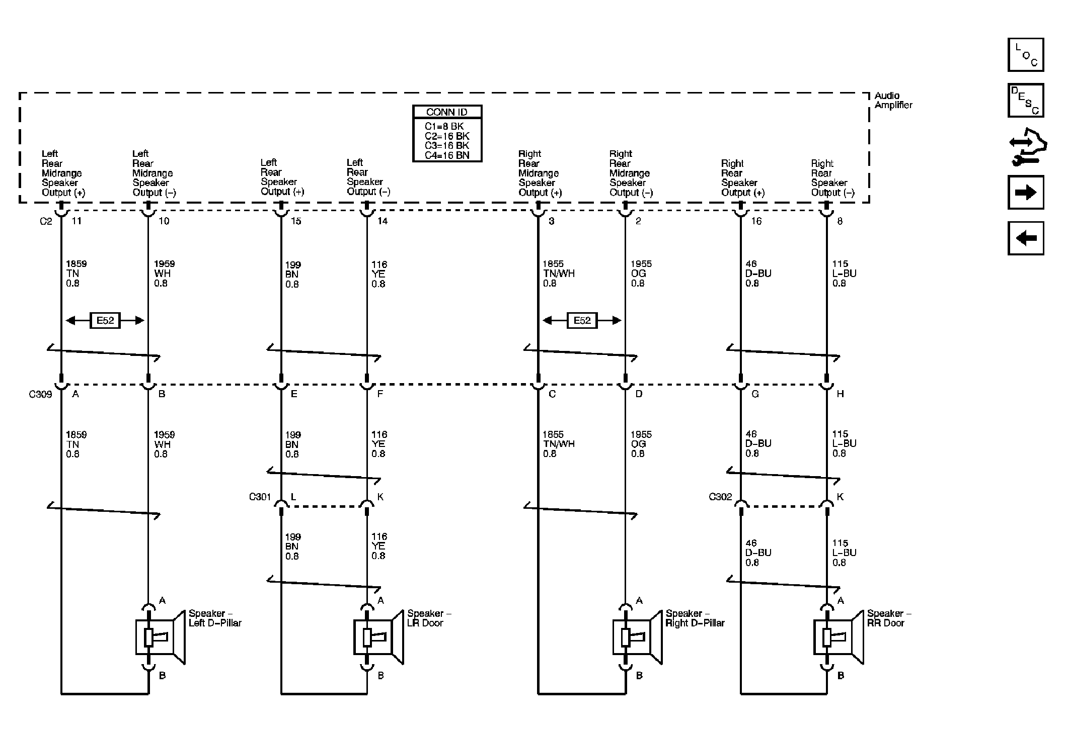
Fig 6: Rear Speakers - UQ3 w/UK6 Schematic
GM1705933Courtesy of GENERAL MOTORS CORP.
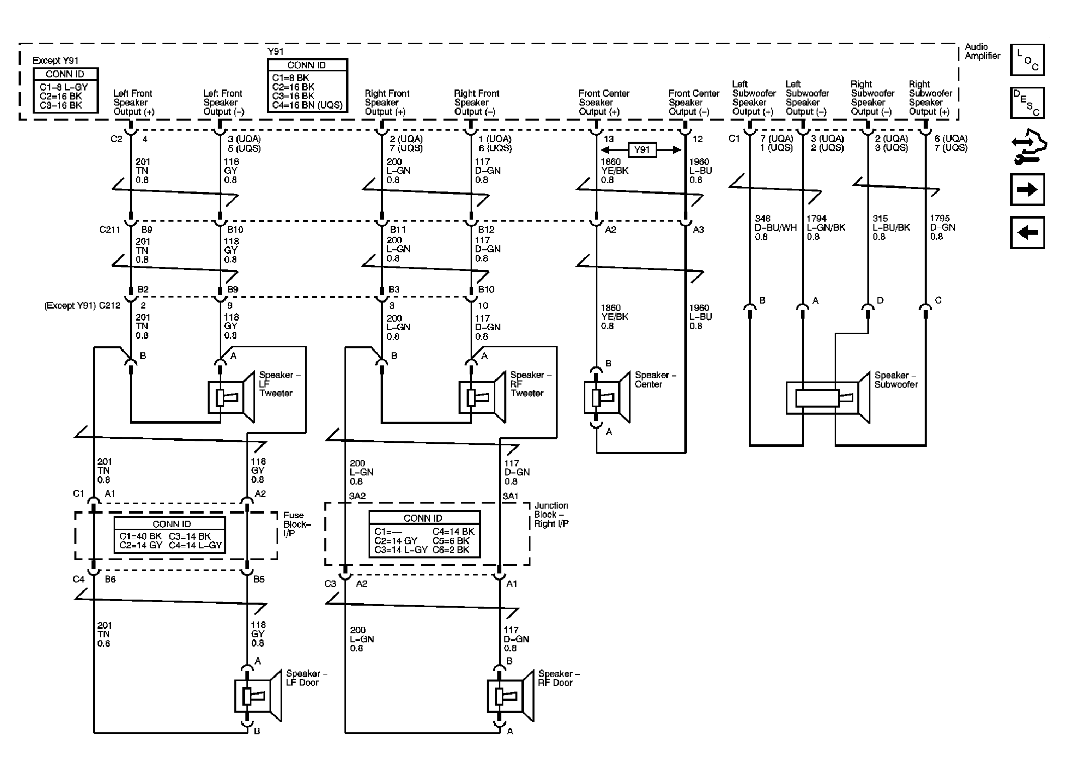
Fig 7: Front Speakers - UQA/UQS Schematic
GM1705935Courtesy of GENERAL MOTORS CORP.
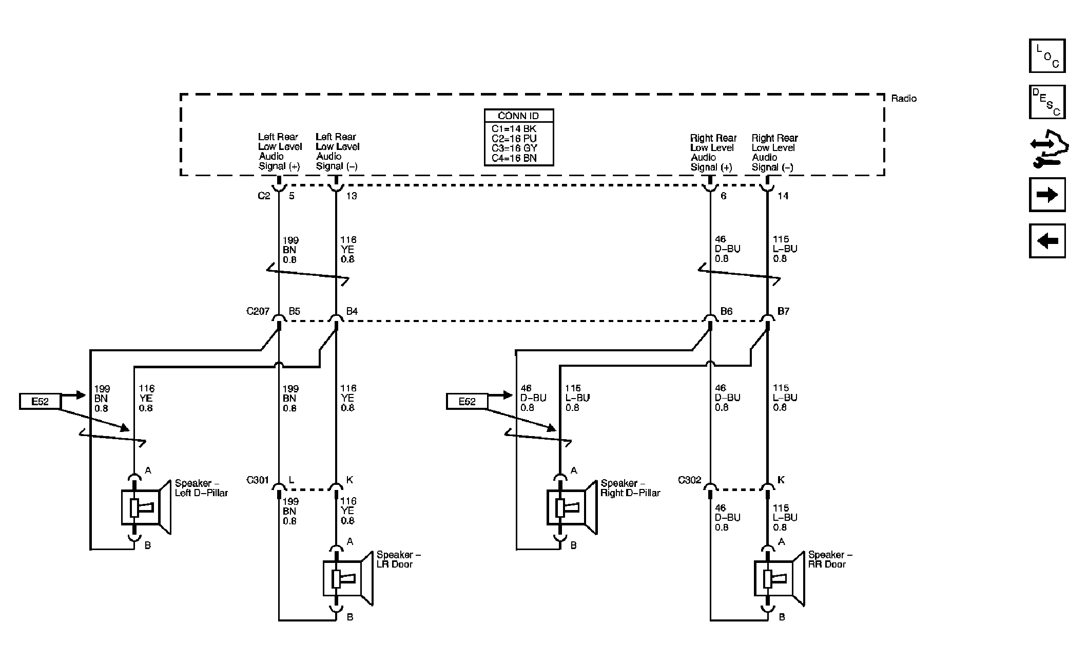
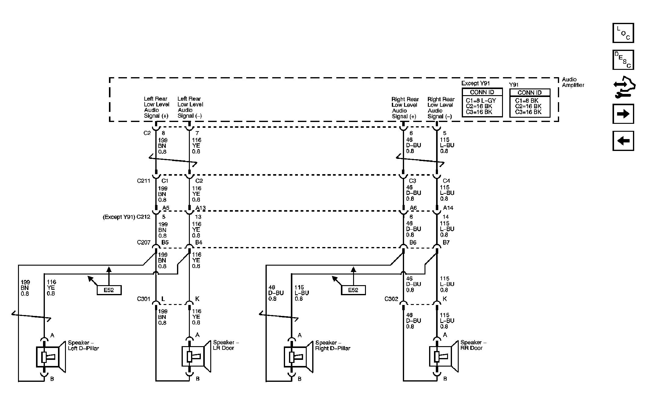
Fig 8: Rear Speakers - UQA Schematic
GM1705949Courtesy of GENERAL MOTORS CORP.
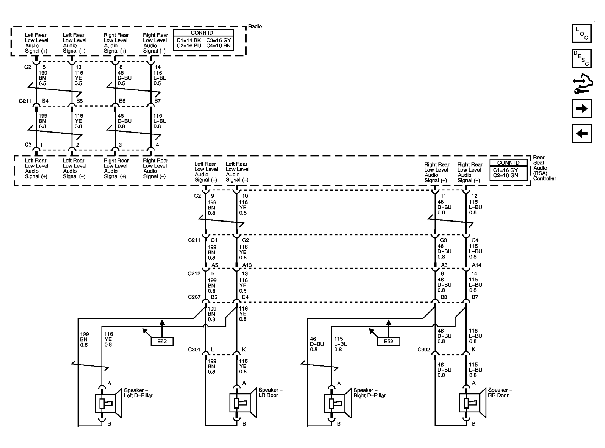
Fig 9: Rear Speakers - UQS Schematic
GM1806936Courtesy of GENERAL MOTORS CORP.
Fig 10: Digital Radio Receiver - U2K Schematic
GM1705951Courtesy of GENERAL MOTORS CORP.