LEMON Manuals: Even more car manuals for everyone: 1960-2025
Home >> Cadillac >> 2011 >> Escalade EXT >> Repair and Diagnosis >> Engine Performance >> System >> Data Communications System >> Wiring Schematics >> Data Communication Wiring Schematics >> Serial Data Gateway Module (HP2)
April 5, 2026: LEMON Manuals is launched! Read the announcement.

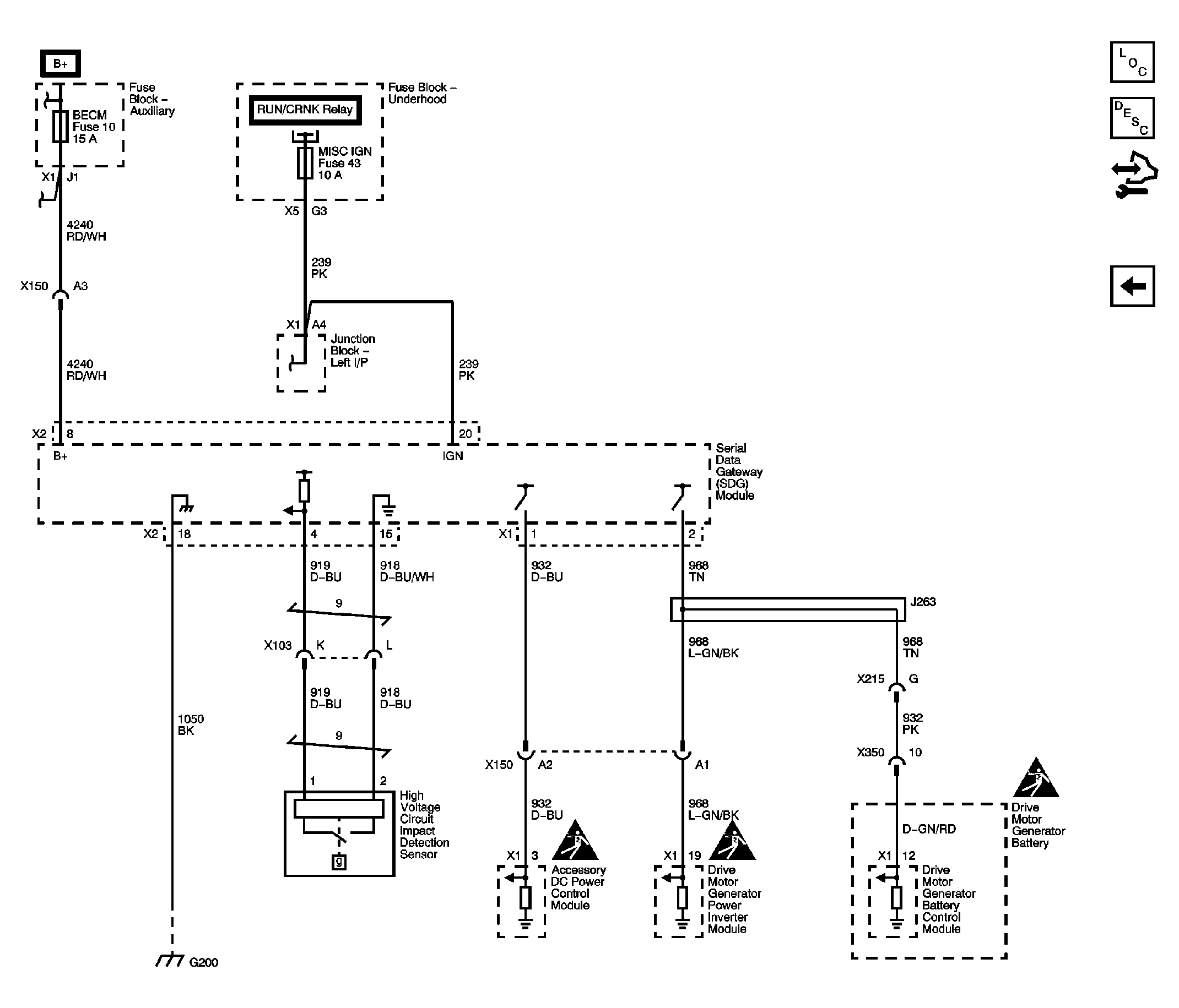
Serial Data Gateway Module (HP2)

Fig 1: Serial Data Gateway Module (HP2) Wiring Schematic
GM2398343Courtesy of GENERAL MOTORS CORP.