LEMON Manuals
: Even more car manuals for everyone: 1960-2025
Home
>>
Cadillac
>>
2012
>>
SRX AWD
>>
Repair and Diagnosis (Single Page)
>>
Accessories & Equipment
>>
Entertainment Systems
>>
Cellular System, Entertainment System, And Navigation System
>>
Wiring Schematics
>>
Radio/Navigation System Wiring Schematics
>>
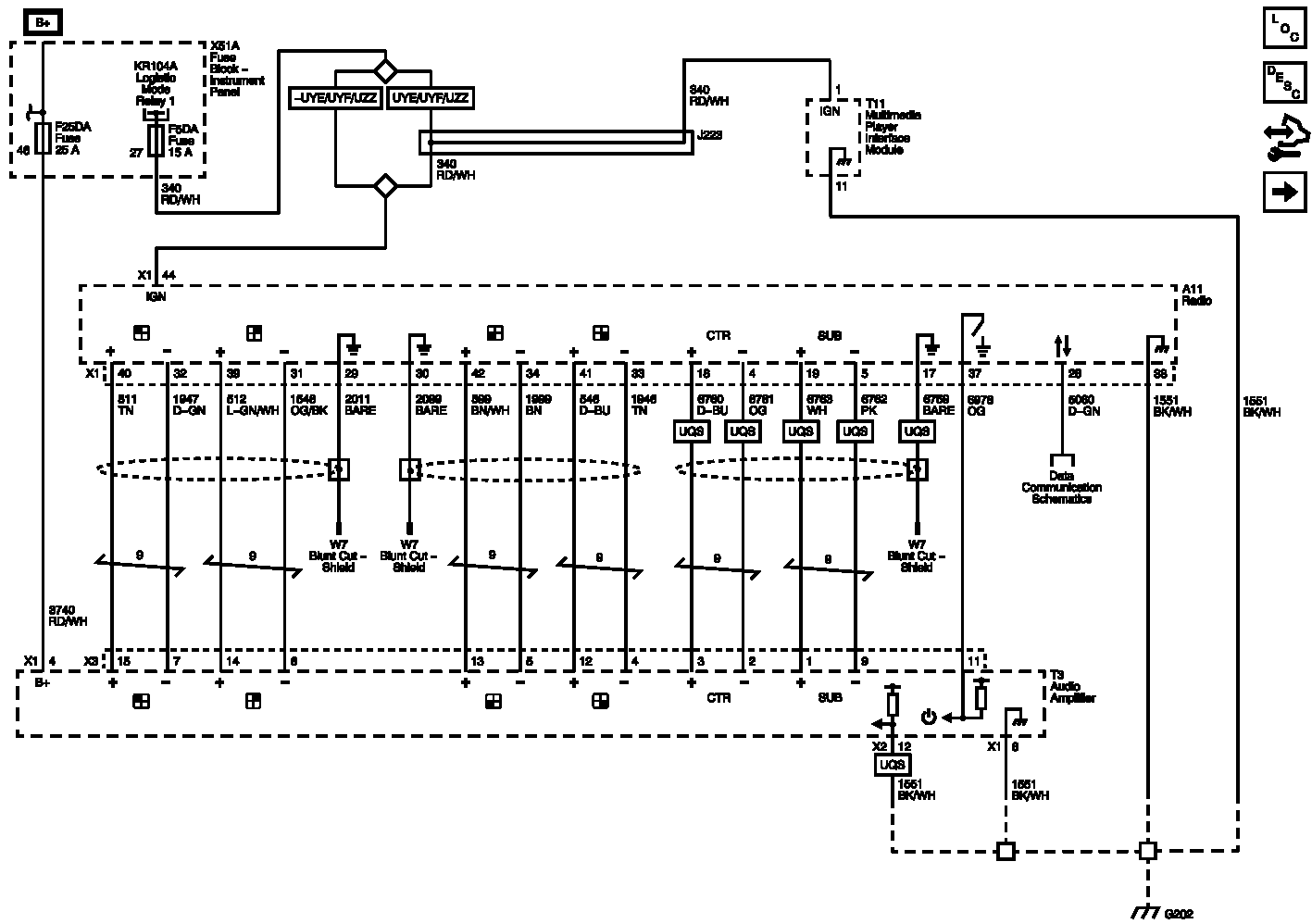
Radio, Amplifier, and Multimedia Player Interface Module Power, Ground and Data Communication
April 5, 2026:
LEMON Manuals is launched!
Read the announcement.
Radio, Amplifier, and Multimedia Player Interface Module Power, Ground and Data Communication
Fig 1: Radio, Amplifier, and Multimedia Player Interface Module Power, Ground and Data Communication Wiring Schematic
Courtesy of GENERAL MOTORS COMPANY