LEMON Manuals: Even more car manuals for everyone: 1960-2025
Home >> Cadillac >> 2012 >> SRX FWD >> Repair and Diagnosis >> Accessories & Equipment >> Entertainment Systems >> Cellular System, Entertainment System, And Navigation System >> Wiring Schematics >> Radio/Navigation System Wiring Schematics >> Radio Display without Navigation
April 5, 2026: LEMON Manuals is launched! Read the announcement.

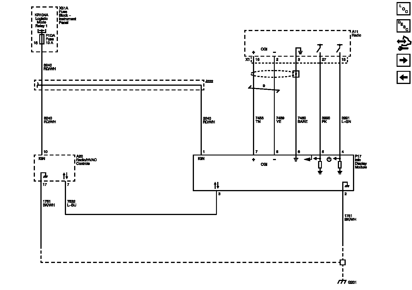
Radio Display without Navigation

Fig 1: Radio Display without Navigation Wiring Schematic
GM2624915Courtesy of GENERAL MOTORS COMPANY