LEMON Manuals: Even more car manuals for everyone: 1960-2025
Home >> Cadillac >> 2013 >> Escalade EXT Base >> Repair and Diagnosis >> External Pages >> Different car >> Section 1549 (Cellular Systems, Entertainment Systems & Navigation Systems) >> Schematic and Routing Diagrams >> Radio/Navigation System Schematics
April 5, 2026: LEMON Manuals is launched! Read the announcement.

Radio/Navigation System Schematics

WARNING: This page is about a different car, the 2010 GMC Sierra, 2010 GMC Cab & Chassis Sierra, 2010 Chevrolet Silverado, and 2010 Chevrolet Cab & Chassis Silverado. However, it is still accessible from the selected car via links, so may be relevant.
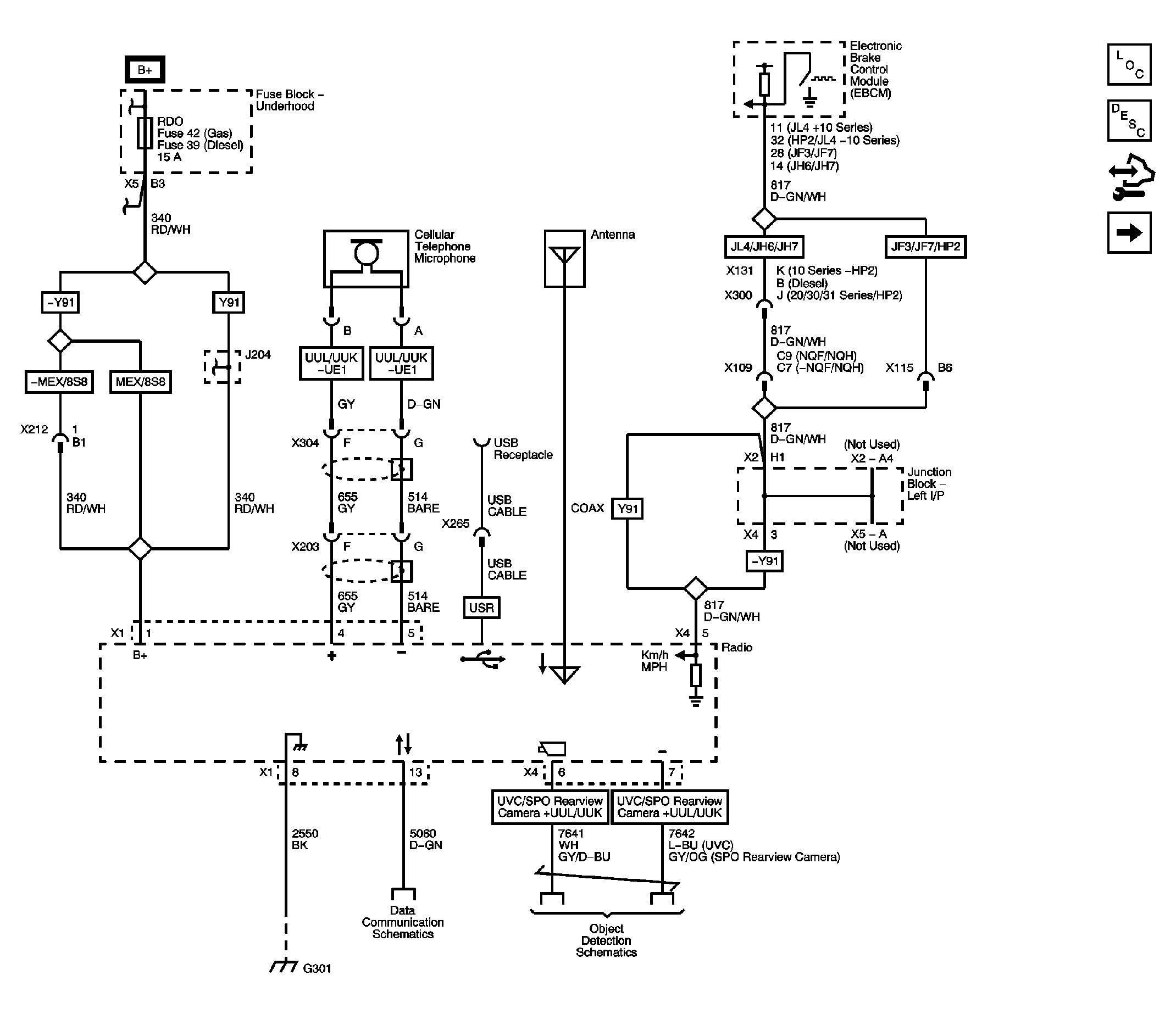
Fig 1: Radio Power, Ground, and Serial Data
GM2224041Courtesy of GENERAL MOTORS CORP.
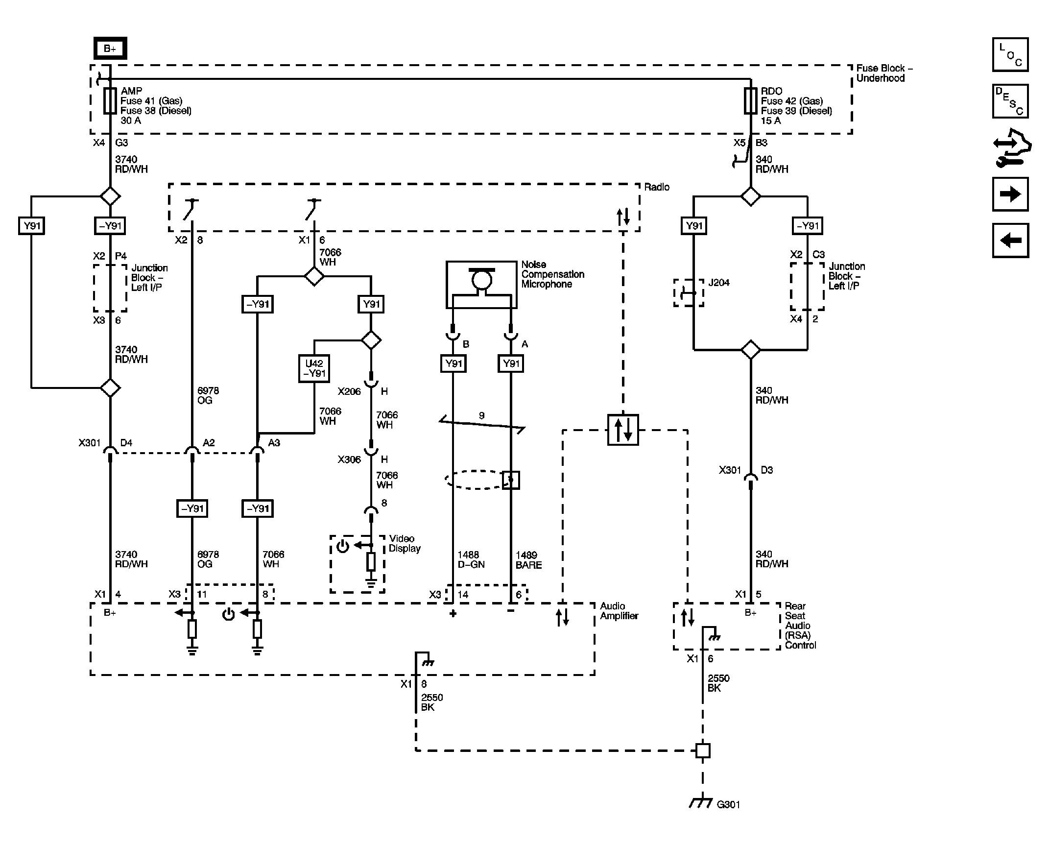
Fig 2: Amplifier (UQA) and Rear Seat Audio (UK6) Power, Ground, and Serial Data
GM2224044Courtesy of GENERAL MOTORS CORP.
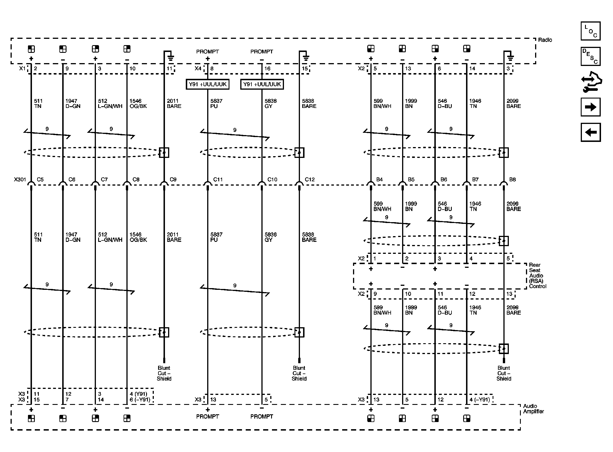
Fig 3: Amplifier Inputs (UQA)
GM2224049Courtesy of GENERAL MOTORS CORP.
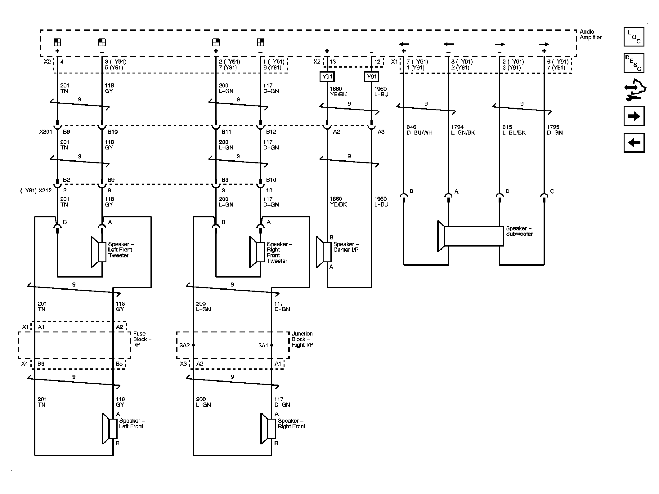
Fig 4: Front Speakers (UQ3/UQ5)
GM2224050Courtesy of GENERAL MOTORS CORP.
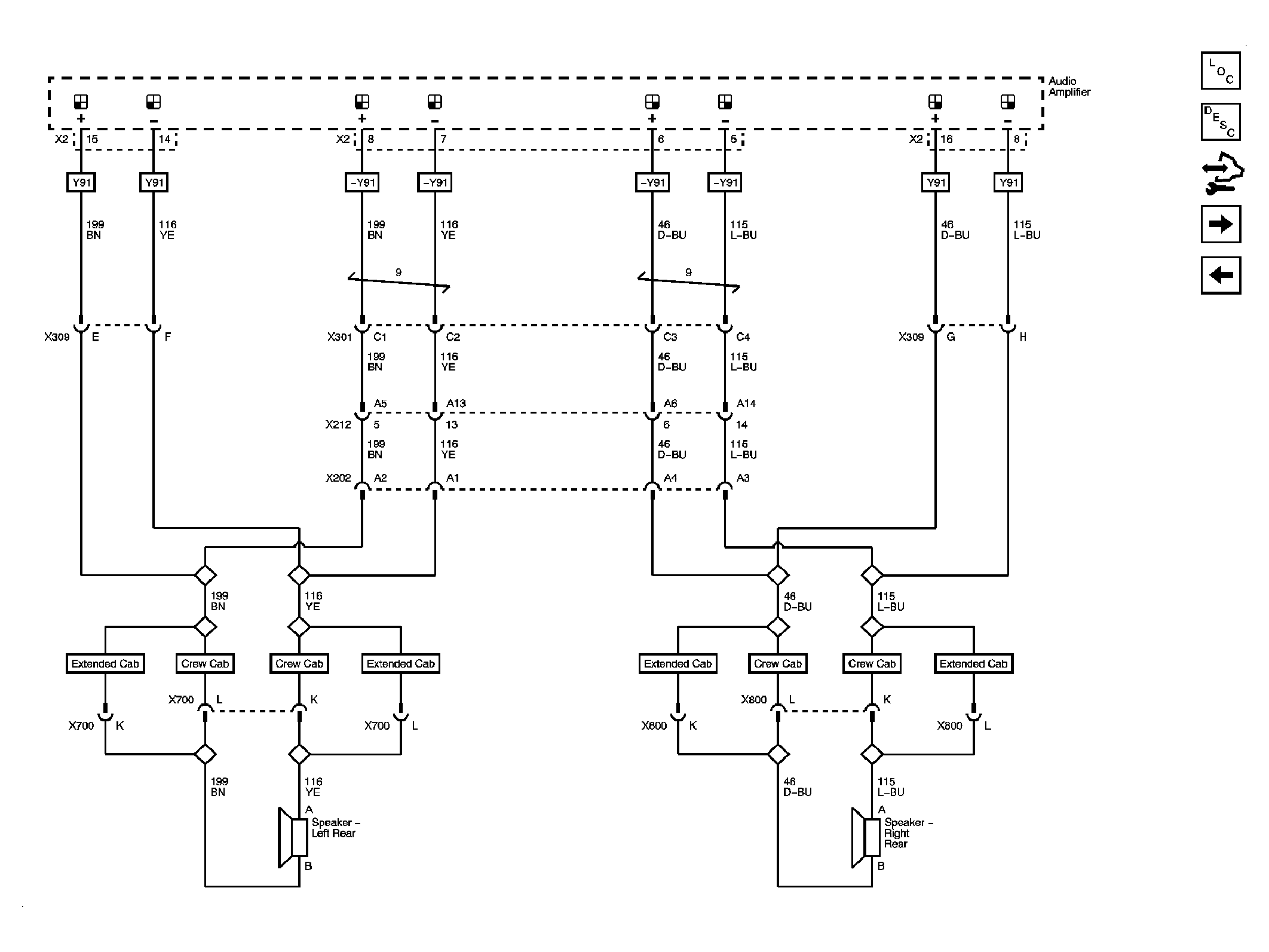
Fig 5: Rear Speakers (UQ3/UQ5)
GM2224051Courtesy of GENERAL MOTORS CORP.
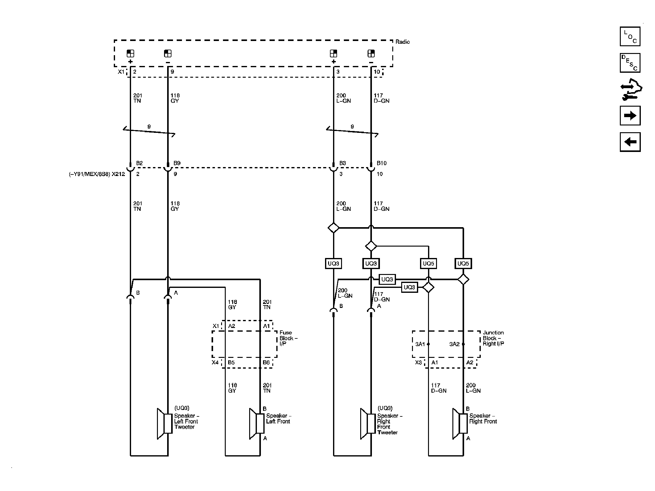
Fig 6: Front Speakers (UQA)
GM2224053Courtesy of GENERAL MOTORS CORP.
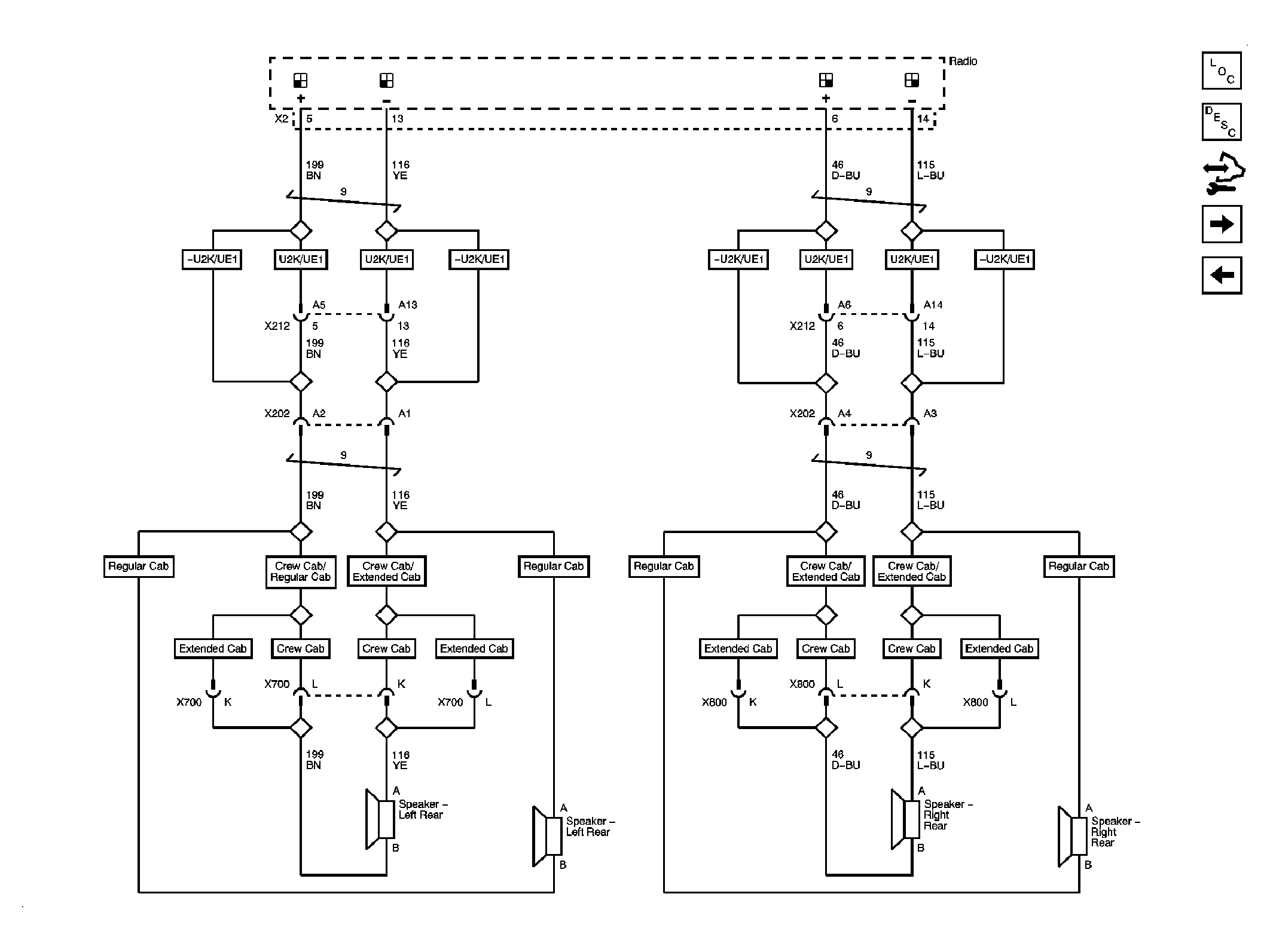
Fig 7: Rear Speakers (UQA)
GM2224055Courtesy of GENERAL MOTORS CORP.
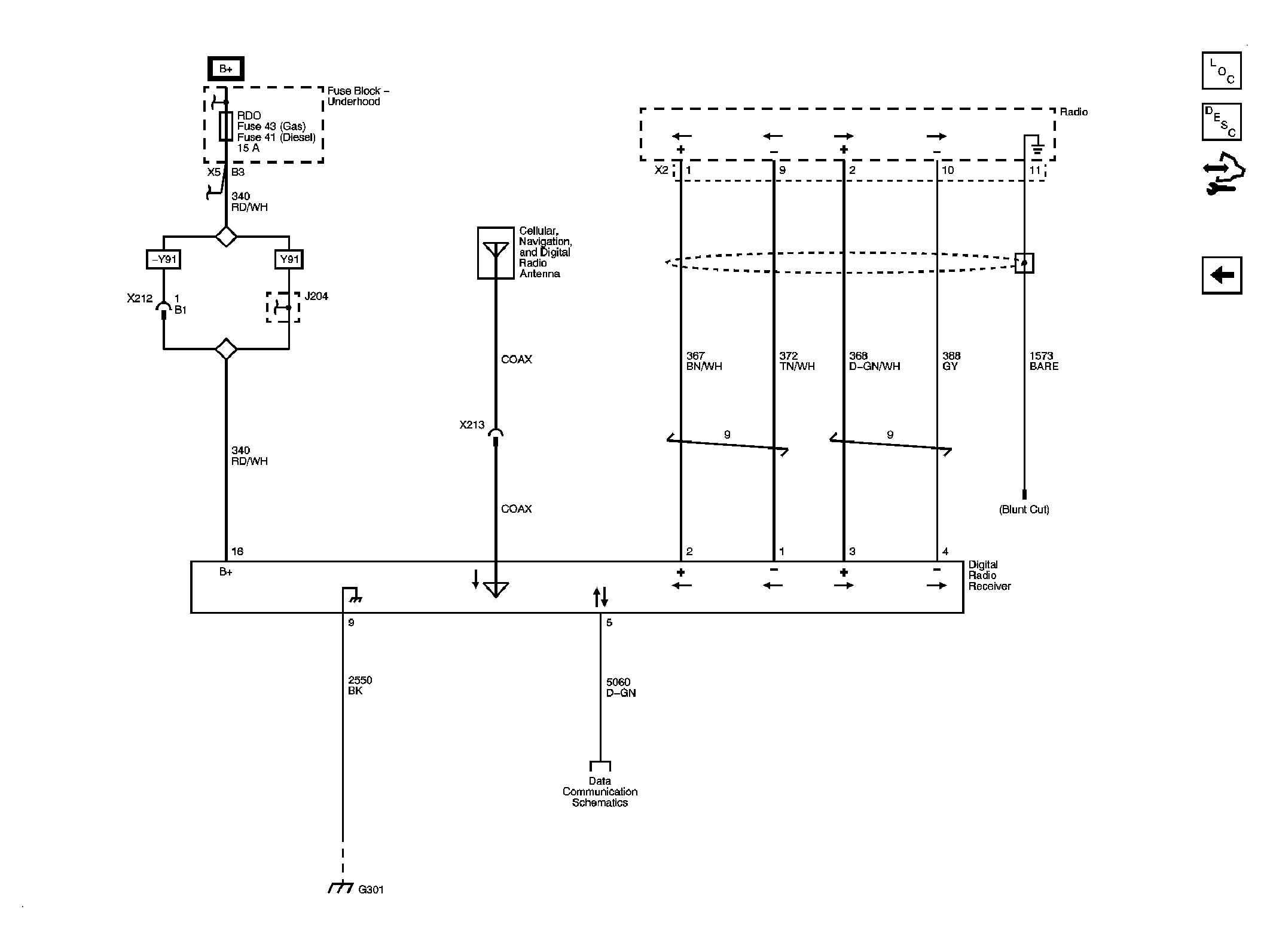
Fig 8: Digital Radio Receiver (U2K)
GM2224056Courtesy of GENERAL MOTORS CORP.