LEMON Manuals: Even more car manuals for everyone: 1960-2025
Home >> Cadillac >> 2017 >> CT6 Plug-In >> Repair and Diagnosis >> Transmission >> Automatic Trans >> Shift Lock Control System >> Schematic Wiring Diagrams >> Shift Lock Control Wiring Schematics >> Shift Lock Control
April 5, 2026: LEMON Manuals is launched! Read the announcement.

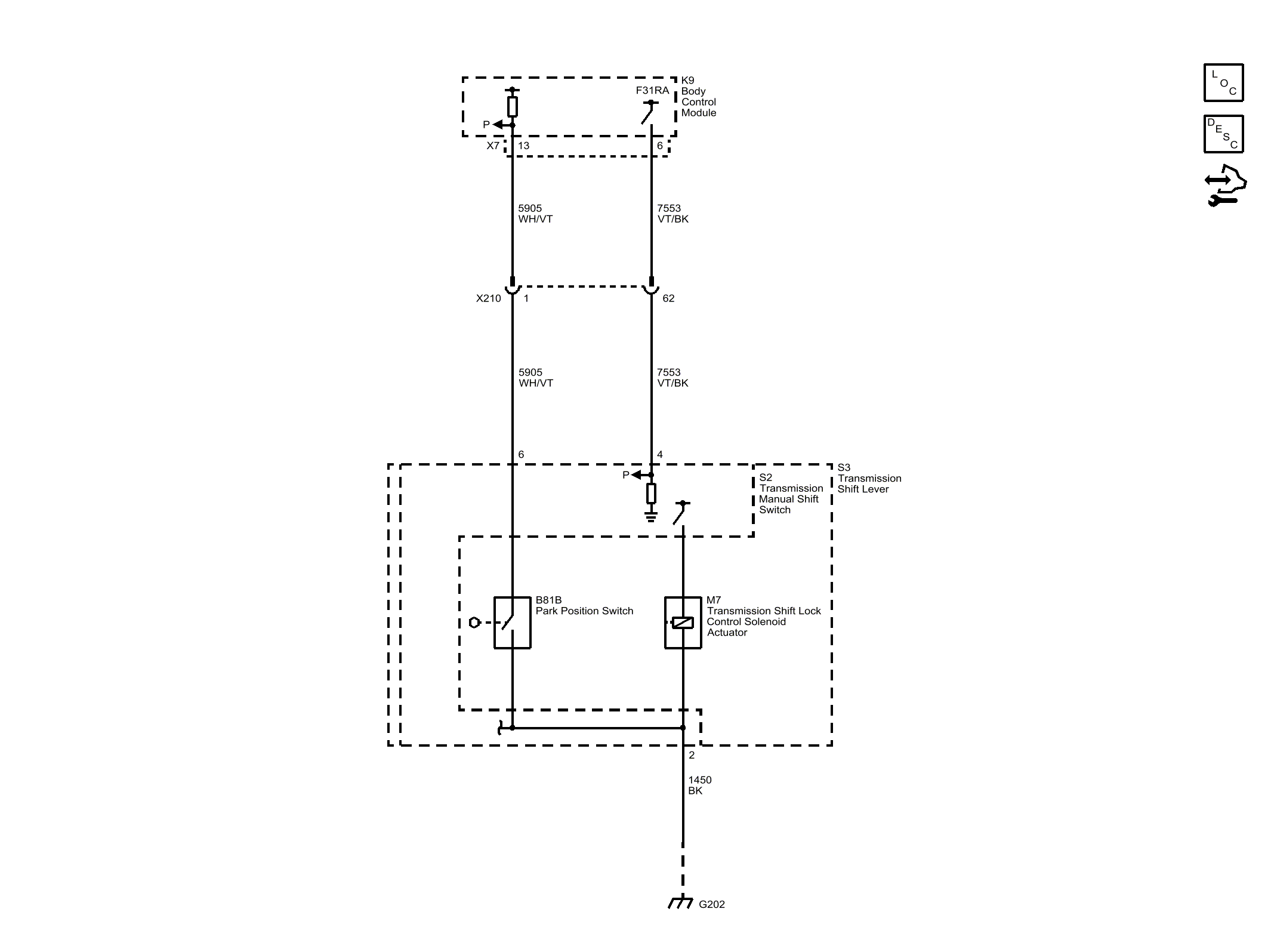
Shift Lock Control

Fig 1: Shift Lock Control
GM4490006Courtesy of GENERAL MOTORS COMPANY