LEMON Manuals: Even more car manuals for everyone: 1960-2025
Home >> Chevrolet >> 1982 >> Corvette >> Repair and Diagnosis >> Electrical >> Body Electrical >> Window Defogger Grid >> Testing >> Window Grid Wires
April 5, 2026: LEMON Manuals is launched! Read the announcement.

Window Grid Wires

  1. Shine a strong light through grid from inside vehicle. Check for broken grids which will appear as brown spots.
  2. Run engine at idle, turn control switch to "On", the indicator light should come on.
  3. Using a 12 volt DC voltmeter, contact wide silver strips on back window. Reading should be 10-13 volts. If voltage is lower, window grid ground connection (pigtail on passengers side) is loose.
  4. Contact a known good ground with meter negative lead. Reading should not change.
  5. With negative lead connected to ground, touch each grid line at its midpoint with meter positive lead. A reading of about 6 volts indicates grid line is good. A zero volts reading indicates the grid is broken between the mid-point and the hot side. A 12 volts reading indicates the grid is broken between the mid-point and ground, or that ground connection is loose.
    Fig 1: Voltage Test With Broken Grid Wires
    G09358711Courtesy of GENERAL MOTORS COMPANY
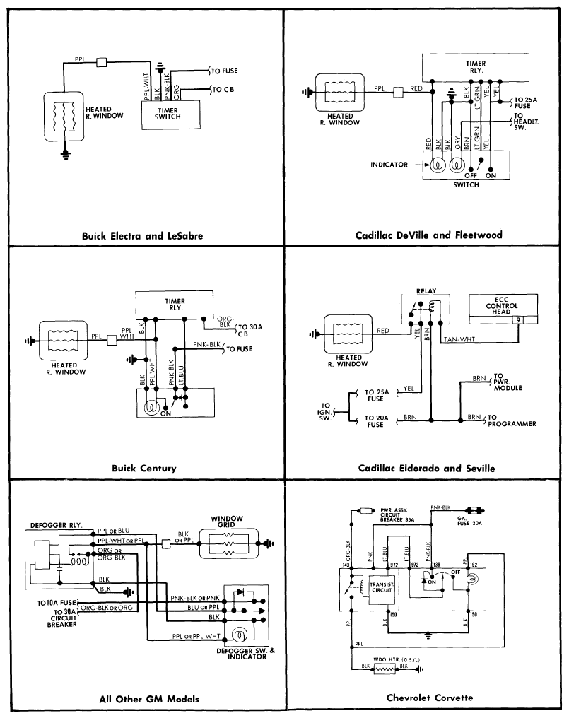
    Fig 2: General Motors Electric Window Defogger Wiring Diagrams
    G09358712Courtesy of GENERAL MOTORS COMPANY