LEMON Manuals: Even more car manuals for everyone: 1960-2025
Home >> Chevrolet >> 1987 >> Cavalier/Z24 L4-121 2.0L >> Repair and Diagnosis >> Powertrain Management >> Computers and Control Systems >> Relays and Modules - Computers and Control Systems >> Air Flow Meter/Sensor Relay >> Locations
April 5, 2026: LEMON Manuals is launched! Read the announcement.

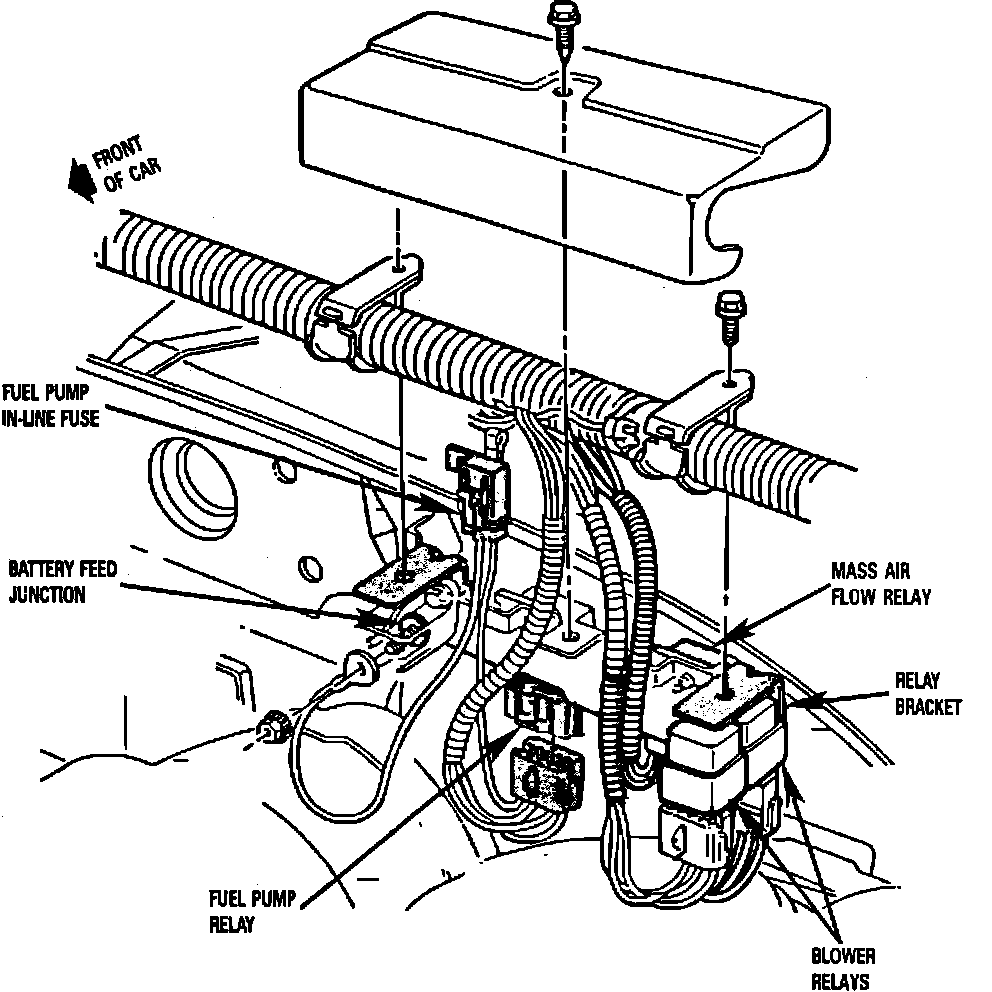
Air Flow Meter/Sensor Relay: Locations

Multi-Use Relay Bracket.:




LH Front Of Dash On Relay Bracket

Applicable to: V6-173/2.8L (VIN W) Engine