LEMON Manuals: Even more car manuals for everyone: 1960-2025
Home >> Chevrolet >> 1987 >> Corvette V8-350 5.7L >> Repair and Diagnosis >> Diagrams >> Components >> Modules >> Electronic Spark Control (ESC) Module
April 5, 2026: LEMON Manuals is launched! Read the announcement.

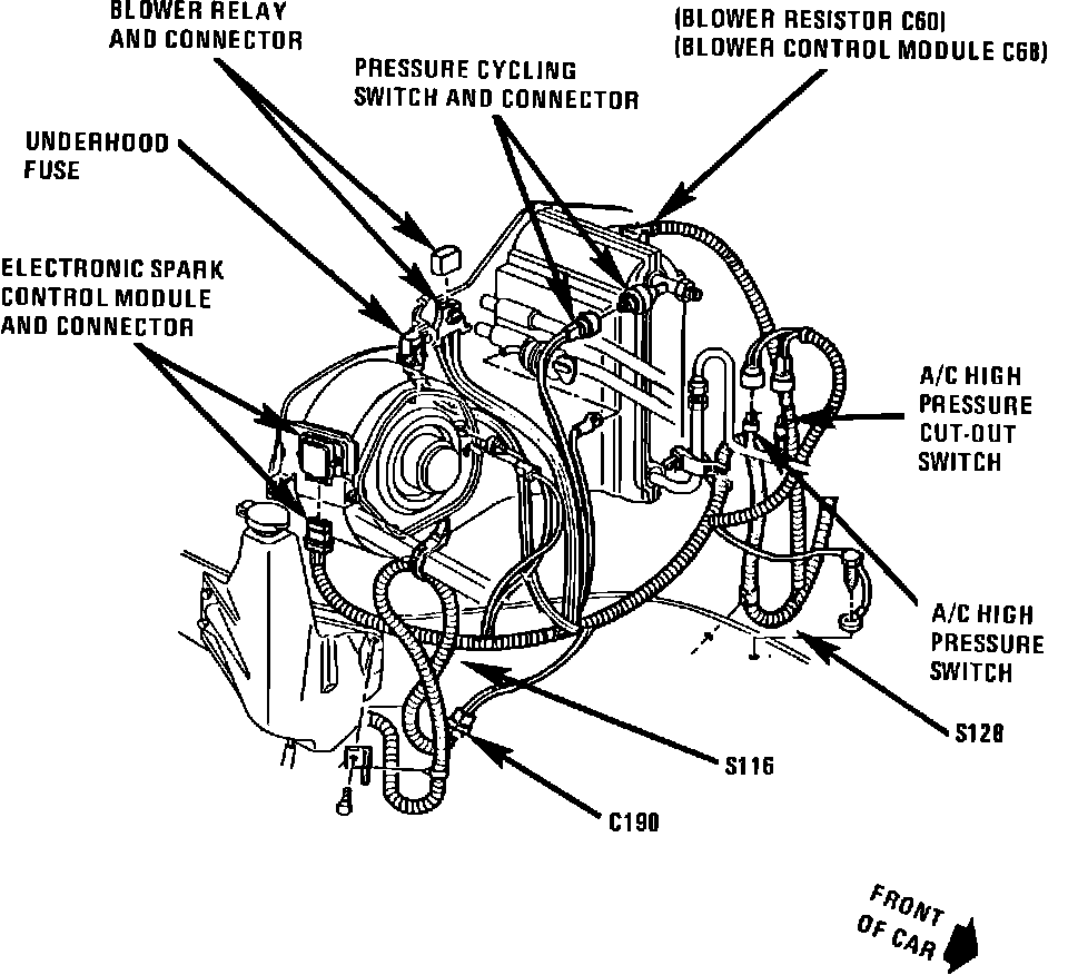
Electronic Spark Control (ESC) Module

Rear Of Engine Compartment:




RH Front Of Dash, On RH Side Of Blower Motor