LEMON Manuals: Even more car manuals for everyone: 1960-2025
Home >> Chevrolet >> 1995 >> Cavalier/Z24 L4-2.2L VIN 4 >> Repair and Diagnosis >> Diagrams >> Exploded Views >> Intake Air Plenum >> Exploded View
April 5, 2026: LEMON Manuals is launched! Read the announcement.

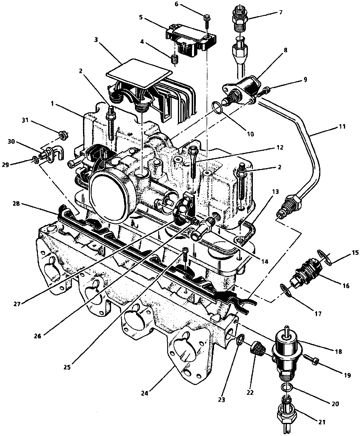
Exploded View

Upper And Lower Manifold Assemblies: