LEMON Manuals: Even more car manuals for everyone: 1960-2025
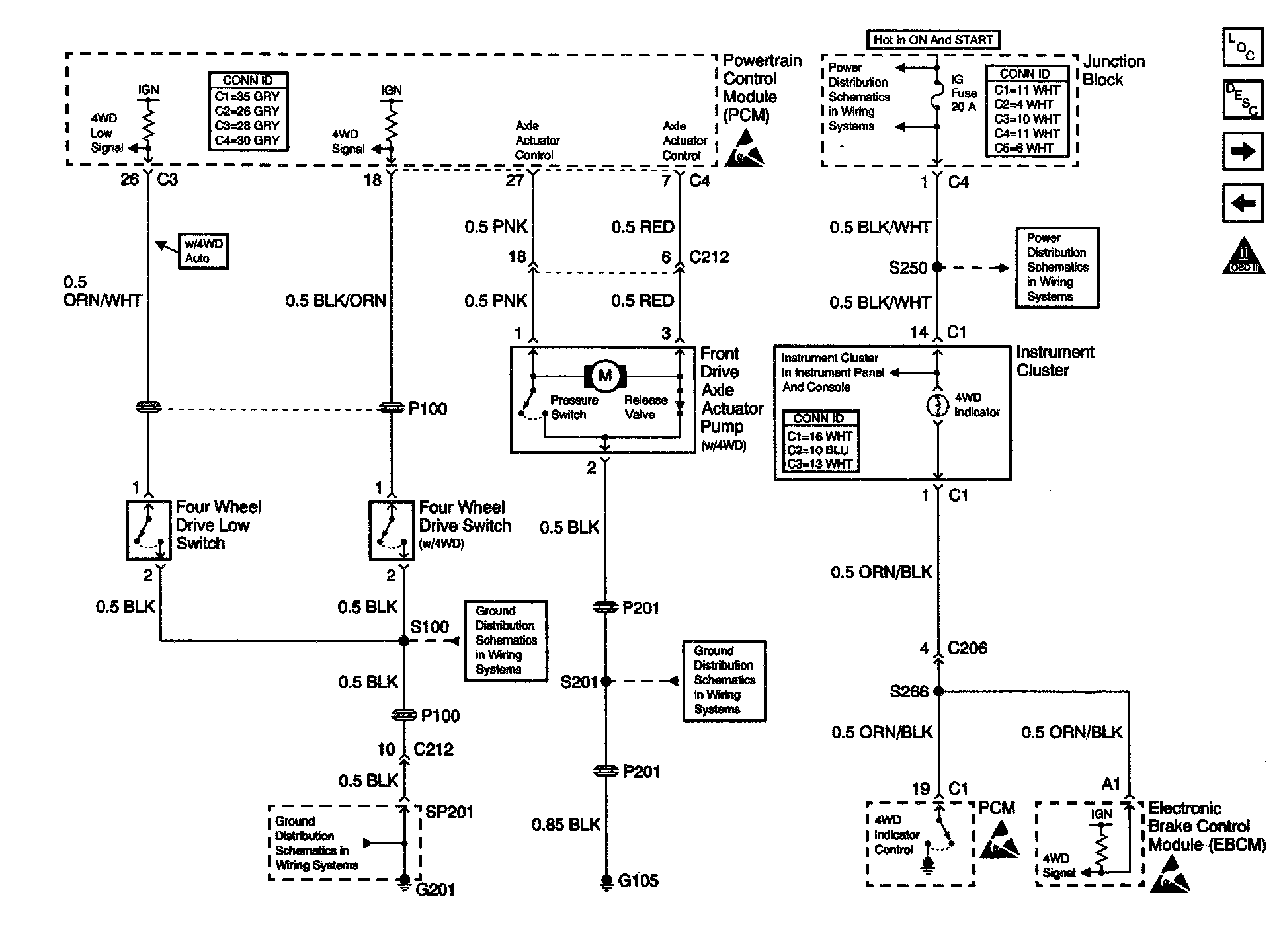
Home >> Chevrolet >> 1999 >> Tracker 2WD L4-2.0L VIN C >> Repair and Diagnosis >> Powertrain Management >> Computers and Control Systems >> Relays and Modules - Computers and Control Systems >> Body Control Module >> Diagrams >> Electrical Diagrams
April 5, 2026: LEMON Manuals is launched! Read the announcement.

Electrical Diagrams