LEMON Manuals: Even more car manuals for everyone: 1960-2025
Home >> Chevrolet >> 2000 >> Tracker 2WD L4-1.6L VIN 6 >> Repair and Diagnosis >> Powertrain Management >> Computers and Control Systems >> Relays and Modules - Computers and Control Systems >> Body Control Module >> Diagrams >> Electrical Diagrams
April 5, 2026: LEMON Manuals is launched! Read the announcement.

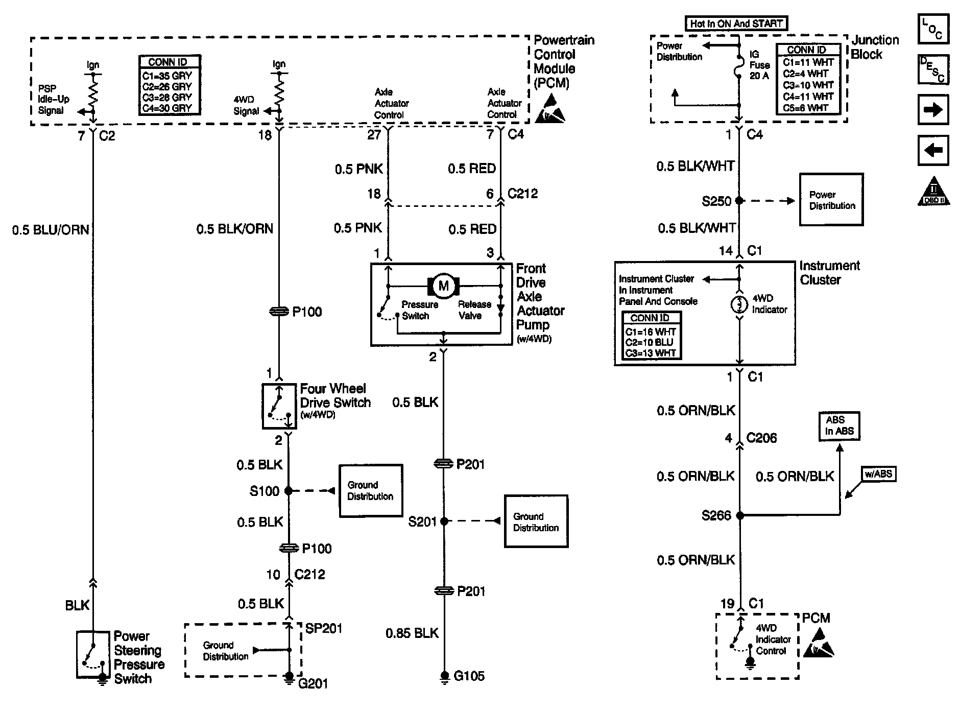
Electrical Diagrams

Engine Controls Schematics: Four Wheel Drive Inputs/Outputs: