LEMON Manuals: Even more car manuals for everyone: 1960-2025
Home >> Chevrolet >> 2002 >> Tracker 2D Utility, 4WD, Automatic >> Repair and Diagnosis >> External Pages >> Different car >> Section 1440 (Keyless Entry System) >> Schematic and Routing Diagrams >> Keyless Entry Schematics (Lock and Unlock Relays, Remote Control Door Lock Receiver) >> Notes
April 5, 2026: LEMON Manuals is launched! Read the announcement.

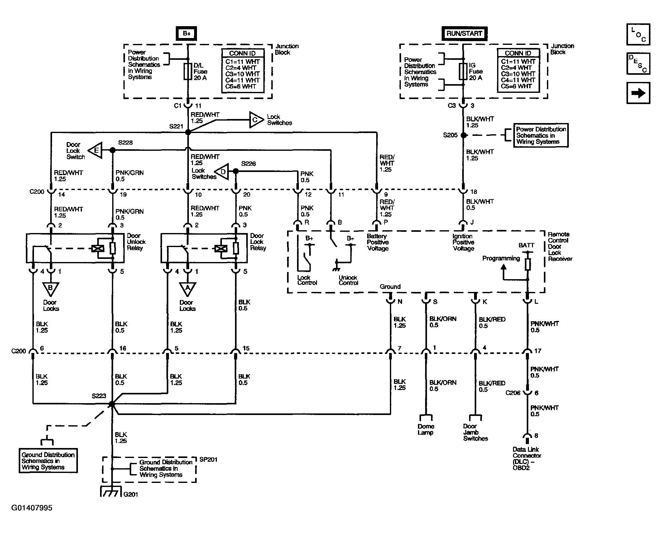
Keyless Entry Schematics (Lock and Unlock Relays, Remote Control Door Lock Receiver): Notes

WARNING: This page is about a different car, the 2003 Chevrolet Tracker. However, it is still accessible from the selected car via links, so may be relevant.
Fig 1: Keyless Entry Schematics (Lock & Unlock Relays, Remote Control Door Lock Receiver)
G01407995Courtesy of GENERAL MOTORS CORP.