LEMON Manuals: Even more car manuals for everyone: 1960-2025
Home >> Chevrolet >> 2002 >> Venture Plus >> Repair and Diagnosis >> External Pages >> Different car >> Section 1014 (Antilock Brake System And Traction Control System) >> Repair Instructions >> Electronic Brake Control Module Replacement >> Installation Procedure
April 5, 2026: LEMON Manuals is launched! Read the announcement.

Installation Procedure

WARNING: This page is about a different car, the 2004 GMC Sierra, 2004 GMC Cab & Chassis Sierra, 2004 Chevrolet Silverado, and 2004 Chevrolet Cab & Chassis Silverado. However, it is still accessible from the selected car via links, so may be relevant.
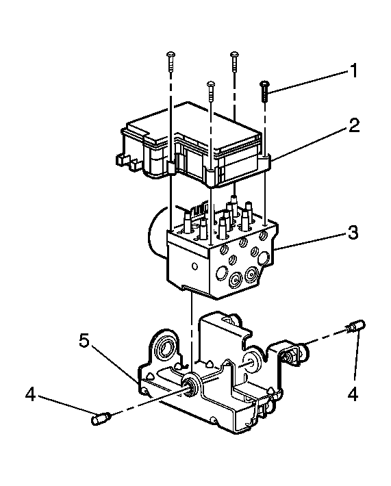
IMPORTANT:
  • Do not reuse the old mounting screws. Always install new mounting screws with the new EBCM.
  • Do not use RTV or any other type of sealant on the EBCM gasket or mating surfaces.
  1. Connect the BPMV electrical connector to the EBCM.
  2. Fig 1: Connecting BPMV Electrical Connector To EBCM
    GM924286Courtesy of GENERAL MOTORS CORP.
  3. Install the EBCM to the BPMV.
  4. Fig 2: Installing EBCM To BPMV
    GM924291Courtesy of GENERAL MOTORS CORP.
    NOTE: Refer to Fastener Notice in Cautions and Notices.
  5. Install the new screws (1) in the EBCM (2).

    Tighten:  Tighten the screws to 5 N.m (39 lb in) in an X-pattern.

  6. Fig 3: Installing EBCM Mounting Screws
    GM924301Courtesy of GENERAL MOTORS CORP.
  7. Connect the chassis electrical connectors to the EBCM.
  8. Fig 4: Identifying Chassis Electrical Connectors To EBCM
    GM924296Courtesy of GENERAL MOTORS CORP.
  9. Lower the vehicle.
  10. Connect the negative battery cable.
  11. Revise the tire calibration using the Scan Tool Tire Size Calibration function.
  12. Return to Diagnostic Starting Point - Antilock Brake System .