LEMON Manuals: Even more car manuals for everyone: 1960-2025
Home >> Chevrolet >> 2003 >> Corvette V8-5.7L VIN S >> Repair and Diagnosis >> Powertrain Management >> Computers and Control Systems >> Relays and Modules - Computers and Control Systems >> Body Control Module >> Diagrams >> Electrical Diagrams
April 5, 2026: LEMON Manuals is launched! Read the announcement.

Electrical Diagrams

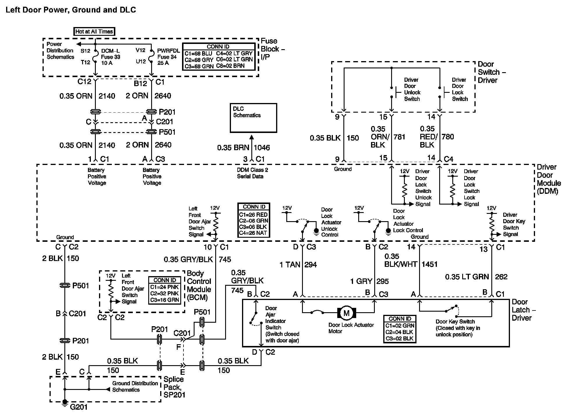
Door Control Module Diagram 1:




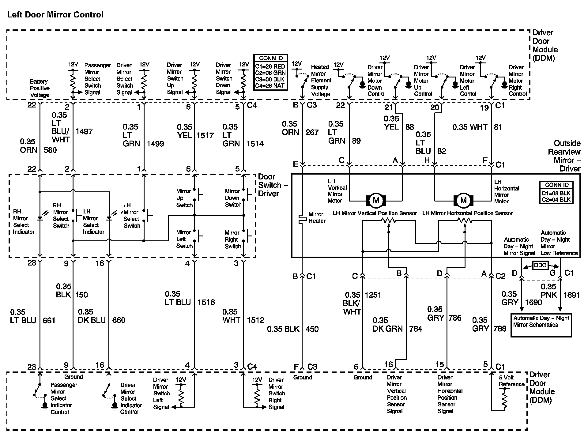
Door Control Module Diagram 2:




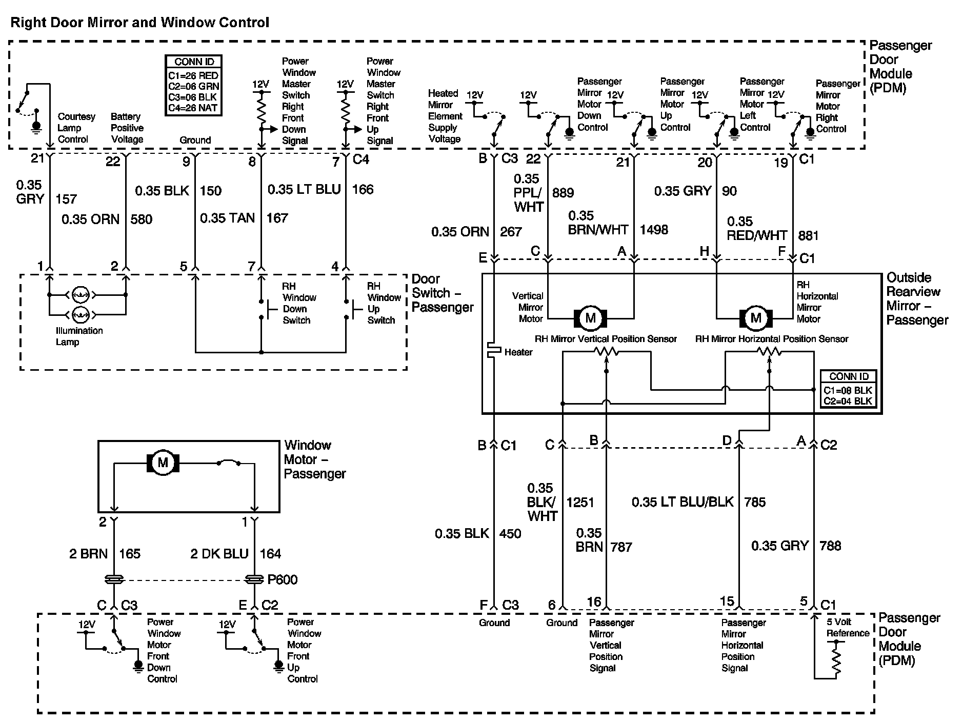
Door Control Module Diagram 3:




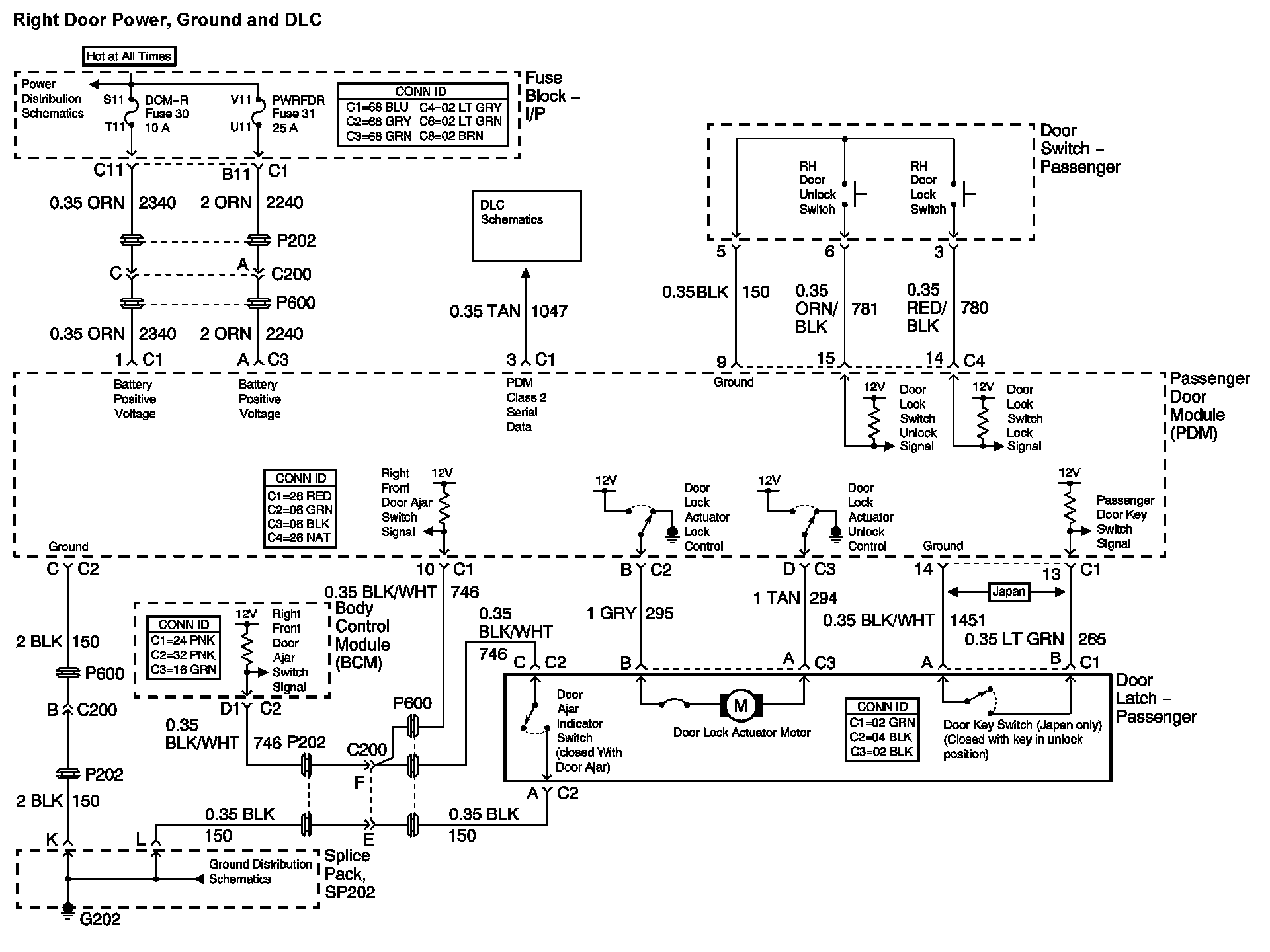
Door Control Module Diagram 4:




Door Control Module Diagram 5: