LEMON Manuals: Even more car manuals for everyone: 1960-2025
Home >> Chevrolet >> 2003 >> Venture V6-3.4L VIN E >> Repair and Diagnosis >> Powertrain Management >> Computers and Control Systems >> Engine Control Module >> Service and Repair >> Powertrain Control Module (PCM) Replacement
April 5, 2026: LEMON Manuals is launched! Read the announcement.

Powertrain Control Module (PCM) Replacement

Powertrain Control Module (PCM):






NOTE: In order to prevent possible electrostatic discharge damage to the PCM, do not touch the connector pins or soldered components on the circuit board.

Service of the powertrain control module (PCM) should normally consist of either replacement of the PCM or electrically erasable programmable read only memory (EEPROM) programming. If the diagnostic procedures call for PCM replacement, test the PCM first to see if the PCM is the correct part. If the PCM is faulty, remove the PCM and install a new service PCM.

The new service PCM is not programmed. You must program the new PCM. DTC P0602 indicates the EEPROM is not programmed or has malfunctioned.

NOTE: Turn the ignition OFF when installing or removing the PCM connectors and disconnecting or reconnecting the power to the PCM (battery cable, PCM pigtail, PCM fuse, jumper cables, etc.) in order to prevent internal PCM damage.

IMPORTANT: When replacing the production PCM with a service PCM (controller), you must transfer the broadcast code and production PCM number to the service PCM label. Do not record the information on the PCM cover. This allows positive identification of PCM parts throughout the service life of the vehicle.

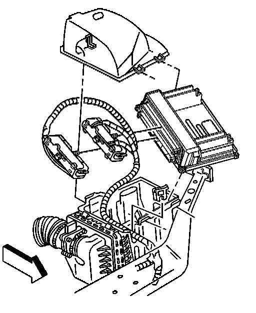
Removal Procedure




1. Remove the coolant reservoir retaining fastener.
2. Remove the coolant reservoir and set aside.
3. Remove the 3 bolts from the strut brace.
4. Remove the left front strut brace.
5. Loosen the two bolts the PCM cover and remove the PCM cover from the air cleaner housing.
6. Remove the PCM from the air cleaner housing.
7. Disconnect the PCM electrical connectors.

Installation Procedure
1. Connect the PCM electrical connectors to the PCM.




2. Install the PCM into the air cleaner housing.
3. Install the PCM cover to the air cleaner housing and tighten the bolts.
4. Install the left front strut brace.
5. Install the 3 strut brace retaining bolts.

NOTE: Refer to Fastener Notice in Service Precautions.

Tighten
Tighten the bolts to 8 N.m (71 lb in).

6. Install the coolant reservoir. Be sure to check coolant system for proper level.
7. If a new PCM is being installed, program the PCM. Programming and Relearning