LEMON Manuals: Even more car manuals for everyone: 1960-2025
Home >> Chevrolet >> 2004 >> Epica (CANADA) L6-2.5L >> Repair and Diagnosis >> Powertrain Management >> Computers and Control Systems >> Relays and Modules - Computers and Control Systems >> Body Control Module >> Diagrams >> Electrical Diagrams
April 5, 2026: LEMON Manuals is launched! Read the announcement.

Electrical Diagrams




Intelligent Switching Unit Schematics

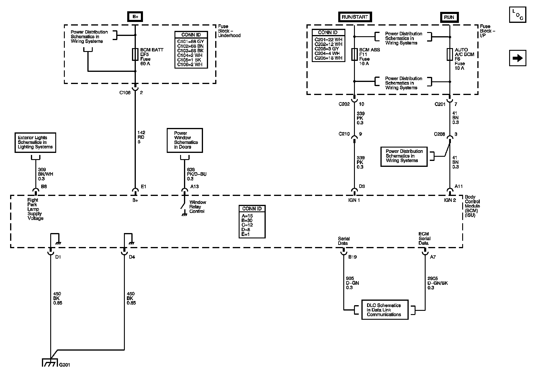
Power, Ground and DLC





Rear Defogger, Audible Warnings, Door Lock, Exterior Lights, Trunk Release, and Wiper/Washer System References





Theft Deterrent, Vehicle Speed, Power Window, and Interior Lights System References