LEMON Manuals: Even more car manuals for everyone: 1960-2025
Home >> Chevrolet >> 2004 >> Impala Base, 3.4 E >> Repair and Diagnosis >> Engine Performance >> System >> Engine Control System 3.4L (Introduction) >> Component Locator >> Engine Controls Component Views
April 5, 2026: LEMON Manuals is launched! Read the announcement.

Engine Controls Component Views

Fig 1: Left Front Of Engine Compartment Component View
GM1101345Courtesy of GENERAL MOTORS CORP.
Callout Component Name
1 Air Cleaner/PCM Housing
2 A/C Refrigerant Pressure Sensor
3 Powertrain Control Module (PCM), C2
4 Powertrain Control Module (PCM), C1
5 Powertrain Control Module (PCM)
Fig 2: Left Top Of Engine Component View (LA1)
GM741405Courtesy of GENERAL MOTORS CORP.
Callout Component Name
1 Exhaust Gas Recirculation (EGR) Valve
2 Mass Air Flow (MAF) Sensor
3 Intake Air Temperature (IAT) Sensor
Fig 3: Left Rear Of Engine Component View (LA1)
GM531383Courtesy of GENERAL MOTORS CORP.
Callout Component Name
1 Upper Intake Manifold
2 Manifold Absolute Pressure (MAP) Sensor
3 Secondary Ignition (Spark Plug) Wires
4 Ignition Control Module (ICM) and Ignition Coils
5 Heated Oxygen Sensor (HO2S) Sensor 1
6 Crankshaft Position (CKP) Sensor B
7 Exhaust Gas Recirculation (EGR) Valve
8 Throttle Position (TP) Sensor
9 Fuel Feed and Return Pipes
10 Throttle Body
11 Idle Air Control (IAC) Valve
12 Positive Crankcase Ventilation (PCV) Valve
13 Evaporative Emission (EVAP) Canister Purge Solenoid
14 Camshaft Position (CMP) Sensor Harness Connector
Fig 4: Left Front Of Engine Component View (LA1)
GM619200Courtesy of GENERAL MOTORS CORP.
Callout Component Name
1 C102
2 Manifold Absolute Pressure (MAP) Sensor
3 Exhaust Gas Recirculation (EGR) Valve
4 Throttle Position (TP) Sensor
5 Idle Air Control (IAC) Valve
6 Exhaust Gas Recirculation (EGR) Valve
7 Evaporative Emission (EVAP) Canister Purge Solenoid
8 Engine Oil Pressure (EOP) Switch
9 Crankshaft Position (CKP) Sensor A Connector and Bracket
10 Knock Sensor (KS)
11 Engine Oil Pressure (EOP) Switch Connector
12 Fusible Links (Starter)
13 A/C Compressor Clutch Diode
14 Knock Sensor (KS)
15 Crankshaft Position (CKP) Sensor A Connector and Bracket
16 Positive Crankcase Ventilation (PCV) Valve
17 Camshaft Position (CMP) Sensor Connector
Fig 5: Upper Left Rear Of Engine Component View (LA1)
GM619205Courtesy of GENERAL MOTORS CORP.
Callout Component Name
1 Generator
2 Ignition Control Module (ICM) Connector C2
3 Evaporative Emission (EVAP) Canister Purge Solenoid
4 Heated Oxygen Sensor (HO2S) Sensor 1 Pigtail and Connector
5 Ignition Control Module (ICM) Connector C3
6 Ignition Control Module (ICM) Connector C1
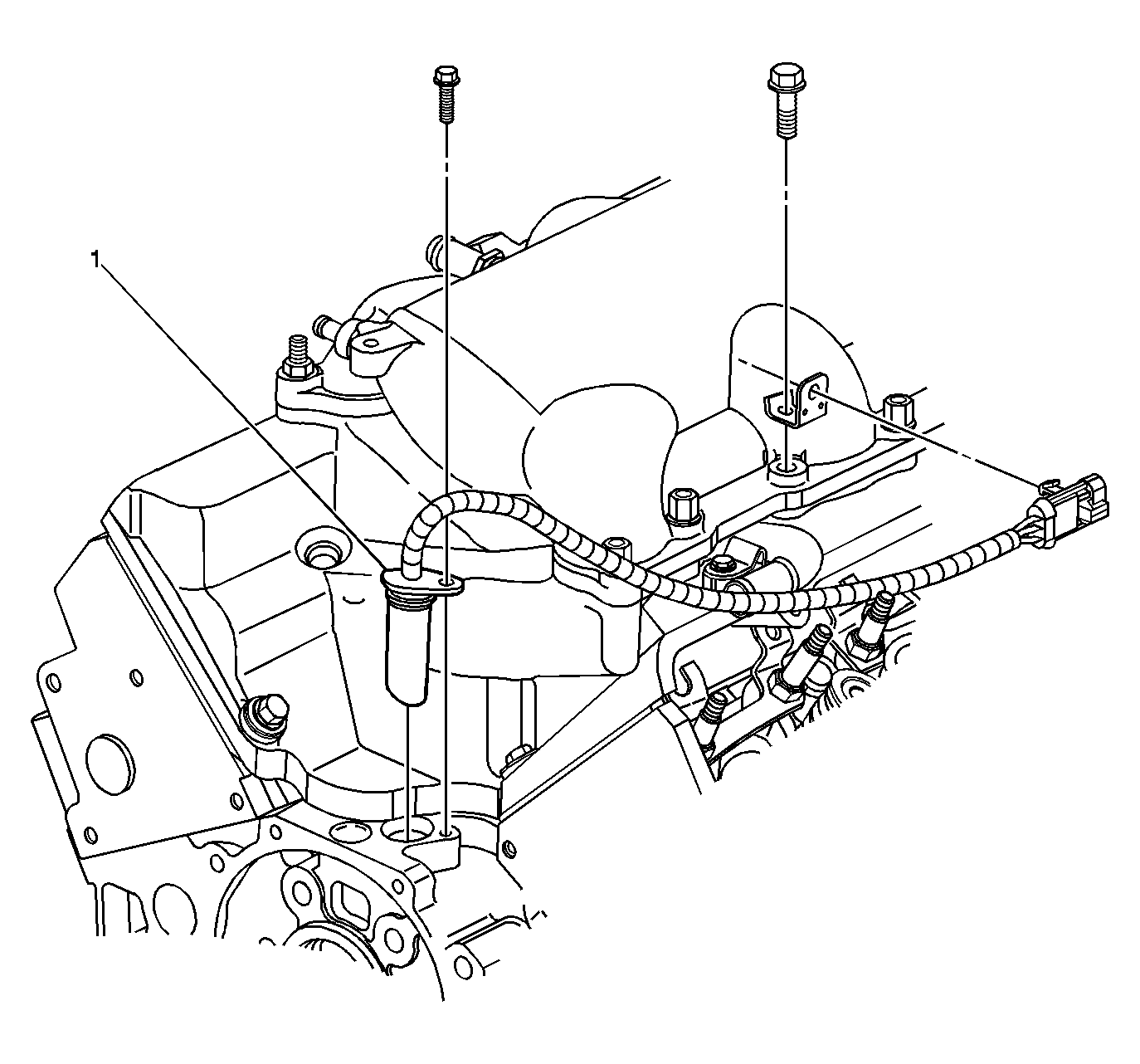
Fig 6: Left Middle Of Engine Component View (LA1)
GM762611Courtesy of GENERAL MOTORS CORP.
Callout Component Name
1 Camshaft Position (CMP) Sensor
Fig 7: Left Front Of Intake Manifold Component View (LA1)
GM447391Courtesy of GENERAL MOTORS CORP.
Callout Component Name
1 Fuel Injection Wiring Harness
2 Engine Coolant Temperature (ECT) Sensor Connector
3 Engine Coolant Temperature (ECT) Sensor
Fig 8: Top Of Engine Component View (LA1)
GM741412Courtesy of GENERAL MOTORS CORP.
Callout Component Name
1 Fuel Injector 2
2 Fuel Injector 4
3 Fuel Injector 6
4 Fuel Rail
5 Fuel Injector 5
6 Fuel Injector 3
7 Fuel Injector 1
Fig 9: Lower Front Of Engine Component View (LA1)
GM327373Courtesy of GENERAL MOTORS CORP.
Callout Component Name
1 Crankshaft Position (CKP) Sensor A Connector and Bracket
2 Knock Sensor (KS) Connector
3 Engine Oil Pressure (EOP) Switch Connector
4 Fusible Links (Starter)
5 A/C Compressor Clutch Diode
Fig 10: Behind Crankshaft Pulley Component View (LA1)
GM388943Courtesy of GENERAL MOTORS CORP.
Callout Component Name
1 Crankshaft Position (CKP) Sensor A
2 Front Cover
Fig 11: Rear Of Engine Component View (LA1)
GM1336914Courtesy of GENERAL MOTORS CORP.
Callout Component Name
1 Vehicle Speed Sensor (VSS)
2 Crankshaft Position (CKP) Sensor
Fig 12: Behind Engine, Under Vehicle Component View
GM305319Courtesy of GENERAL MOTORS CORP.
Callout Component Name
1 Heat Shield
2 Catalytic Converter
3 Heated Oxygen Sensor (HO2S) Sensor 2
Fig 13: Fuel Pump & Sender Assembly Component View
GM50636Courtesy of GENERAL MOTORS CORP.
Callout Component Name
1 Fuel Line Quick Connector
2 Fuel Pump
3 Base Plate
4 Fuel Strainer
5 Fuel Level Sensor
6 Springs
7 Fuel Tank Pressure (FTP) Sensor
Fig 14: Left Rear Of Vehicle Component View
GM571274Courtesy of GENERAL MOTORS CORP.
Callout Component Name
1 Evaporative Emission (EVAP) Canister Vent Solenoid Connector
2 Evaporative Emission (EVAP) Canister Vent Solenoid