LEMON Manuals: Even more car manuals for everyone: 1960-2025
Home >> Chevrolet >> 2004 >> Malibu LS >> Repair and Diagnosis >> Engine Performance >> System >> Engine Control System (Introduction) - 3.5L (Lx9) >> Schematic and Routing Diagrams >> Engine Controls Schematics
April 5, 2026: LEMON Manuals is launched! Read the announcement.

Engine Controls Schematics

Fig 1: PCM Power, Ground, MIL, and Serial Data
GM1217753Courtesy of GENERAL MOTORS CORP.
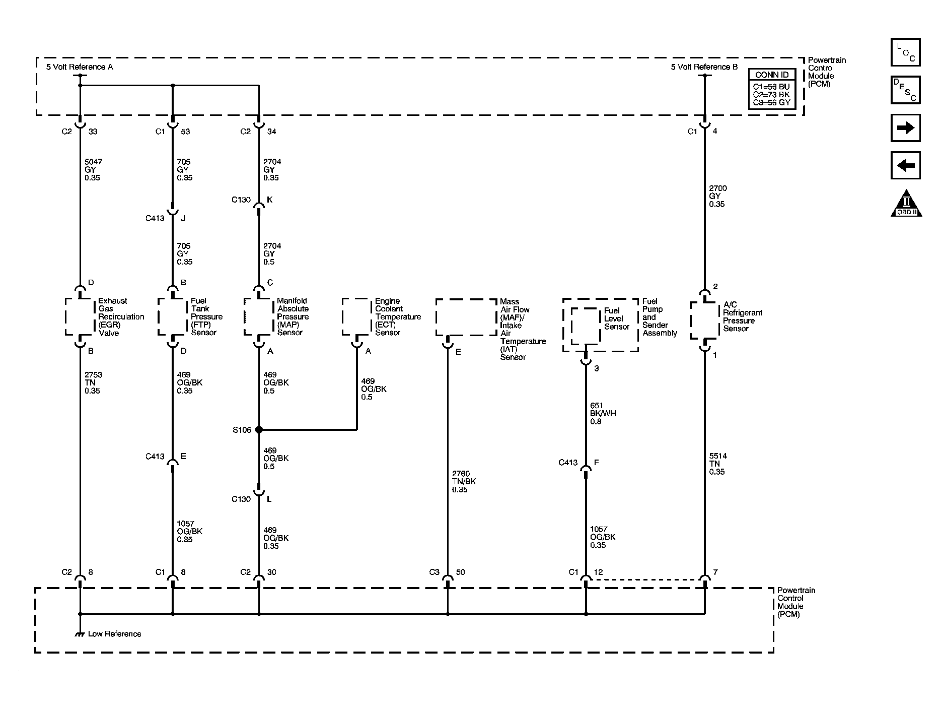
Fig 2: 5-Volt and Low Reference Bussing
GM1217758Courtesy of GENERAL MOTORS CORP.
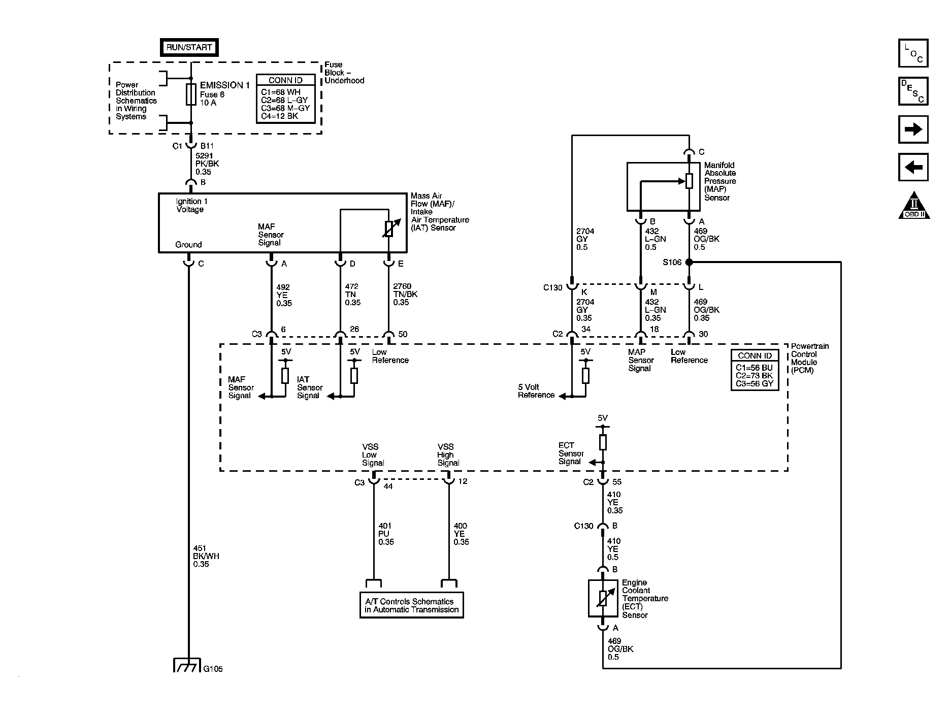
Fig 3: ECT, MAP, MAF/IAT, and VSS Sensors
GM1217760Courtesy of GENERAL MOTORS CORP.
Fig 4: Heated Oxygen Sensors
GM1217762Courtesy of GENERAL MOTORS CORP.
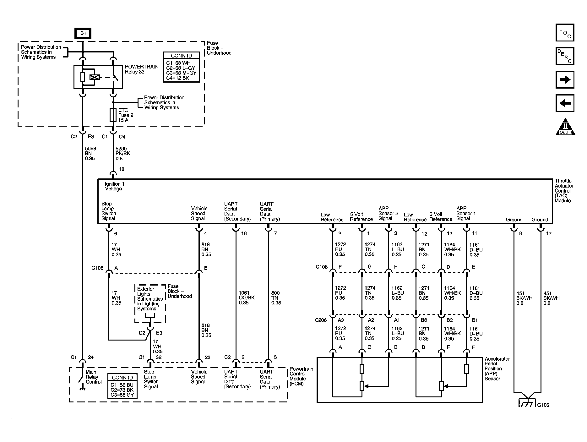
Fig 5: Electronic Throttle Controls
GM1217766Courtesy of GENERAL MOTORS CORP.
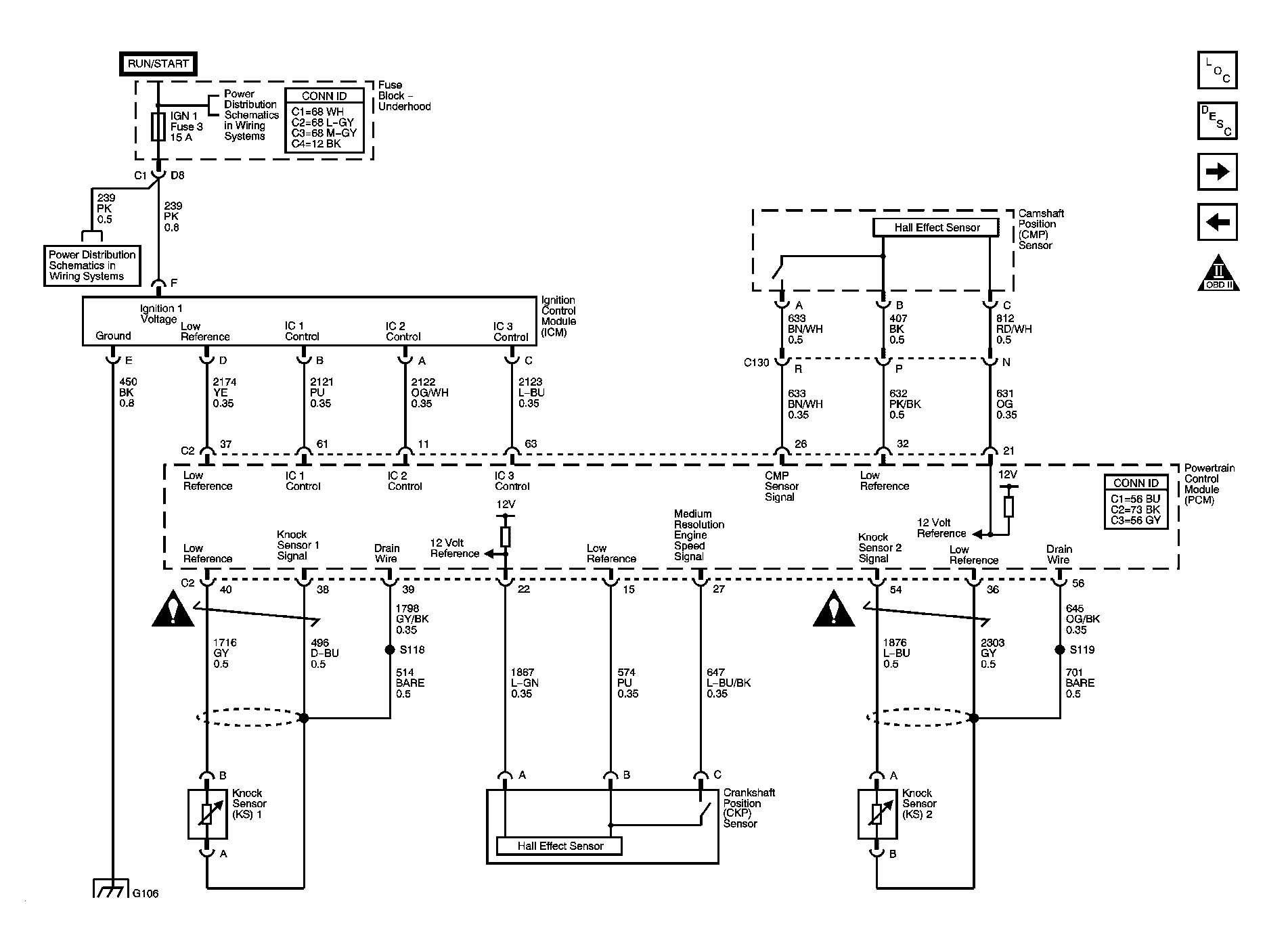
Fig 6: Ignition Control Module
GM1217768Courtesy of GENERAL MOTORS CORP.
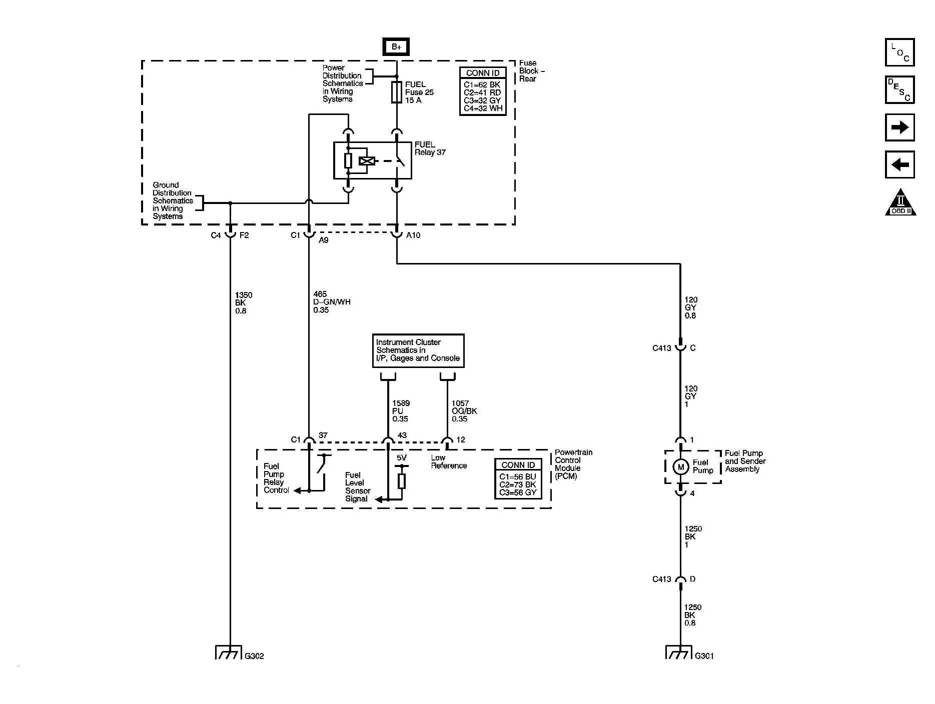
Fig 7: Fuel Pump Controls
GM1217771Courtesy of GENERAL MOTORS CORP.
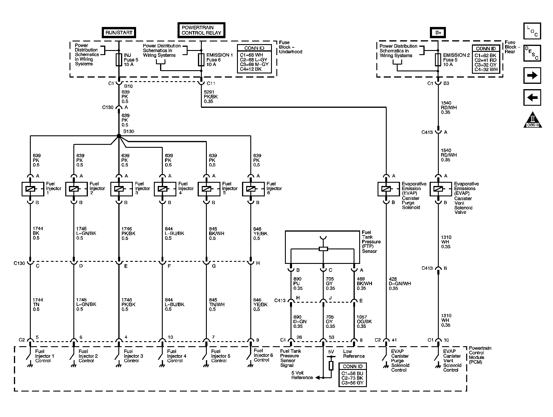
Fig 8: Fuel Injectors, FTP Sensor, and EVAP Solenoids
GM1217774Courtesy of GENERAL MOTORS CORP.
Fig 9: Controlled/Monitored Subsystem References
GM1217775Courtesy of GENERAL MOTORS CORP.
Fig 10: Automatic Transmission Controls References
GM1217777Courtesy of GENERAL MOTORS CORP.