LEMON Manuals: Even more car manuals for everyone: 1960-2025
Home >> Chevrolet >> 2005 >> SSR Standard >> Repair and Diagnosis >> Engine Performance >> System >> Engine Control System - 6.0L - Introduction >> Repair Instructions >> Fuel Injector Replacement >> Removal Procedure
April 5, 2026: LEMON Manuals is launched! Read the announcement.

Removal Procedure

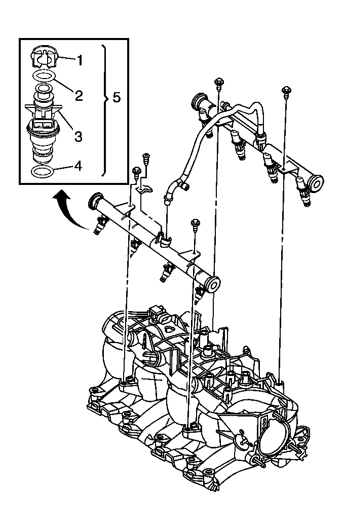
    Fig 1: Removing/Installing Fuel Injector Rail Assembly
    GM1531025Courtesy of GENERAL MOTORS CORP.
  1. Remove the fuel rail assembly. Refer to Fuel Rail Assembly Replacement .
  2. Remove the retaining clip (1) for the fuel injector (3).
  3. Remove the fuel injector assembly (5) from the fuel rail.
  4. Remove and discard the old O-rings (2) and (5). DO NOT reuse, use NEW ONLY.