LEMON Manuals: Even more car manuals for everyone: 1960-2025
Home >> Chevrolet >> 2005 >> Venture LS >> Repair and Diagnosis >> Engine Performance >> System >> Engine Control System - 3.4L - Introduction >> Repair Instructions >> Powertrain Control Module (PCM) Replacement >> Installation Procedure
April 5, 2026: LEMON Manuals is launched! Read the announcement.

Installation Procedure

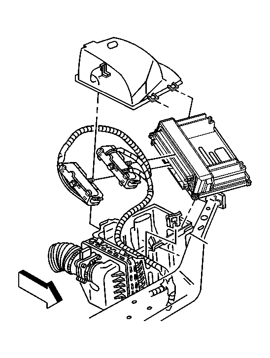
  1. Connect the PCM electrical connectors to the PCM.
  2. Fig 1: Locating PCM Components
    GM263200Courtesy of GENERAL MOTORS CORP.
  3. Install the PCM into the air cleaner housing.
  4. Install the PCM cover to the air cleaner housing and tighten the bolts.
  5. Install the left front strut brace.
  6. NOTE: Refer to Fastener Notice in Cautions and Notices.
  7. Install the 3 strut brace retaining bolts.

    Tighten:  Tighten the bolts to 8 N.m (71 lb in).

  8. Install the coolant reservoir. Be sure to check coolant system for proper level.
  9. If a new PCM is being installed, program the PCM. Refer to Control Module References in Computer/Integrating Systems.