LEMON Manuals: Even more car manuals for everyone: 1960-2025
Home >> Chevrolet >> 2006 >> HHR LS, Automatic >> Repair and Diagnosis >> External Pages >> Different car >> Section 92 (Cellular System, Entertainment System, And Navigation System) >> Schematic and Routing Diagrams >> Radio/Navigation System Schematics
April 5, 2026: LEMON Manuals is launched! Read the announcement.

Radio/Navigation System Schematics

WARNING: This page is about a different car, the 2007 Chevrolet HHR. However, it is still accessible from the selected car via links, so may be relevant.
Fig 1: Radio w/UW5
GM1769483Courtesy of GENERAL MOTORS CORP.
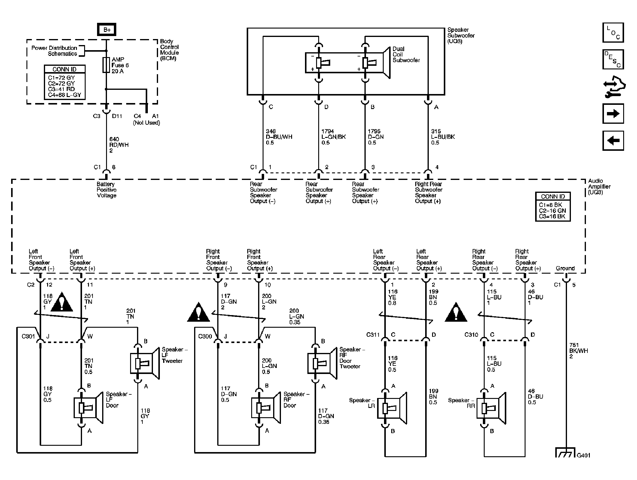
Fig 2: Radio w/UQ3 (1 of 2)
GM1769486Courtesy of GENERAL MOTORS CORP.
Fig 3: Radio w/UQ3 (2 of 2)
GM1769488Courtesy of GENERAL MOTORS CORP.
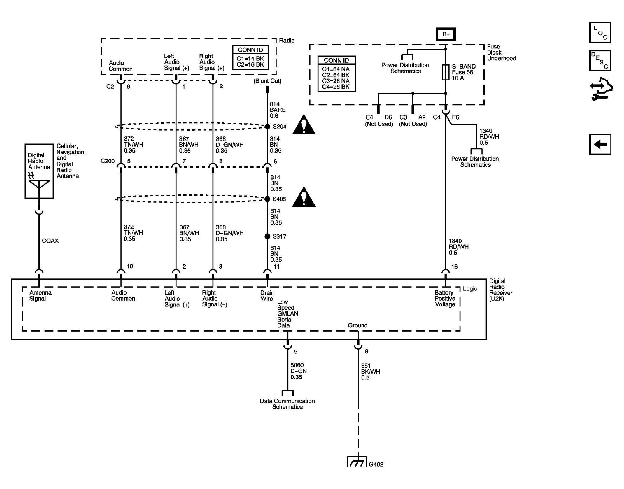
Fig 4: Digital Radio Receiver (U2K)
GM1769489Courtesy of GENERAL MOTORS CORP.