LEMON Manuals: Even more car manuals for everyone: 1960-2025
Home >> Chevrolet >> 2007 >> Impala SS >> Repair and Diagnosis >> External Pages >> Different car >> Section 877 (Hybrid Engine Control System) >> Repair Instructions >> Generator Control Module 3-Phase Cable Assembly Replacement >> Removal Procedure
April 5, 2026: LEMON Manuals is launched! Read the announcement.

Removal Procedure

WARNING: This page is about a different car, the 2008 Chevrolet Malibu. However, it is still accessible from the selected car via links, so may be relevant.
    Fig 1: Identifying Booster Vacuum Hose, Clamp & Intake Manifold
    GM1892160Courtesy of GENERAL MOTORS CORP.
  1. Disconnect the hybrid battery. Refer to Hybrid Battery Service Disconnect/Connect .
  2. Remove the drive belt tensioner. Refer to Drive Belt Tensioner Replacement (LAT) .
  3. Remove the radiator inlet hose. Refer to Radiator Inlet Hose Replacement (LAT) .
  4. Reposition the power brake booster vacuum hose (2) clamp at the intake manifold.
  5. Remove the power brake booster vacuum hose from the intake manifold.
  6. Remove the power brake booster vacuum hose from the clamp (2) on the generator control module coolant outlet hose.
  7. Reposition the power brake booster vacuum hose out of the way.
  8. Fig 2: Identifying Connector Position Assurance (CPA) Retainers
    GM1891759Courtesy of GENERAL MOTORS CORP.
    CAUTION: To help avoid personal injury, additional precautions must be taken prior to working on the generator control module or the generator starter. After removing the 36V battery cables from the generator battery, remove both engine wiring harness connectors from the generator control module. Wait at least 5 minutes and then remove the generator control module cover. Verify voltage levels at all 36V, 12V, and 3-phase connections, are less than 3 volts using a DMM before proceeding.
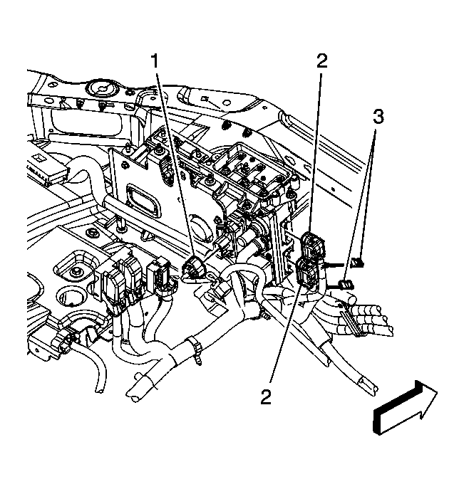
  9. Remove the 2 connector position assurance (CPA) retainers (3).
  10. Disconnect the 2 engine wiring harness electrical connectors (2) from the generator control module.
  11. WAIT at least 5 minutes in order to allow the voltage stored in the generator control module to discharge.
  12. Fig 3: Locating Generator Control Module Coolant Inlet Hose & Clamp
    GM1891970Courtesy of GENERAL MOTORS CORP.
  13. Reposition the generator control module coolant inlet hose clamp (1) at the generator control module using the J 38185  or equivalent.
  14. Remove the generator control module coolant inlet hose (2) from the generator control module.
  15. Fig 4: View Of Generator Control Module Bracket Reinforcement Bolt & Nuts
    GM1891960Courtesy of GENERAL MOTORS CORP.
  16. Remove the generator control module bracket reinforcement bolt (1) and nuts (2).
  17. Remove the generator control module bracket reinforcement (3).
  18. Fig 5: View Of Generator Control Module Cover & Integral Bolts
    GM1891961Courtesy of GENERAL MOTORS CORP.
  19. Loosen the generator control module cover integral bolts (1) and remove the cover (2).
  20. Fig 6: View Of 36-Volt Cable Positive & Negative Terminals
    GM1891958Courtesy of GENERAL MOTORS CORP.
  21. The generator control module will have to be checked for voltage potential using a voltmeter. First, verify that the voltmeter works:
    1. Set the voltmeter to DC voltage.
    2. Measure the vehicle 12-volt battery voltage.
    3. The meter should read greater than +12 volts DC.
  22. Now, check the generator control module for voltage potential, in order to ensure that the module has been disabled.
    1. Measure from the 36-volt positive terminal (3) to a known good chassis ground. The voltage should be less than 3 volts.
    2. Measure from the 12-volt positive terminal (2) to a known good chassis ground. The voltage should be less than 3 volts.
    3. Measure from the ground terminal (4) to a known good chassis ground, checking for continuity.
  23. CAUTION: To help avoid personal injury, always treat the 3-phase cable and connectors as if voltage is present and as if the surface of all parts of the cable is hot.
  24. Verify that the generator control module 3-phase cables are disabled.
    1. Measure from each phase 1, 2, and 3 connection (1) to a known good chassis ground. The voltage should be less than 3 volts.
    2. After verifying that there is no voltage present, the generator control module 3-phase cables can now be removed from the generator control module.
  25. Fig 7: View Of Engine Wiring Harness
    GM1891963Courtesy of GENERAL MOTORS CORP.
  26. Disconnect the engine wiring harness electrical connectors (1 and 2) from the generator starter.
  27. Reposition the wiring harness out of the way.
  28. Fig 8: View Of 36-Volt Terminal Block & Nuts
    GM1891966Courtesy of GENERAL MOTORS CORP.
  29. Remove the 36-volt terminal block nuts (1) from the generator control module.
  30. Lift up, and reposition the 36-volt terminal block (2), secure the block out of the way. Discard the terminal block seal.
  31. Fig 9: View Of Generator Control Module 3-Phase Cable Terminal Block Nuts & Generator Control Module
    GM1891965Courtesy of GENERAL MOTORS CORP.
  32. Remove the generator control module 3-phase cable terminal block nuts (1) from the generator control module.
  33. Lift up, and reposition the generator control module 3-phase cable terminal block (2) from the generator control module. Discard the terminal block seal.
  34. Fig 10: View Of Air Conditioning (A/C) Condenser/Evaporator Tube & Clip
    GM1966745Courtesy of GENERAL MOTORS CORP.
  35. Remove the air conditioning (A/C) condenser/evaporator tube clip (1) from the front end upper tie bar reinforcement.
  36. Reposition the A/C condenser/evaporator tube (2) out of the way.
  37. Fig 11: View Of Generator Control Module 3-Phase & Cables
    GM1891967Courtesy of GENERAL MOTORS CORP.
  38. Remove the starter 3-phase cable clip bolt (2) from the oil level indicator tube bracket.
  39. Remove the upper generator starter bolt (1).
  40. Raise and suitably support the vehicle. Refer to Lifting and Jacking the Vehicle .
  41. Remove the 2 lower generator starter bolts (1).
  42. Lower the vehicle.
  43. Remove the generator starter (with the generator control module 3-phase cables attached) (3) from the vehicle and place on a clean work surface.
  44. Fig 12: View Of Rear Generator Starter Cover & Bolts
    GM1892031Courtesy of GENERAL MOTORS CORP.
  45. Remove the generator starter cover bolts (1) and cover (2).
  46. Remove the generator control module 3-phase cable bracket bolts (3) and bracket (4).
  47. From inside the generator starter, remove the generator control module 3-phase cable to generator starter nuts.
  48. Fig 13: View Of Rear Generator Control Module 3-Phase Cable & Bolts
    GM1892033Courtesy of GENERAL MOTORS CORP.
  49. Remove the rear generator control module 3-phase cable bolts (1).
  50. Fig 14: View Of Rear Generator Control Module 3-Phase Cable Assembly
    GM1892034Courtesy of GENERAL MOTORS CORP.
  51. Remove the generator control module 3-phase cable assembly (2) from the generator starter (1).