LEMON Manuals: Even more car manuals for everyone: 1960-2025
Home >> Chevrolet >> 2007 >> Optra5 LS, Standard >> Repair and Diagnosis >> Engine Performance >> System >> Engine Controls And Fuel - 1.4L DOHC >> Schematic and Routing Diagrams >> Engine Controls Schematics
April 5, 2026: LEMON Manuals is launched! Read the announcement.

Engine Controls Schematics

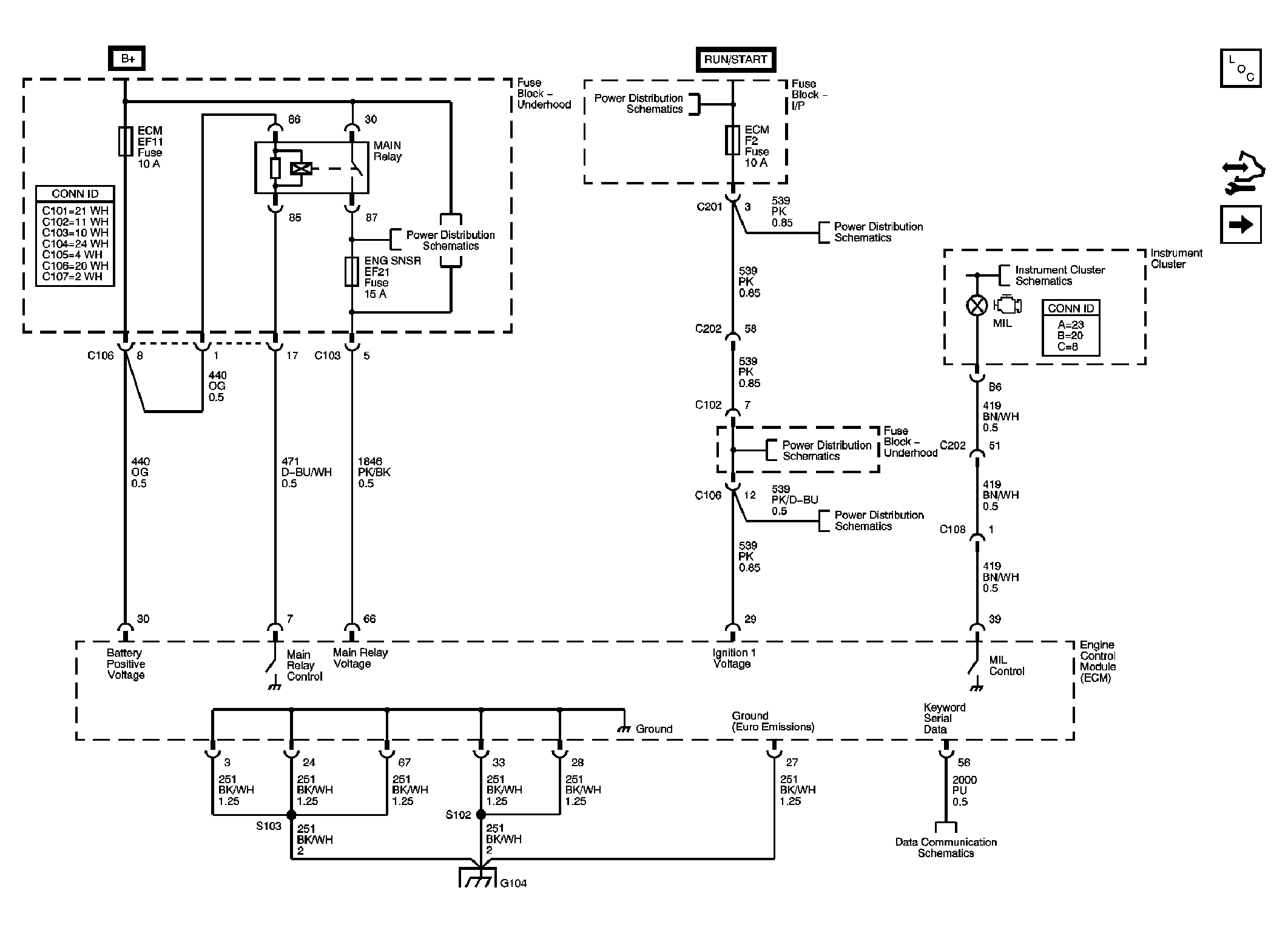
Fig 1: Module Power, Ground, Serial Data, Malfunction Indicator Lamp Schematic (MIL)
GM1844956Courtesy of GENERAL MOTORS CORP.
Fig 2: Engine Data Sensors - Pressure and Temperature Schematics
GM1471559Courtesy of GENERAL MOTORS CORP.
Fig 3: Engine Data Sensors - Oxygen Sensors (O2S) Schematics
GM1471560Courtesy of GENERAL MOTORS CORP.
Fig 4: Ignition Controls - Ignition System Schematics
GM1471561Courtesy of GENERAL MOTORS CORP.
Fig 5: CMP, CKP, Knock, Rough Road Sensors, Power Steering Pressure Switch Schematic
GM1650838Courtesy of GENERAL MOTORS CORP.
Fig 6: Engine Data Sensors - Main Throttle Intake Actuator (MTIA) Schematics
GM1471564Courtesy of GENERAL MOTORS CORP.
Fig 7: Fuel Controls - Fuel Pump Controls and Fuel Injectors Schematics
GM1471565Courtesy of GENERAL MOTORS CORP.
Fig 8: Intake Manifold Tuning Valve, EVAP, EGR, Octane Selection Switch Schematic
GM1650839Courtesy of GENERAL MOTORS CORP.
Fig 9: Controlled/Monitored Subsystem References Schematics
GM1471567Courtesy of GENERAL MOTORS CORP.