LEMON Manuals: Even more car manuals for everyone: 1960-2025
Home >> Chevrolet >> 2008 >> HHR SS, Automatic >> Repair and Diagnosis >> External Pages >> Different car >> Section 249 (Cellular Systems, Entertainment Systems & Navigation Systems) >> Schematic and Routing Diagrams >> Radio/Navigation System Schematics
April 5, 2026: LEMON Manuals is launched! Read the announcement.

Radio/Navigation System Schematics

WARNING: This page is about a different car, the 2010 Chevrolet HHR. However, it is still accessible from the selected car via links, so may be relevant.
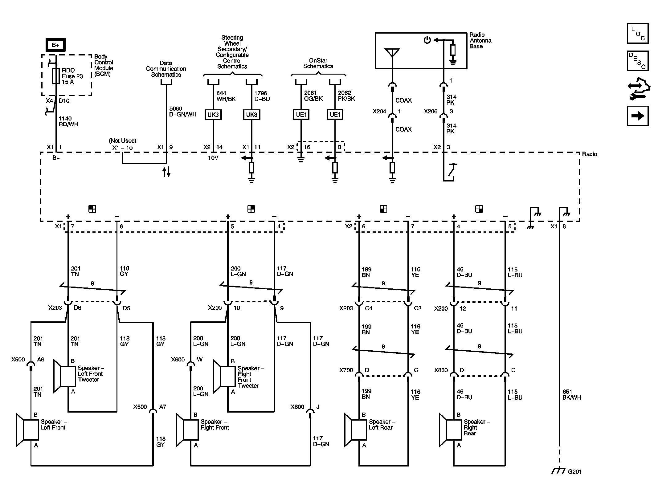
Fig 1: Radio (UW5)
GM2247525Courtesy of GENERAL MOTORS CORP.
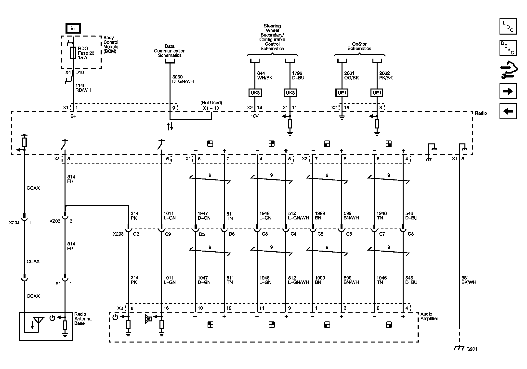
Fig 2: Radio (UQ3)
GM2247527Courtesy of GENERAL MOTORS CORP.
Fig 3: Radio (UQ3 with PAL)
GM2247549Courtesy of GENERAL MOTORS CORP.
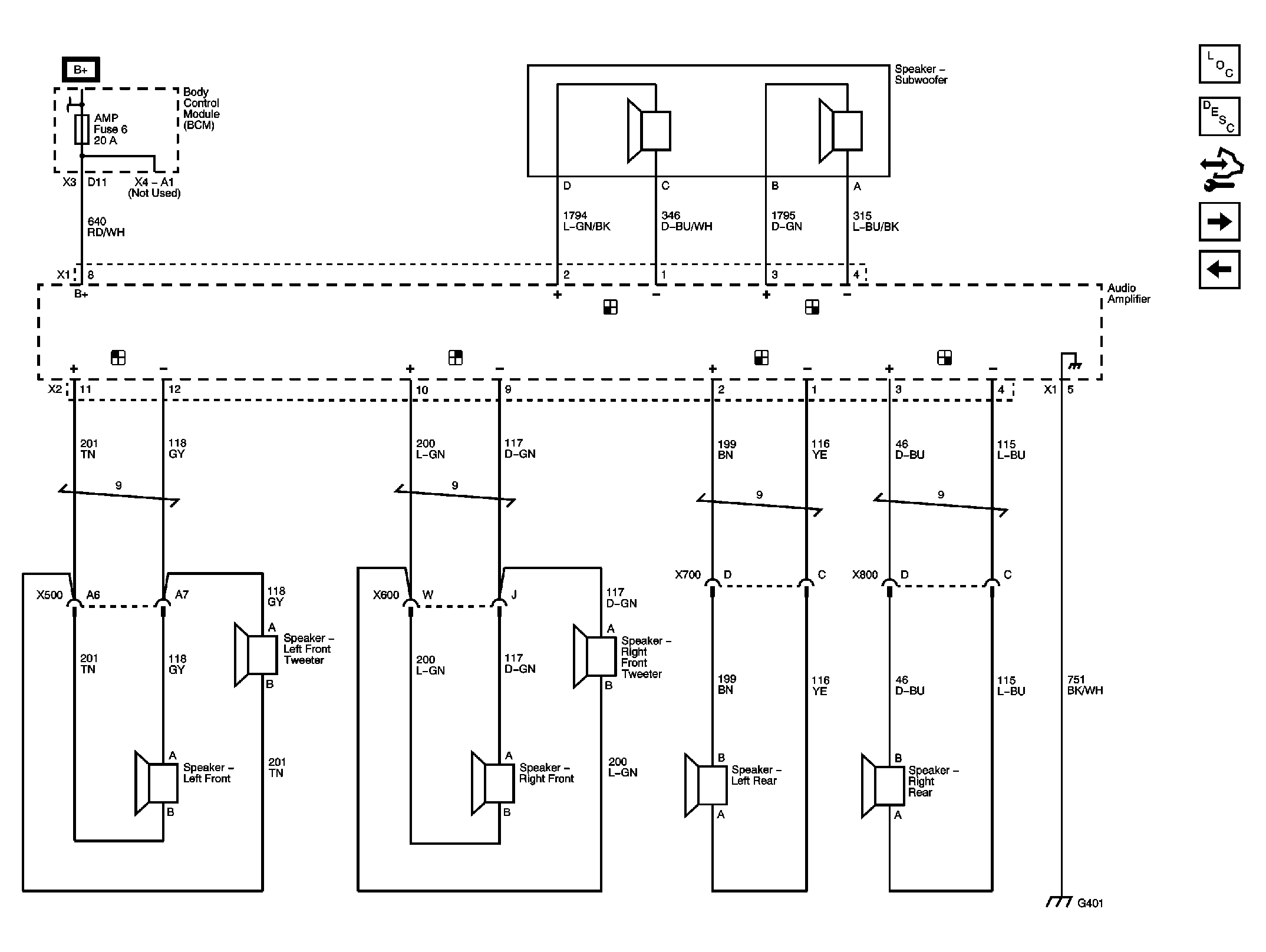
Fig 4: Amplifier (UQ3)
GM2247555Courtesy of GENERAL MOTORS CORP.
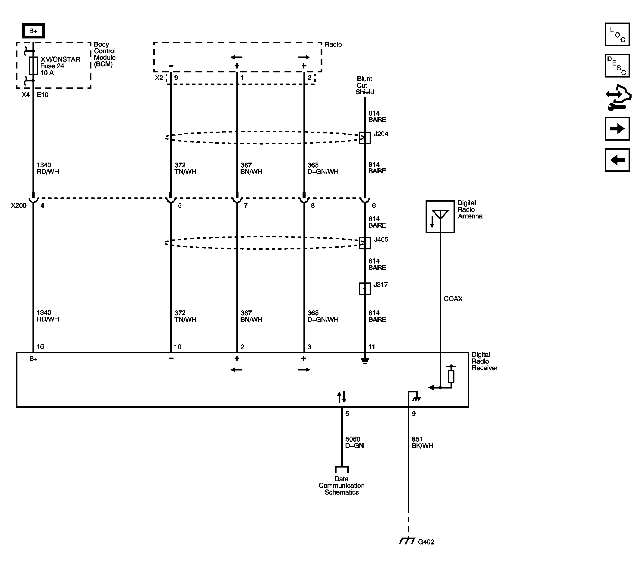
Fig 5: Digital Radio Receiver (U2K)
GM2247560Courtesy of GENERAL MOTORS CORP.
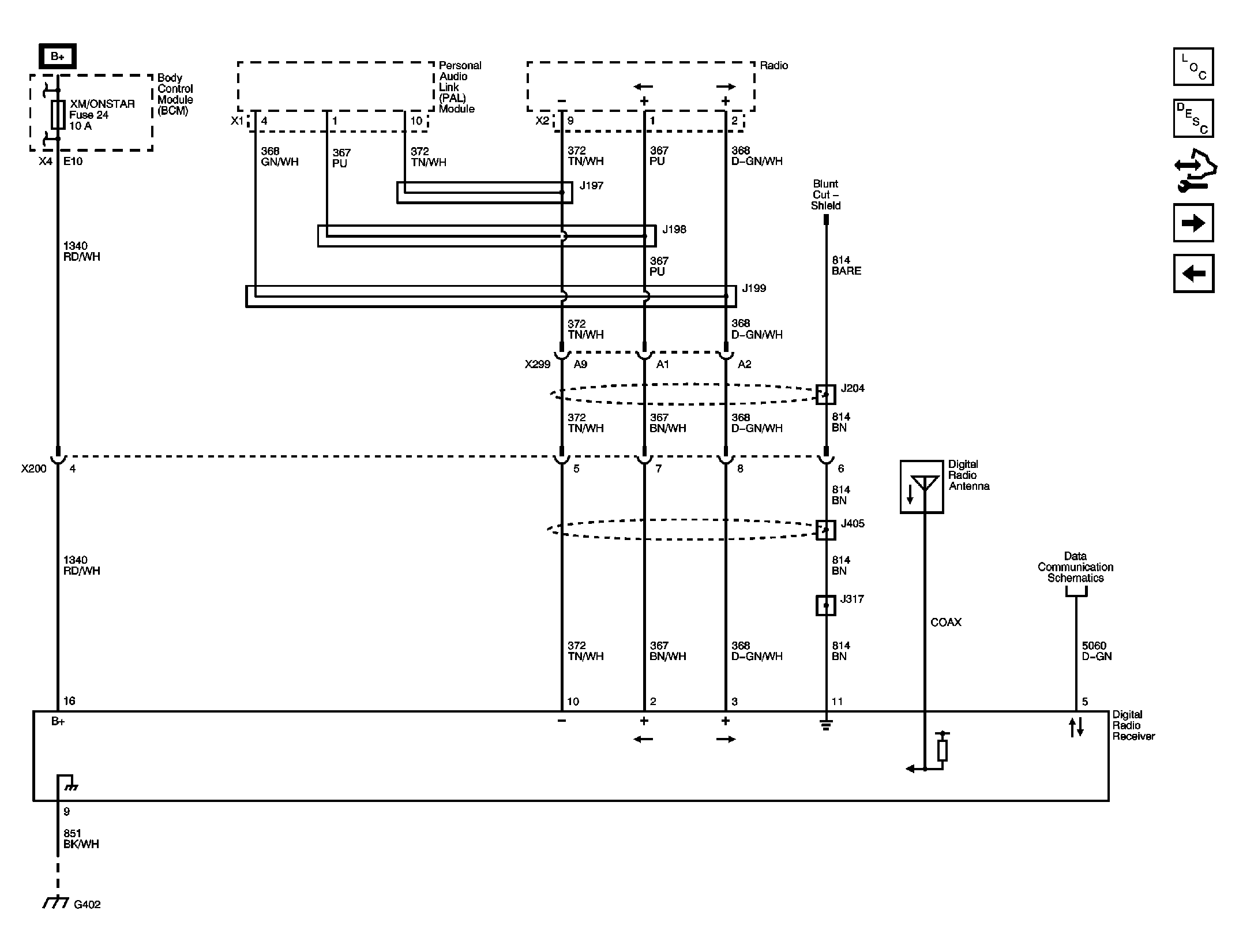
Fig 6: Digital Radio Receiver (U2K with PAL)
GM2247564Courtesy of GENERAL MOTORS CORP.
Fig 7: Personal Audio Link (PAL)
GM2247567Courtesy of GENERAL MOTORS CORP.