LEMON Manuals: Even more car manuals for everyone: 1960-2025
Home >> Chevrolet >> 2008 >> Impala SS >> Repair and Diagnosis >> External Pages >> Different car >> Section 914 (Cellular System, Entertainment System, And Navigation System) >> Schematic and Routing Diagrams >> Radio/Navigation System Schematics
April 5, 2026: LEMON Manuals is launched! Read the announcement.

Radio/Navigation System Schematics

WARNING: This page is about a different car, the 2008 Buick Lucerne. However, it is still accessible from the selected car via links, so may be relevant.
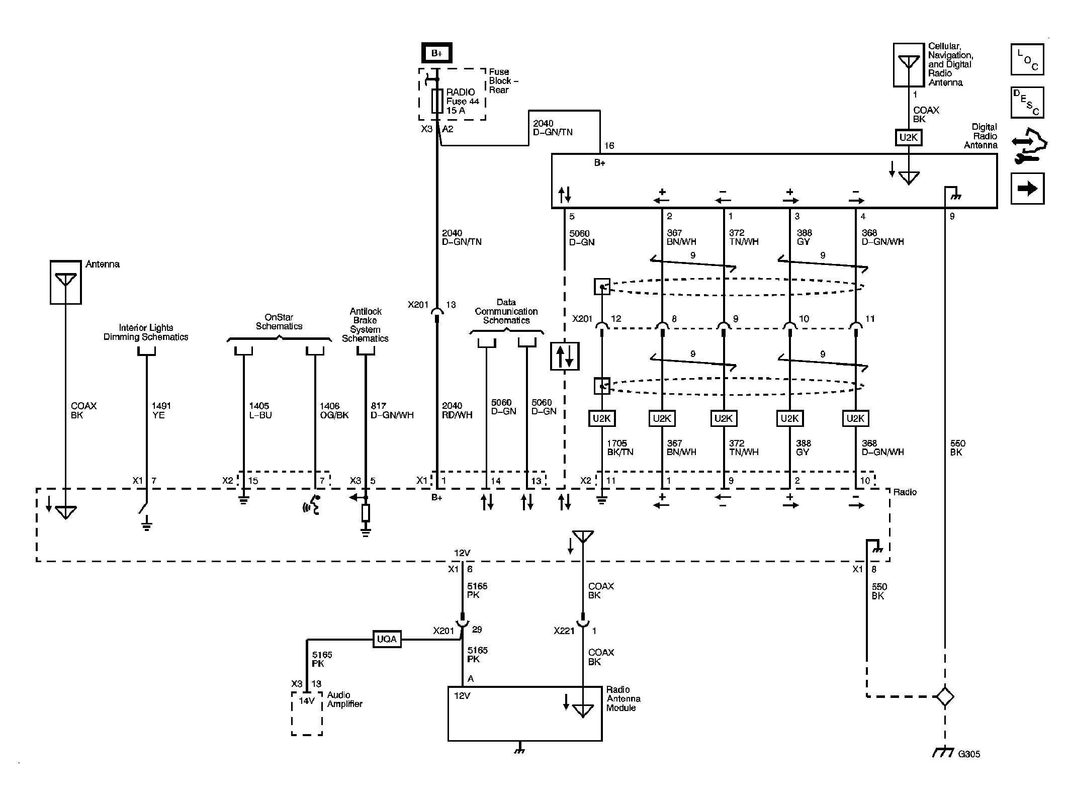
Fig 1: Radio Power and Ground
GM1886703Courtesy of GENERAL MOTORS CORP.
Fig 2: Amplifier (UQA)
GM1886705Courtesy of GENERAL MOTORS CORP.
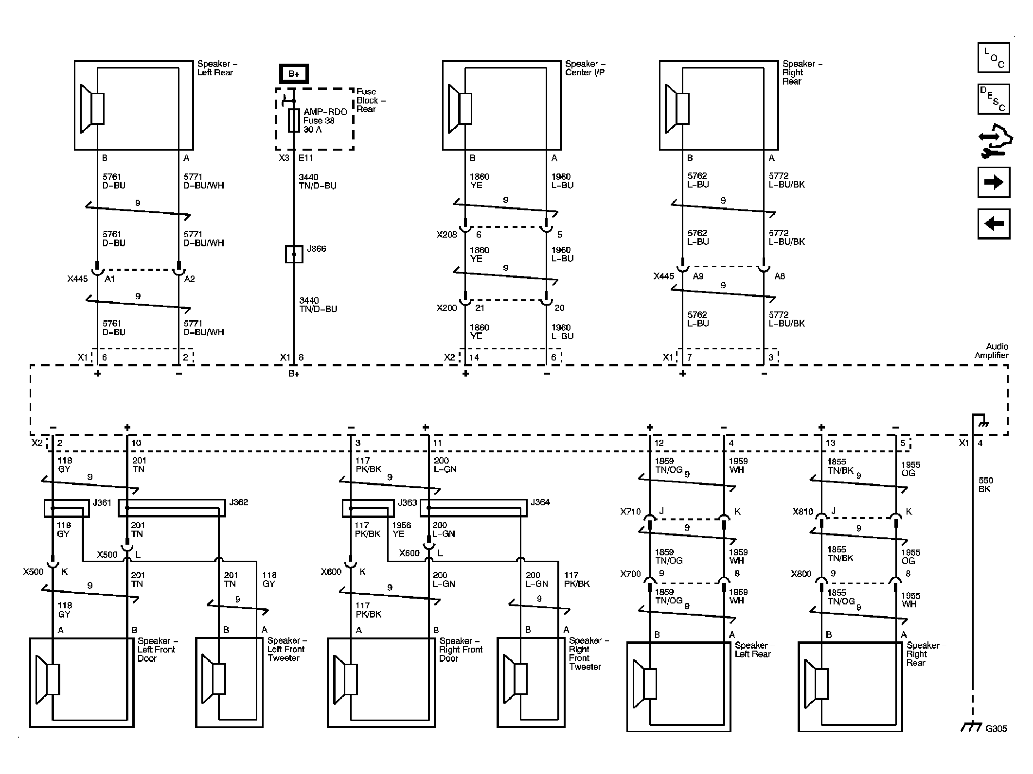
Fig 3: Speakers (UQA)
GM1886709Courtesy of GENERAL MOTORS CORP.
Fig 4: Speakers (UQ3)
GM1886714Courtesy of GENERAL MOTORS CORP.
Fig 5: Radio w/o UE1
GM1886720Courtesy of GENERAL MOTORS CORP.