LEMON Manuals: Even more car manuals for everyone: 1960-2025
Home >> Chevrolet >> 2008 >> Optra LS, Automatic >> Repair and Diagnosis >> Engine Performance >> System >> Engine Controls And Fuel - 1.8L (L79) >> Schematic and Routing Diagrams >> Engine Controls Schematics
April 5, 2026: LEMON Manuals is launched! Read the announcement.

Engine Controls Schematics

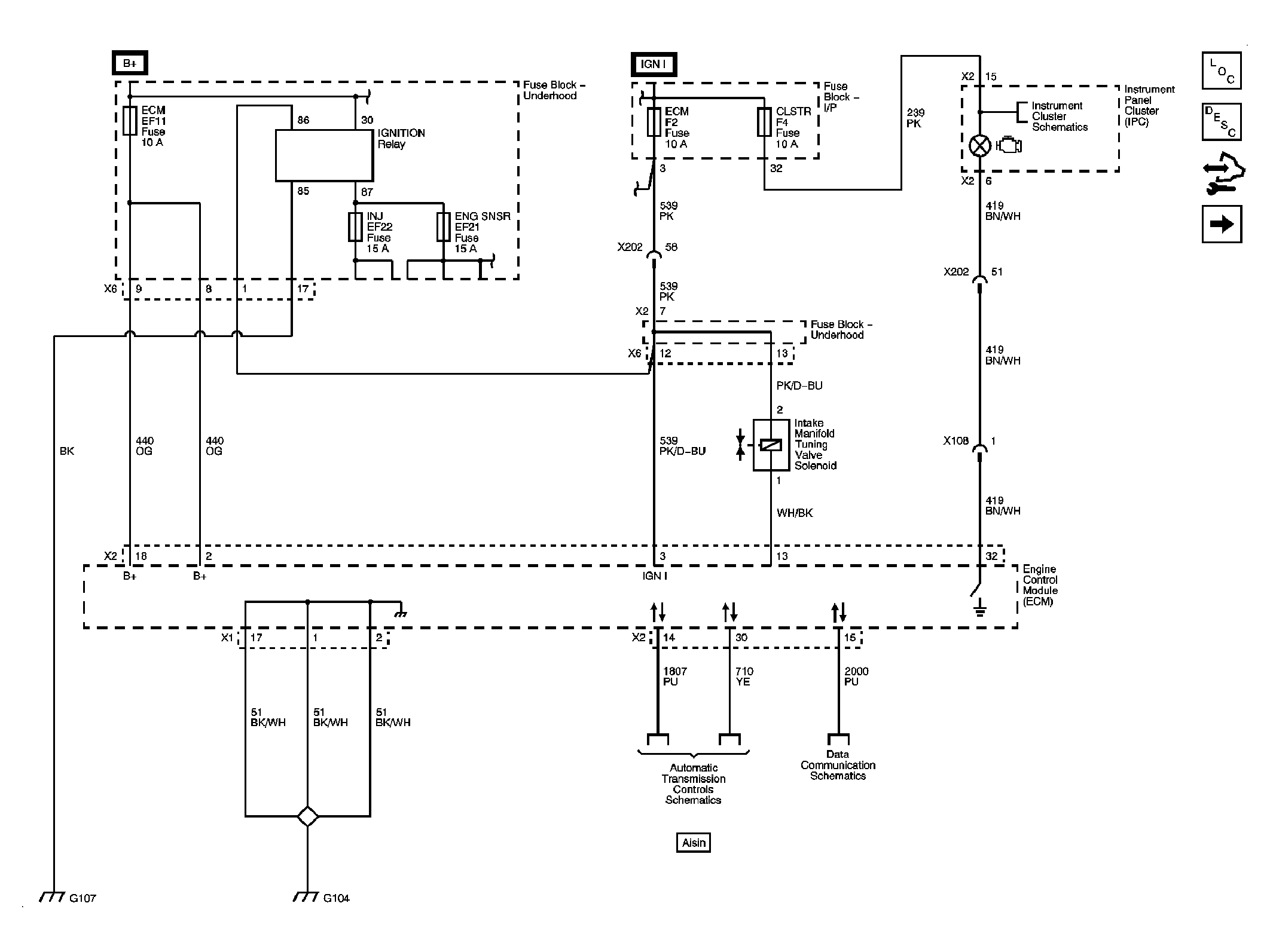
Fig 1: Module Power, Ground, Serial Data, Malfunction Indicator Lamp (MIL) Schematic
GM1956638Courtesy of GENERAL MOTORS CORP.
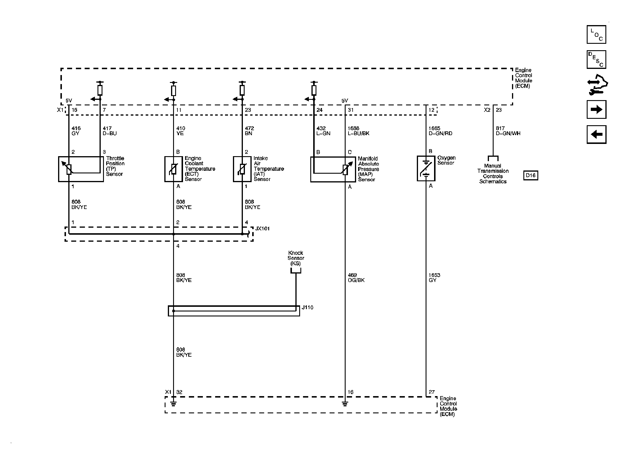
Fig 2: TP, ECT, IAT, MAP, Oxygen Sensors Schematic
GM1956639Courtesy of GENERAL MOTORS CORP.
Fig 3: Ignition System Schematic
GM1956640Courtesy of GENERAL MOTORS CORP.
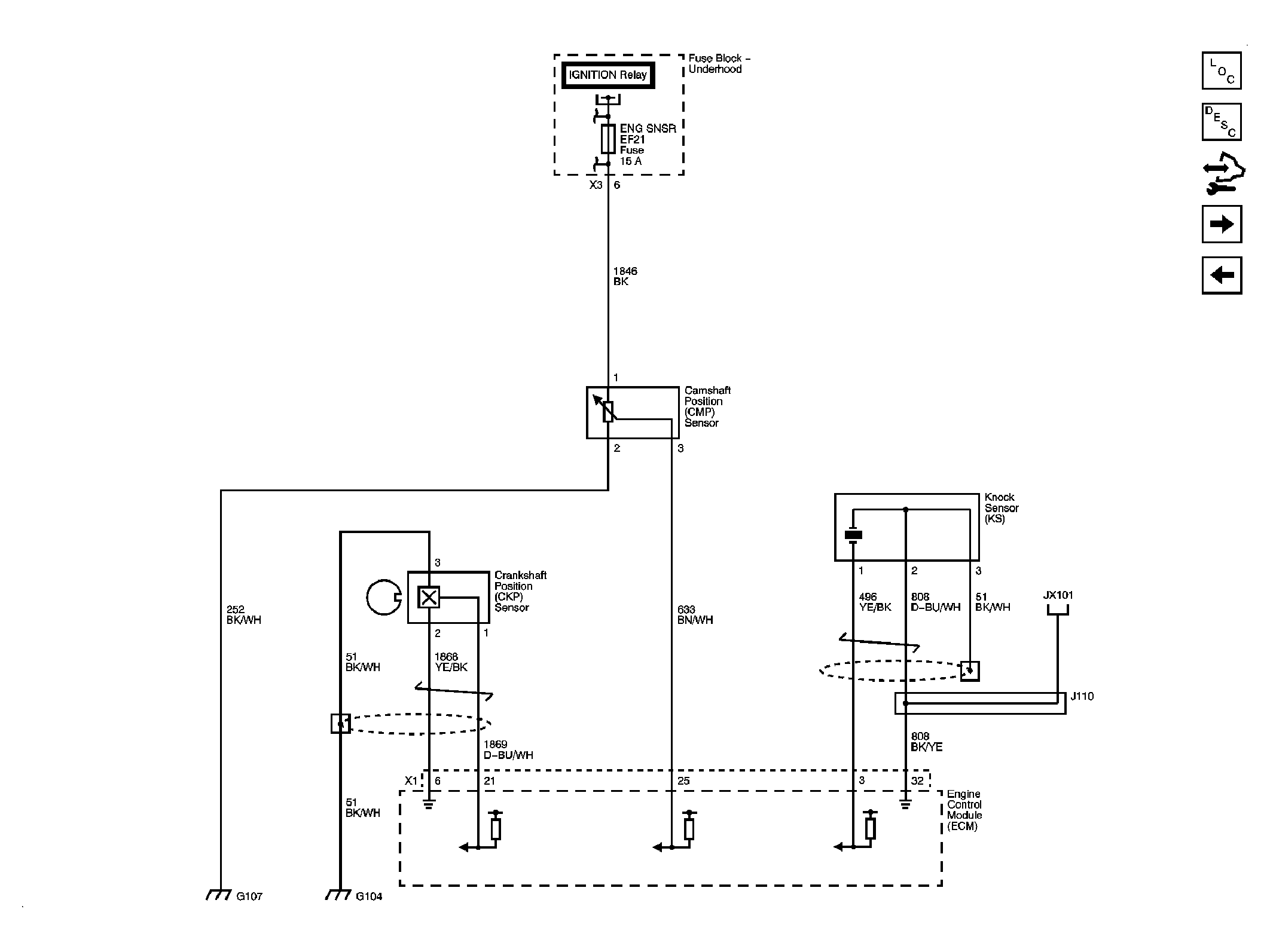
Fig 4: CKP, CMP, Knock Schematic
GM1956641Courtesy of GENERAL MOTORS CORP.
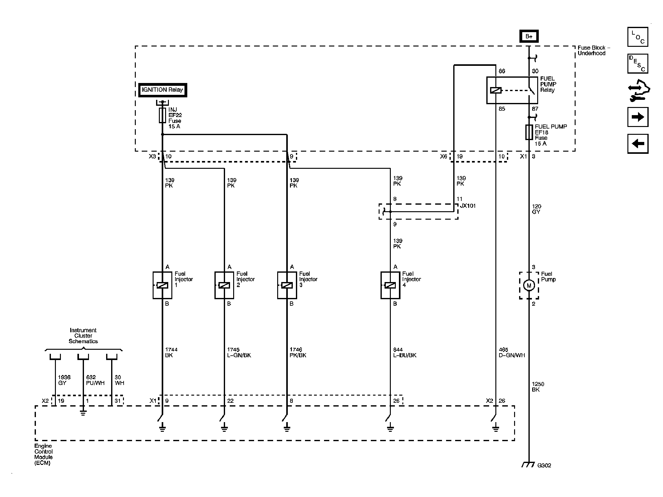
Fig 5: Fuel Pump and Fuel Injectors Schematic
GM1956642Courtesy of GENERAL MOTORS CORP.
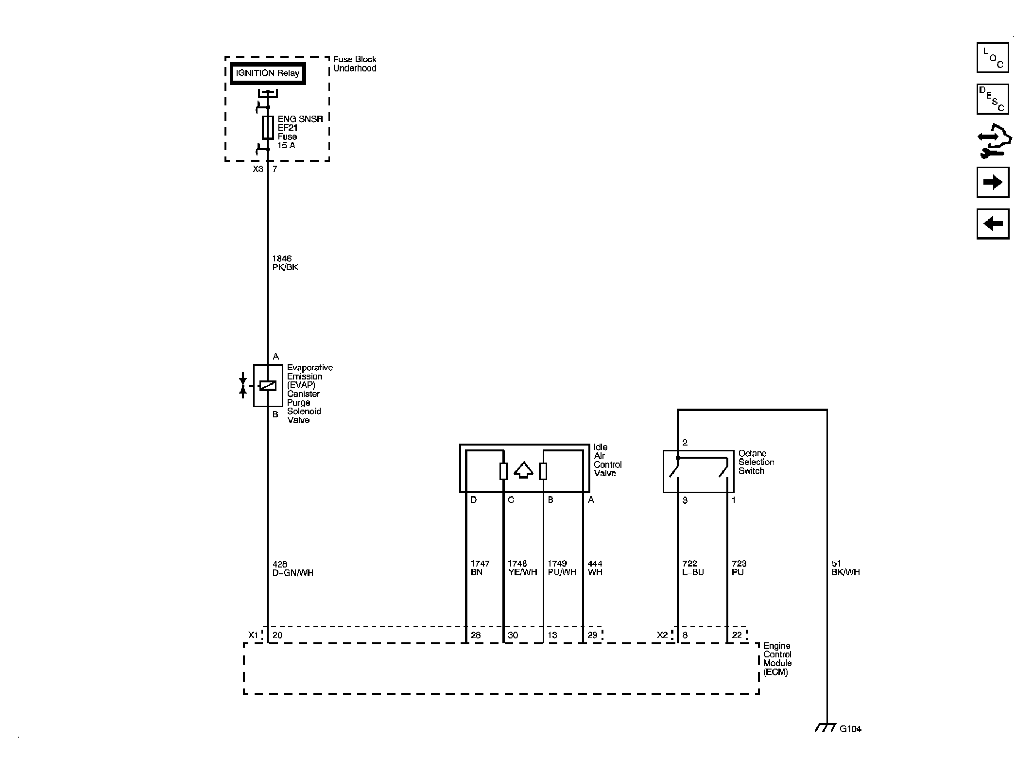
Fig 6: EVAP, IAC, Octane Selection Switch Schematic
GM1956643Courtesy of GENERAL MOTORS CORP.
Fig 7: Controlled/Monitored Subsystem References Schematic
GM1956644Courtesy of GENERAL MOTORS CORP.