LEMON Manuals: Even more car manuals for everyone: 1960-2025
Home >> Chevrolet >> 2008 >> Optra5 LS, Automatic >> Repair and Diagnosis >> Engine Performance >> System >> Engine Controls And Fuel - 1.8L (LDA) >> Schematic and Routing Diagrams >> Engine Controls Schematics
April 5, 2026: LEMON Manuals is launched! Read the announcement.

Engine Controls Schematics

Fig 1: Module Power, Ground, Serial Data, Malfunction Indicator Lamp (MIL) Schematic
GM1956669Courtesy of GENERAL MOTORS CORP.
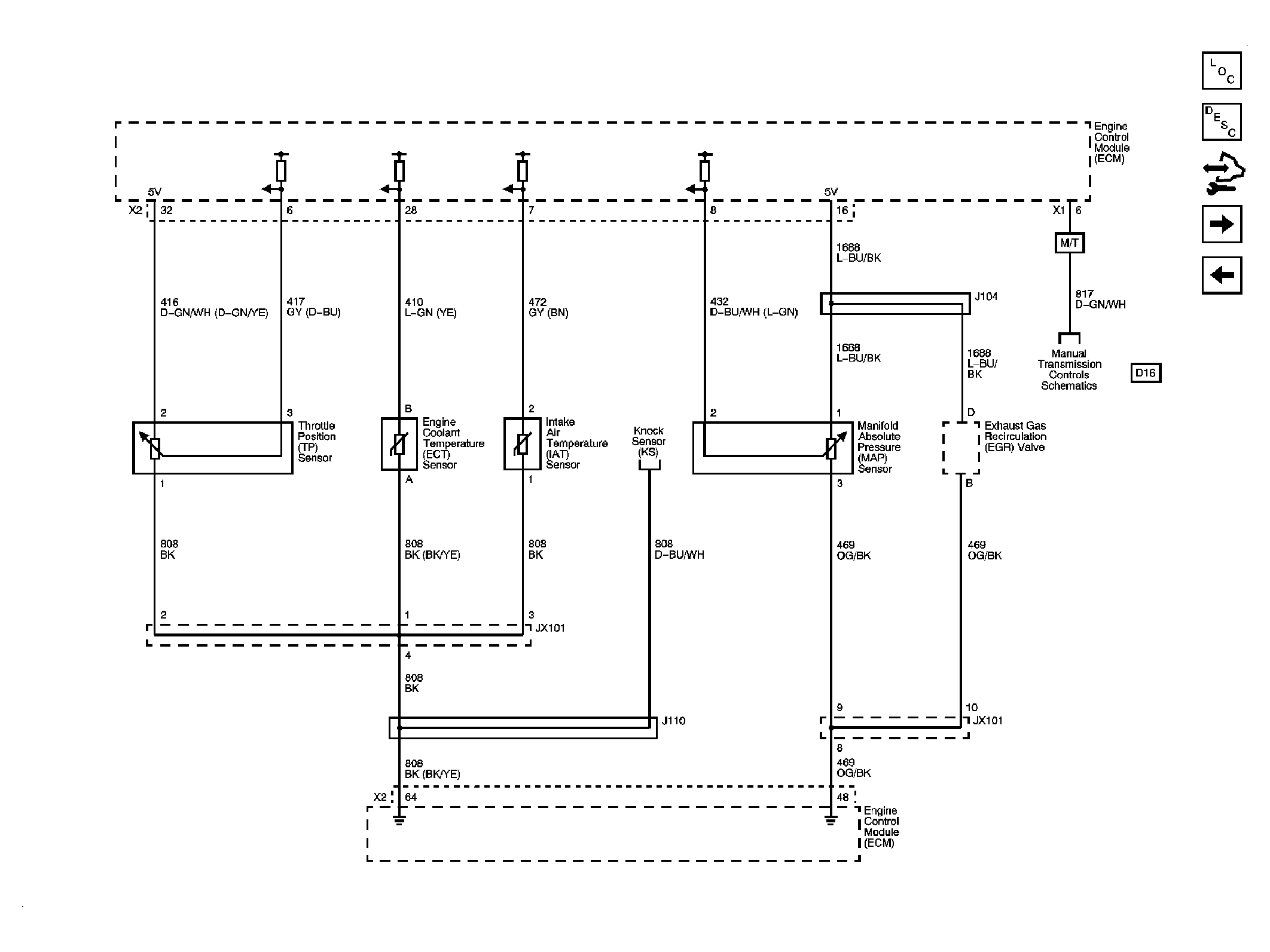
Fig 2: Engine Data Sensors - Pressure and Temperature Schematic
GM1956670Courtesy of GENERAL MOTORS CORP.
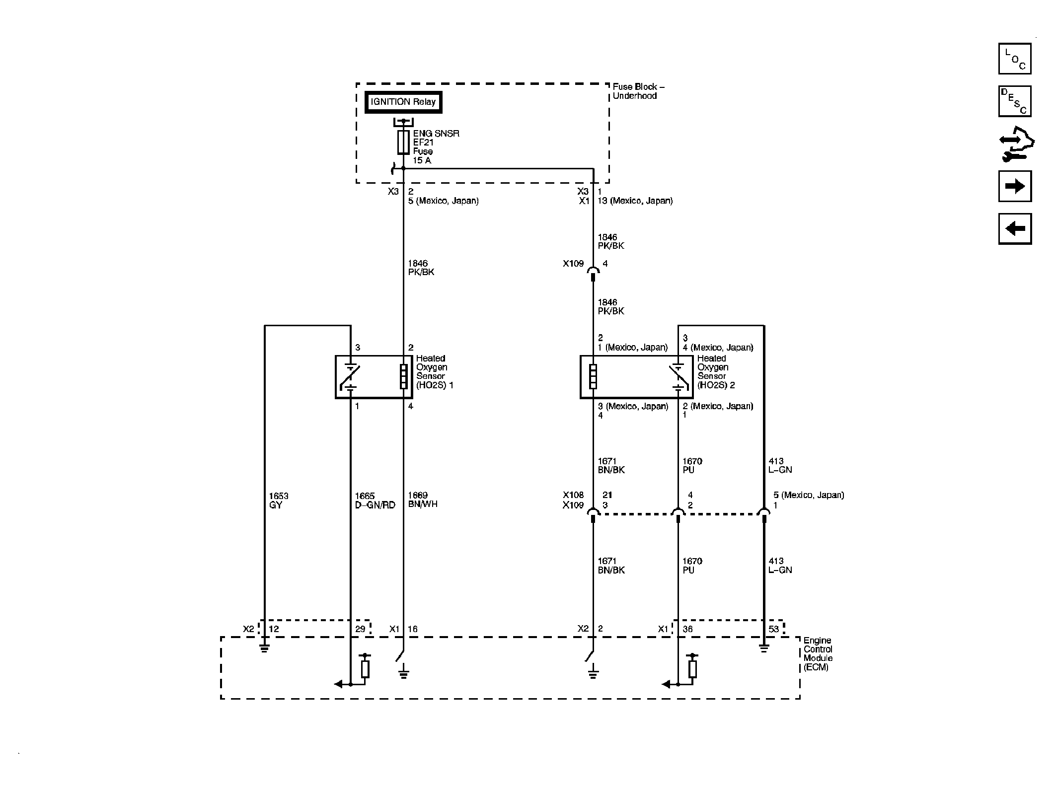
Fig 3: Oxygen Sensors (O2S) Schematic
GM1956671Courtesy of GENERAL MOTORS CORP.
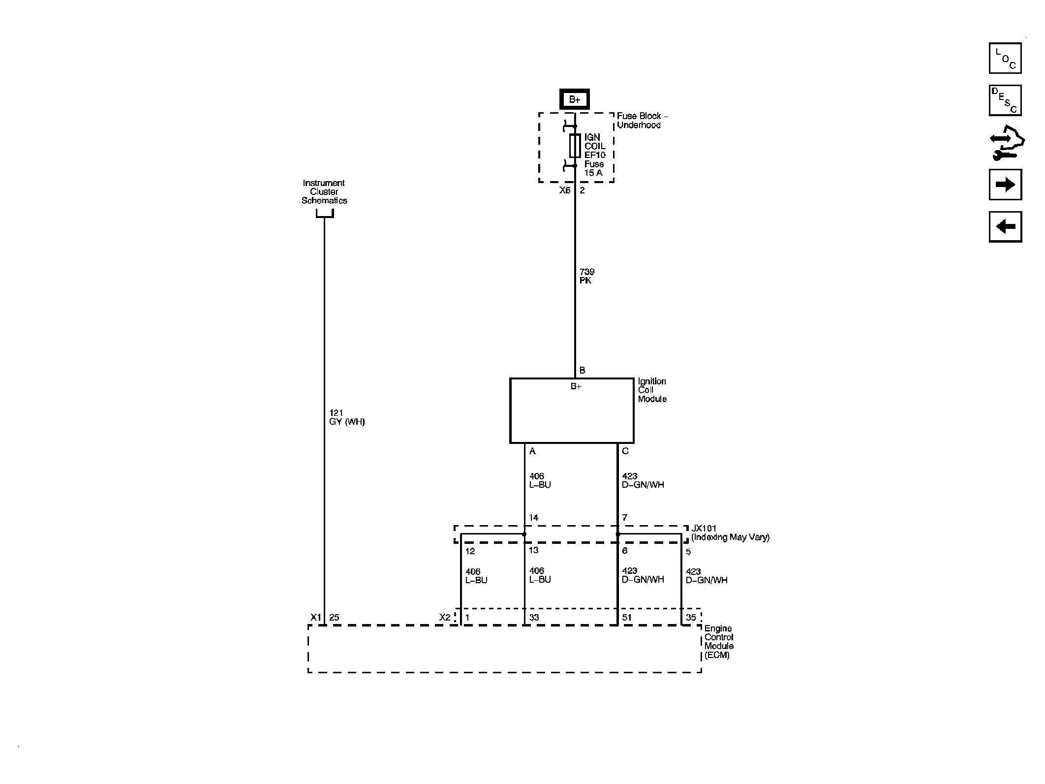
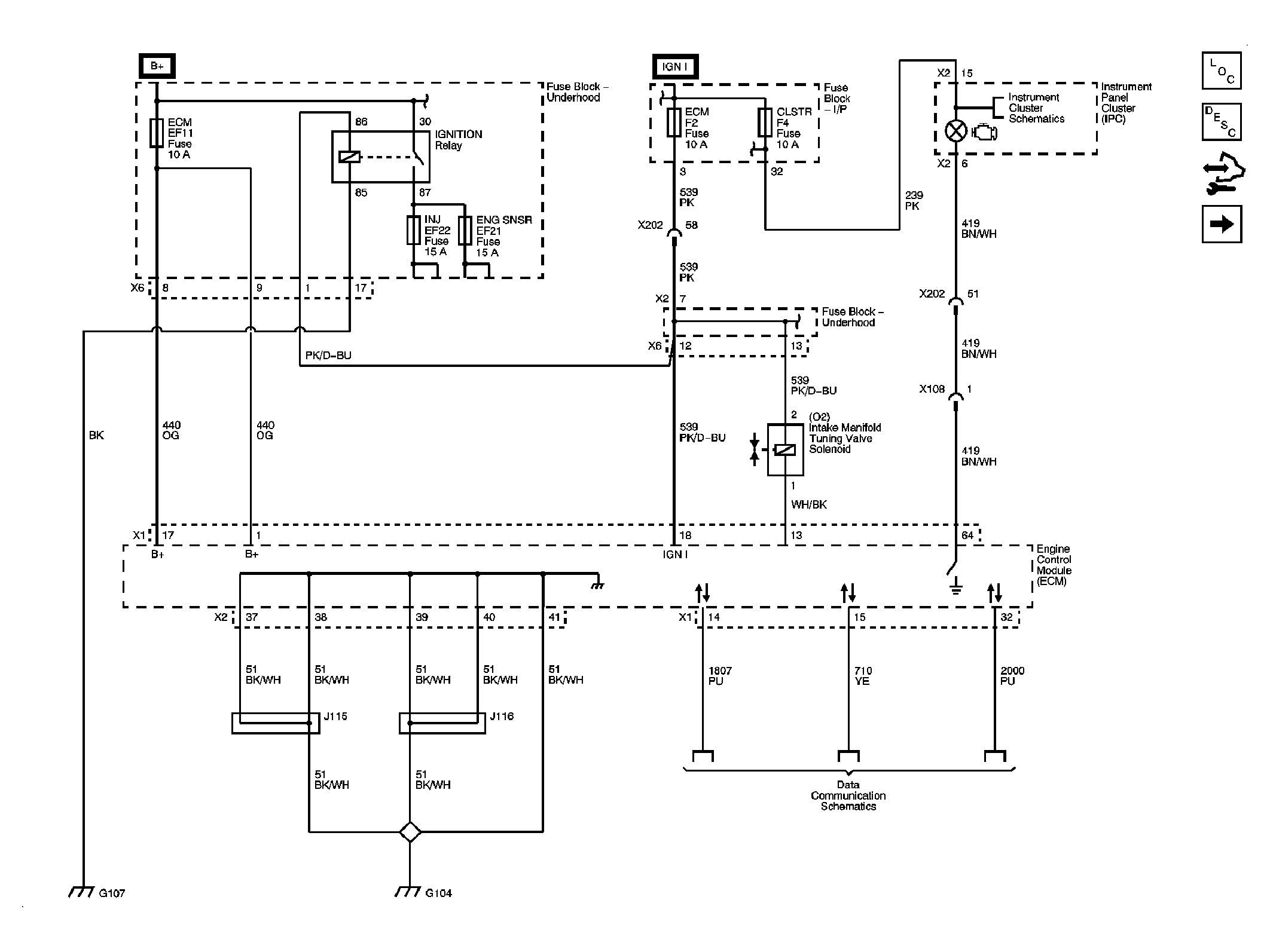
Fig 4: Ignition System Schematic
GM1956672Courtesy of GENERAL MOTORS CORP.
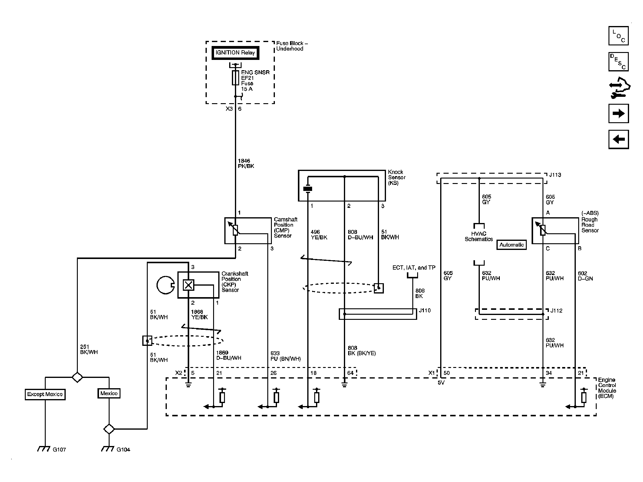
Fig 5: CKP, CMP, Knock, Rough Road Sensors Schematic
GM1956673Courtesy of GENERAL MOTORS CORP.
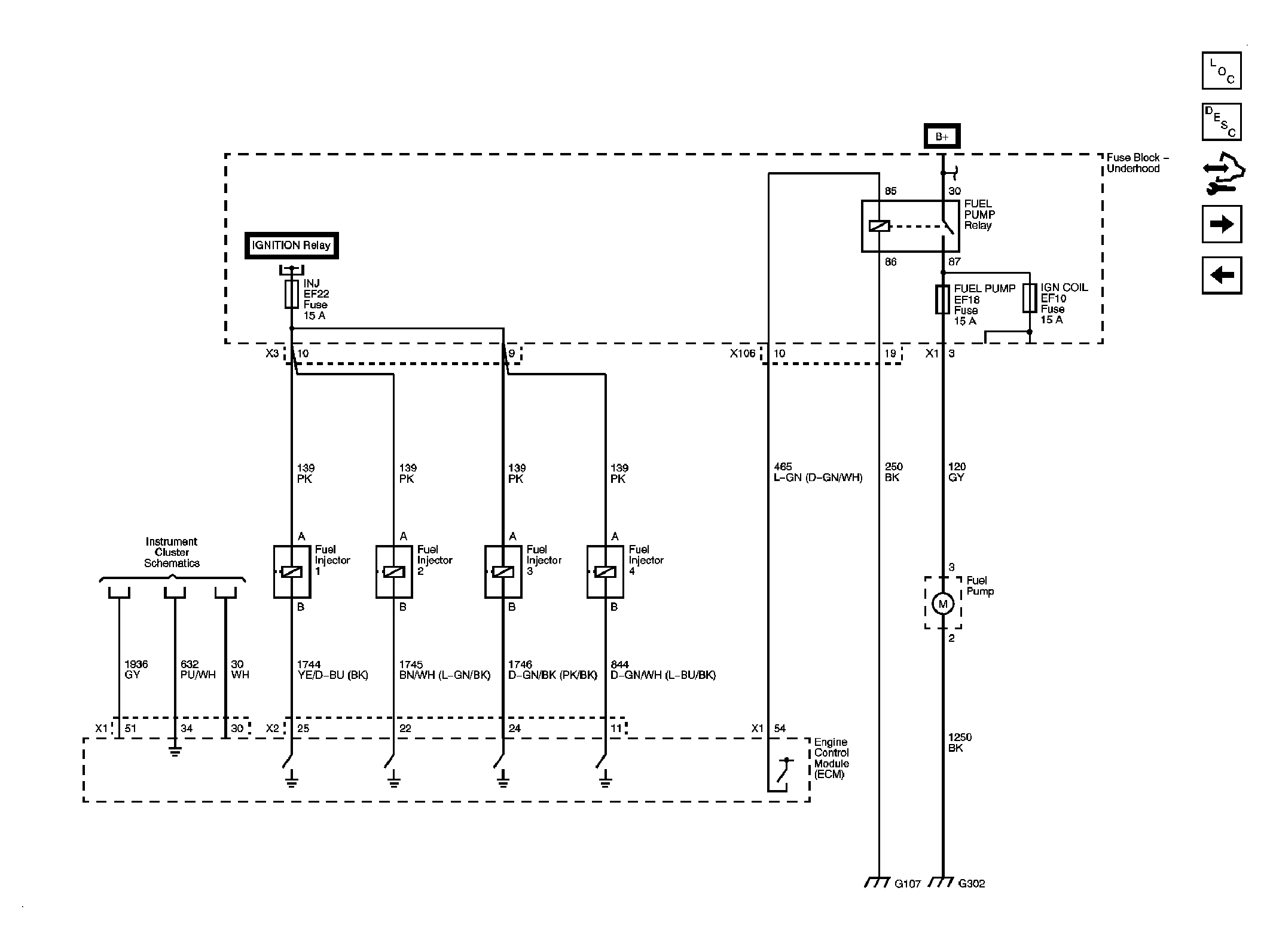
Fig 6: Fuel Pump and Fuel Injectors Schematic
GM1956674Courtesy of GENERAL MOTORS CORP.
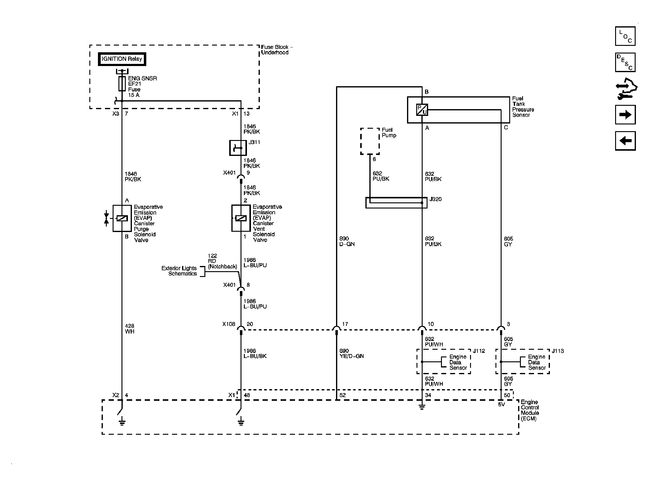
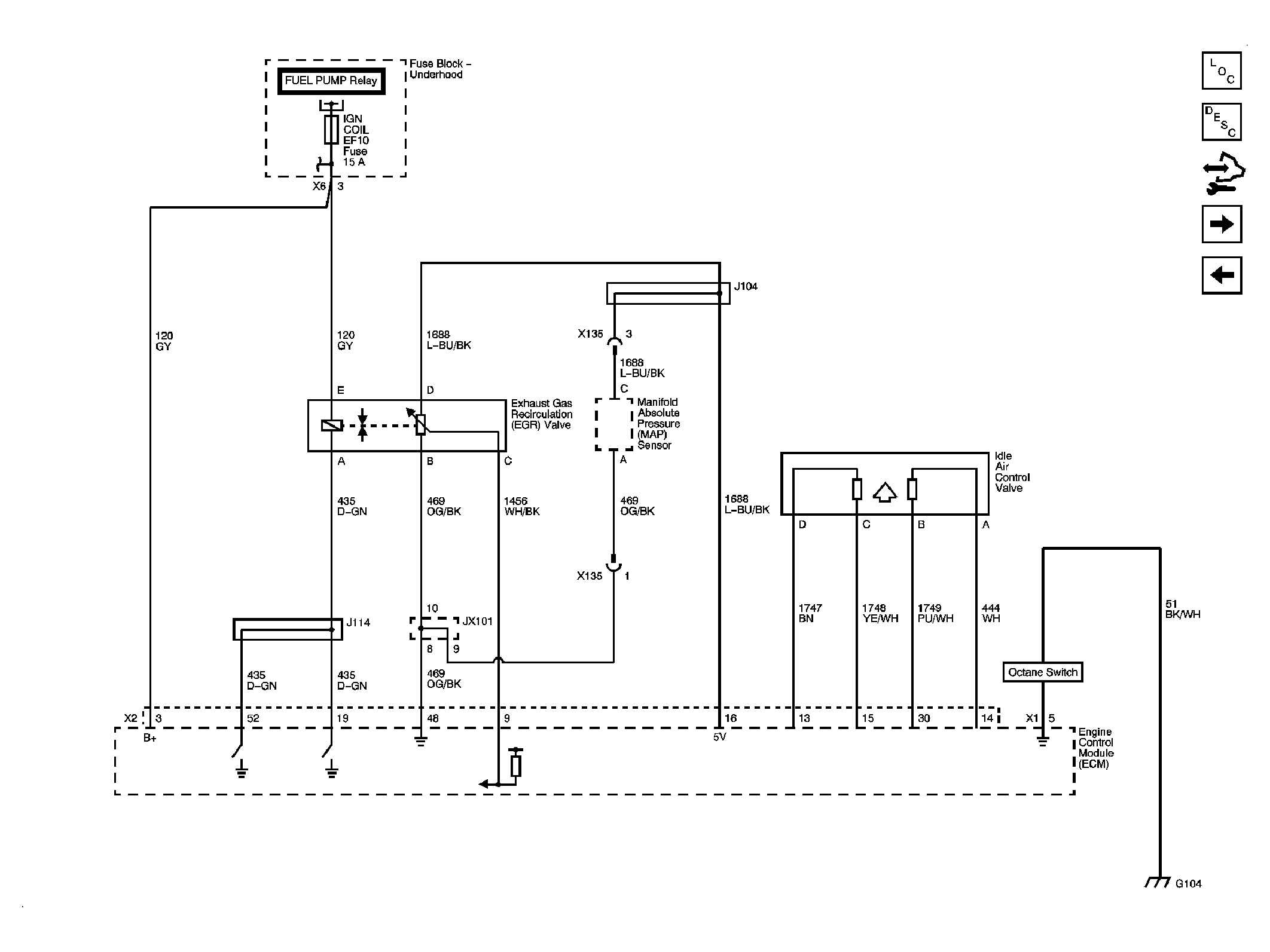
Fig 7: Fuel Controls - EVAP Controls Schematic
GM1956675Courtesy of GENERAL MOTORS CORP.
Fig 8: Device Controls Schematic
GM1956676Courtesy of GENERAL MOTORS CORP.
Fig 9: Controlled/Monitored Subsystem References Schematic
GM1956677Courtesy of GENERAL MOTORS CORP.