LEMON Manuals: Even more car manuals for everyone: 1960-2025
Home >> Chevrolet >> 2009 >> Corvette Base, 2D Convertible, Automatic >> Repair and Diagnosis >> Engine Performance >> System >> Data Communication System >> Schematic and Routing Diagrams >> Data Communication Schematics
April 5, 2026: LEMON Manuals is launched! Read the announcement.

Data Communication Schematics

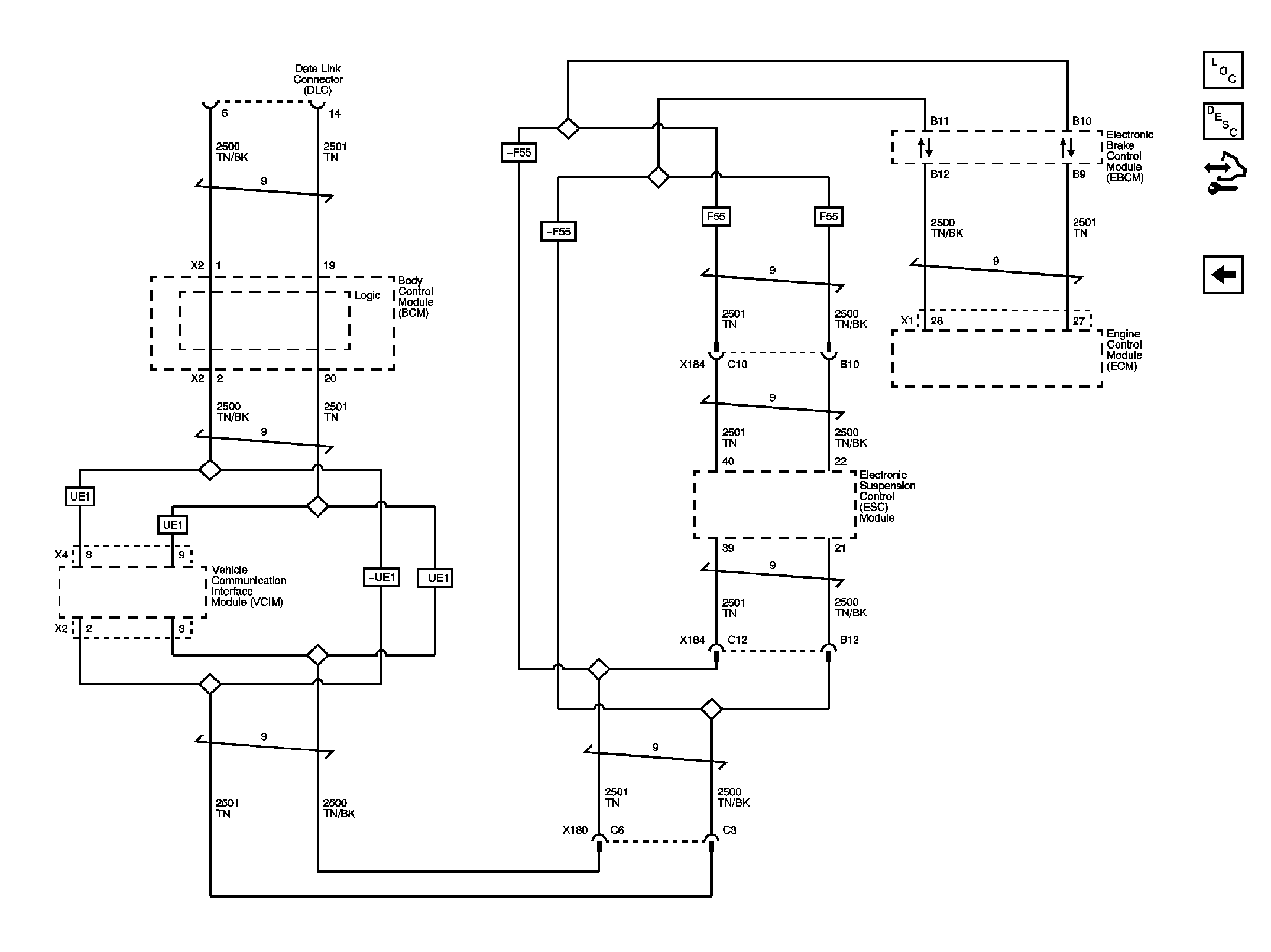
Fig 1: Power, Ground & Class 2 Circuit Schematic
GM2053259Courtesy of GENERAL MOTORS CORP.
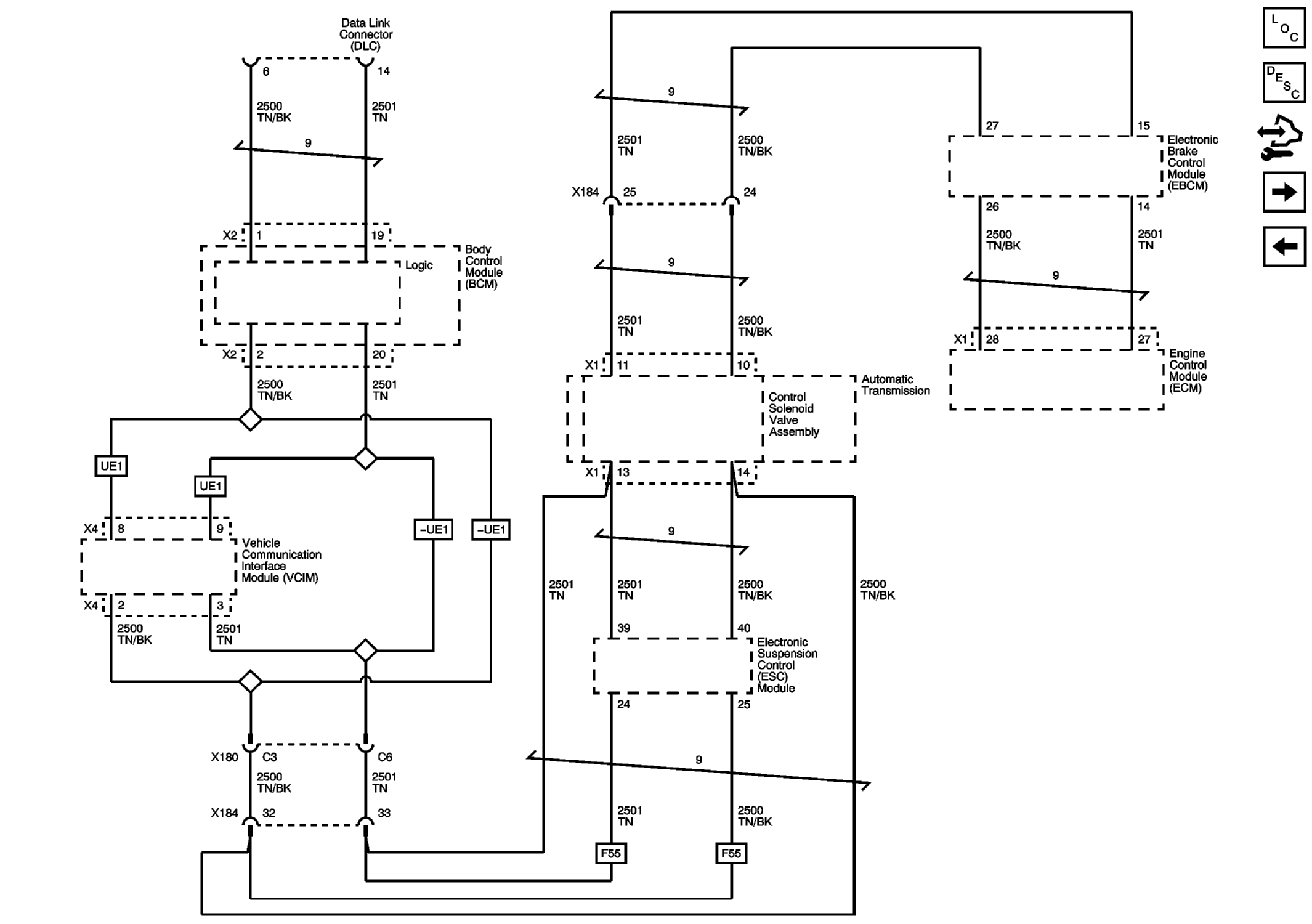
Fig 2: High Speed GMLAN Circuit Schematic - Automatic Transmission
GM2053263Courtesy of GENERAL MOTORS CORP.
Fig 3: High Speed GMLAN Circuit Schematic - Manual Transmission
GM2053265Courtesy of GENERAL MOTORS CORP.